Samsung UE-32 D6100SW — дК және аудио құрылғыларды HDMI арқылы қосу: Нұсқаулық [72/84]
![Samsung UE-32 D6100SW [72/84] Hdmi сымын немесе hdmi dvi сымын немесе d sub сымын қолдану](/views2/1131333/page72/bg48.png)
Казақ - 10
ДК және аудио құрылғыға қосылу
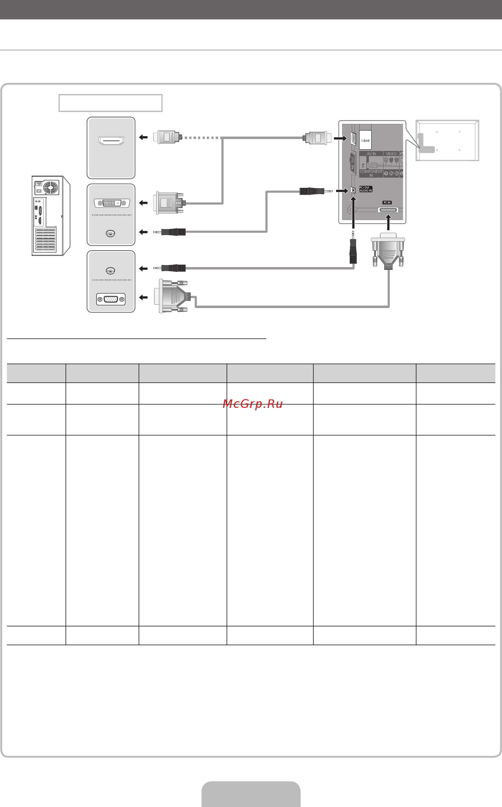
¦ HDMI сымын немесе HDMI - DVI сымын немесе D-sub сымын қолдану
✎
ДК түріне қарай HDMI сымы арқылы қосуға қолдау көрсетілмеуі мүмкін.
Бейнебет режимдері (D-Sub және HDMI - DVI кірісі)
Ең тиімді ажыратымдылық: 1920 X 1080 @ 60 Гц.
Режим Ажыратымдылық Көлденең жиілік (кГц) Тік жиілік (Гц)
Пиксел сағатының жиілігі
(МГц)
Үндестіру
полярлығы (H/V)
IBM
640 x 350
720 x 400
31,469
31,469
70,086
70,087
25,175
28,322
+/-
-/+
MAC
640 x 480
832 x 624
1152 x 870
35,000
49,726
68,681
66,667
74,551
75,062
30,240
57,284
100,000
-/-
-/-
-/-
VESA DMT
640 x 480
640 x 480
640 x 480
800 x 600
800 x 600
800 x 600
1024 x 768
1024 x 768
1024 x 768
1152 x 864
1280 x 1024
1280 x 1024
1280 x 800
1280 x 800
1280 x 960
1360 x 768
1440 x 900
1440 x 900
1680 x 1050
31,469
37,861
37,500
37,879
48,077
46,875
48,363
56,476
60,023
67,500
63,981
79,976
49,702
62,795
60,000
47,712
55,935
70,635
65,290
59,940
72,809
75,000
60,317
72,188
75,000
60,004
70,069
75,029
75,000
60,020
75,025
59,810
74,934
60,000
60,015
59,887
74,984
59,954
25,175
31,500
31,500
40,000
50,000
49,500
65,000
75,000
78,750
108,000
108,000
135,000
83,500
106,500
108,000
85,500
106,500
136,750
146,250
-/-
-/-
-/-
+/+
+/+
+/+
-/-
-/-
+/+
+/+
+/+
+/+
-/+
-/+
+/+
+/+
-/+
-/+
-/+
VESA DMT /
DTV CEA
1920 x 1080p 67,500 60,000 148,500 +/+
✎
ЕСКЕРІМ
x
HDMI/DVI сымы арқылы қосылу үшін HDMI IN 1(DVI) ұяшығын қолдану керек.
x
Интерфейс режиміне қолдау көрсетілмейді.
x
Стандартты емес бейне пішімін таңдаған жағдайда, теледидар дұрыс жұмыс істемеуі мүмкін.
x
Жеке және Құрама режимдер қолданылады. SOG(Sync On Green) режиміне қолдау көрсетілмейді.
ДК қосылымы
DVI OUT
AUDIO OUT
AUDIO OUT
PC OUT
HDMI OUT
[UD6100-RU]BN68-03474H-LPRL04.indb 10 2011-03-22 오전 9:13:26
Содержание
- Руководство пользователя p.1
- Удивительные возможности p.1
- Led телевизор p.1
- Www samsung com register p.1
- For more information on how to use e manual p 14 p.2
- English 2 p.2
- Digital tv notice p.2
- Still image warning p.2
- Securing the installation space p.2
- Figures and illustrations in this user manual are provided for reference only and may differ from actual product appearance product design and specifications may be changed without notice p.2
- Accessories p.3
- Viewing the control panel p.4
- English 4 p.4
- Viewing the remote control p.5
- This is a special remote control for the visually impaired persons and has braille points on the power channel and volume buttons p.5
- Installing batteries battery size aaa p.5
- English 5 p.5
- Information p.6
- Source p.6
- Refresh p.6
- English 6 p.6
- Edit name p.6
- Edit favourites p.6
- Connecting to an antenna p.6
- Changing the input source p.6
- Plug play initial setup p.7
- English 7 p.7
- Connecting to an av devices p.8
- Av connection p.9
- Scart connection p.9
- In ext mode dtv out supports mpeg sd video and audio only p.9
- English 9 p.9
- Component connection p.9
- When connecting to av in the colour of the av in video jack green will not match the video cable yellow p.9
- Using a component up to 1080p or an audio video 480i only and a scart cable p.9
- To obtain the best picture quality the component connection is recommended over the a v connection p.9
- Using an hdmi cable or an hdmi to dvi cable or a d sub cable p.10
- Connecting to a pc and audio device p.10
- English 11 p.11
- Available devices digital audio system amplifier home theatre p.11
- Connecting to a common interface slot p.12
- Network connection p.13
- English 13 p.13
- Change the category press p.14
- Button to select sub menu you want p.14
- Button to select category you want p.14
- You can read the introduction and instructions about the tv features stored in your tv p.14
- Button p.14
- Ud6100 rubn68 03474h lprl04 indb 14 2011 03 22 오전 9 12 44 p.14
- Basic features p.14
- Tv screen displays the current input source screen p.14
- Adjusting picture settings p.14
- Support e manual ente p.14
- Setting up the tv with your pc p.14
- Index displays index screen x exit the e manual p.14
- How to view the e manual p.14
- Help displays the e manual guide or product guide press ente p.14
- E manual p.14
- Displays the sub menu list press ente p.14
- Changing the preset picture mode p.14
- Changing the picture size p.14
- Changing the picture options p.14
- English 15 p.15
- Installing the wall mount p.16
- English 16 p.16
- English 17 p.17
- You can keep your tv as optimum condition to upgrade the latest firmware on web site samsung com support downloads by usb p.18
- Troubleshooting p.18
- This tft led panel uses a panel consisting of sub pixels which require sophisticated technology to produce however there may be a few bright or dark pixels on the screen these pixels will have no impact on the performance of the product p.18
- Licence p.18
- Issues solutions and explanations p.18
- If you have any questions about the tv first refer to this list if none of these troubleshooting tips apply please visit www samsung com then click on support or contact the call centre listed on the back cover of this manual p.18
- English 18 p.18
- Storage and maintenance p.19
- Smart hub p.19
- List of features p.19
- Anynet hdmi cec p.19
- Allshare p.19
- Securing the tv to the wall p.20
- English 20 p.20
- Design and specifications are subject to change without prior notice p.21
- Specifications p.21
- Hereby samsung declares that this led tv is in compliance with the essential requirements and other relevant provisions of directive 1999 5 ec p.21
- For information about power supply and more about power consumption refer to the label attached to the product p.21
- English 21 p.21
- Note it is not the address of samsung service centre for the address or the phone number of samsung service centre see the warranty card or contact the retailer where you purchased your product p.22
- Electronics p.22
- Declaration of conformity p.22
- Рисунки и иллюстрации в данном руководстве пользователя представлены только для справки они могут отличаться от реального внешнего вида устройства конструкция и характеристики устройства могут быть изменены без предварительного уведомления p.24
- Русский 2 p.24
- Выбор пространства для безопасной установки p.24
- Примечание относительно цифрового телевещания p.24
- Предупреждение относительно неподвижных изображений p.24
- Дополнительные сведения об использовании электронного руководства стр 14 p.24
- Русский 3 p.25
- Принадлежности p.25
- Обзор панели управления p.26
- Русский 4 p.26
- Это специальный пульт дистанционного управления для людей с плохим зрением на кнопках питания переключения каналов и настройки громкости имеются точки брайля p.27
- Установка батарей размер батарей aaa p.27
- Русский 5 p.27
- Обзор пульта дистанционного управления p.27
- Смена источника входных сигналов p.28
- Русский 6 p.28
- Редактир назв p.28
- Подключение к антенне p.28
- Обновить p.28
- Источник p.28
- Информация p.28
- Изм избранное p.28
- Функция plug play исходная настройка p.29
- Русский 7 p.29
- Подключение к устройствам av p.30
- Чтобы максимально повысить качество воспроизведения рекомендуется подключить компонентный кабель к аудио видео выводам p.31
- Русский 9 p.31
- При подключении к разъему av in цвет разъема av in video зеленый не соответствует цвету видеокабеля желтый p.31
- Подключения компонентного кабеля p.31
- Подключение scart p.31
- Подключение av устройств p.31
- Использование компонентного кабеля до 1080p или аудио видео кабеля только 480i и кабеля scart p.31
- В режиме внешний выход цифрового тв поддерживает только видеосигнал в формате mpeg sd и аудиосигнал p.31
- С помощью кабеля hdmi hdmi dvi или d sub p.32
- Подключение к компьютеру и аудиоустройству p.32
- Допустимые устройства цифровая аудиосистема усилитель домашний кинотеатр с проигрывателем p.33
- Русский 12 p.34
- Подключение к гнезду common interface p.34
- Сетевое подключение p.35
- Русский 13 p.35
- Чтобы выбрать необходимую категорию p.36
- E manual p.36
- Чтобы выбрать необходимое подменю p.36
- Указатель отображение экрана указателя x выход из электронного руководства e manual p.36
- Справка отображение экрана руков e manual или руководство нажмите кнопку p.36
- Просмотр электронного руководства e manual p.36
- Отображение списка подменю нажмите кнопку ente p.36
- Основные операции p.36
- Настройка подключения телевизора к компьютеру p.36
- Настройка параметров изображения p.36
- Или p.36
- Изменение размера изображения p.36
- Изменение предварительно настроенного режима изображения p.36
- Изменение параметров изображения p.36
- Изменение категории нажмите кнопку p.36
- Здесь можно найти сведения об основных функциях телевизора и инструкции по пользованию ими p.36
- Экран телевизора отображение экрана текущего источника входного сигнала p.36
- Ud6100 rubn68 03474h lprl04 indb 14 2011 03 22 오전 9 13 01 p.36
- Русский 15 p.37
- Установка настенного крепления p.38
- Русский 16 p.38
- Русский 17 p.39
- Устранение неполадок p.40
- Светодиодная панель с tft матрицей состоит из множества подпикселов и ее изготовление требует применения наиболее совершенных технологий однако на экране может быть несколько темных или светлых пикселов эти отдельные пикселы не влияют на качество работы изделия p.40
- Русский 18 p.40
- Проблемы способы устранения и пояснения p.40
- При возникновении вопросов связанных с работой телевизора сначала просмотрите следующий список если ни один из перечисленных советов не поможет устранить неисправность посетите веб сайт www samsung com и выберите пункт поддержка или обратитесь в операторский центр адрес которого указан на задней обложке данного руководства p.40
- Оптимальные условия использования телевизора достигаются путем обновления микропрограммы с веб узла samsung com поддержка загрузки через usb p.40
- Лицензия p.40
- Хранение и обслуживание p.41
- Список функций p.41
- Русский 19 p.41
- Крепление телевизора на стене p.42
- Русский 20 p.42
- Технические характеристики p.43
- Характеристики электропитания и потребления электроэнергии указаны на наклейке на корпусе устройства p.43
- Русский 21 p.43
- Конструкция и характеристики устройства могут быть изменены без предварительного уведомления p.43
- Українська 2 p.44
- Примітка про цифрове телебачення p.44
- Попередження щодо нерухомого зображення p.44
- Детальніше про користування електронним посібником стор 14 p.44
- Безпечне встановлення p.44
- Ілюстрації у цьому посібнику користувача подані лише для довідки і можуть відрізнятися від дійсного вигляду виробу вигляд і технічні характеристики виробу можуть бути змінені без попередження p.44
- Українська 3 p.45
- Приладдя p.45
- Українська 4 p.46
- Огляд панелі керування p.46
- Встановлення батарей батареї типу aaa p.47
- Цей пульт дистанційного керування спеціально пристосовано для людей із вадами зору він має крапкові знаки брайля на кнопках живлення перемикання каналів і регулювання гучності p.47
- Українська 5 p.47
- Огляд пульта дистанційного керування p.47
- Українська 6 p.48
- Редаг улюблені p.48
- Під єднання антени p.48
- Оновити p.48
- Зміна джерела вхідного сигналу p.48
- Змін назву p.48
- Джерело p.48
- Інформація p.48
- Українська 7 p.49
- Plug play початкове налаштування p.49
- Під єднання аудіовідеопристроїв p.50
- Використання компонентного кабелю до 1080p або аудіовідеокабелю лише 480i і кабелю scart p.51
- R audio l p.51
- Щоб отримати зображення найвищої якості рекомендовано користуватися компонентним кабелем замість аудіовідеокабелю p.51
- Українська 9 p.51
- У режимі зовн вихідний відео та аудіосигнал цифрового телебачення підтримується тільки у режимі mpeg стандартної чіткості p.51
- Під час підключення до входу av in колір роз єму av in video зелений не відповідає кольору відеокабелю жовтий p.51
- Підключення до комп ютера та аудіопристрою p.52
- Використання кабелю hdmi кабелю hdmi dvi або d sub p.52
- Українська 11 p.53
- Доступні пристрої цифрова аудіосистема підсилювач домашній кінотеатр p.53
- Українська 12 p.54
- Підключення до гнізда стандартного інтерфейсу p.54
- Українська 13 p.55
- Під єднання до мережі p.55
- В електронному посібнику подані вступні відомості та вказівки щодо функцій телевізора p.56
- Або p.56
- Ud6100 rubn68 03474h lprl04 indb 14 2011 03 22 오전 9 13 19 p.56
- E manual p.56
- Підтримка e manual ente p.56
- Показник відображення екрана алфавітного покажчика x вихід із електронного посібника p.56
- Перегляд електронного посібника p.56
- Основні функції p.56
- Налаштування телевізора для роботи з пк p.56
- Зміна розміру зображення p.56
- Зміна попередньо встановленого режиму зображення p.56
- Зміна параметрів зображення p.56
- Зміна категорії щоб вибрати потрібну категорію натисніть кнопку p.56
- Екран телевізора відображення екрана поточного вхідного сигналу p.56
- Довід відображення режимів гід e manual або довідник виробу натисніть кнопку ente p.56
- Відображення списку підменю щоб вибрати потрібне підменю натисніть кнопку ente p.56
- Українська 15 p.57
- Українська 16 p.58
- Встановлення на стіні p.58
- Українська 17 p.59
- Якщо ви маєте будь які запитання щодо роботи телевізора спершу перегляньте цей список якщо жодна з поданих порад не допоможе вирішити вашу проблему перегляньте на веб сайті www samsung com розділ підтримки або зателефонуйте у центр телефонного обслуговування перелік яких подається на останній сторінці цього посібника p.60
- Усунення несправностей p.60
- Українська 18 p.60
- Телевізор із tft рк екраном містить підпіксели і його виготовлення потребує застосування складних сучасних технологій однак на екрані можуть з являтися декілька світлих чи темних пікселів такі поодинокі піксели не впливають на якість роботи пристрою p.60
- Проблема можливі рішення і пояснення p.60
- Ліцензія p.60
- Ви маєте змогу завантажувати найновіше програмне забезпечення з веб сайту samsung com support підтримка downloads завантаження через з єднання usb p.60
- Українська 19 p.61
- Перелік функцій p.61
- Зберігання та обслуговування p.61
- Фіксація телевізора на стіні p.62
- Українська 20 p.62
- Характеристики p.63
- Українська 21 p.63
- Номінальні параметри живлення та відомості про енергоспоживання для цього виробу вказано на наклейці p.63
- Конструкцію та технічні характеристики може бути змінено без попередження p.63
- Қимылсыз бейнеге қатысты ескерту p.64
- Сандық теледидарға қатысты құлақтандыру p.64
- Орнататын жерде қауіпсіз етіп дайындау p.64
- Казақ 2 p.64
- Е нұсқаулықты қолдануға қатысты толық ақпарат алу үшін б 14 p.64
- Керек жарақтар p.65
- Казақ 3 p.65
- Казақ 4 p.66
- Басқару панелінің көрінісі p.66
- Қашықтан басқару пульті p.67
- Казақ 5 p.67
- Бұл көзі нашар көретін адамдарға арналған сондай ақ power channel және volume түймешіктерінің үстінде брайль нүктелері бар арнайы қашықтан басқару құралы p.67
- Батареяларды орнату батарея өлшемі aaa p.67
- Ақпарат p.68
- Атауды өңдеу сигнал к p.68
- Антеннаны қосу p.68
- Таңдаңыз дасигнал к p.68
- Сигнал көзін өзгерту p.68
- Сигнал к p.68
- Казақ 6 p.68
- Жаңартусигнал к p.68
- Казақ 7 p.69
- Plug play initial setup функциясы p.69
- Бар құралдар dvd blu ray player hd cable box hd stb set top box satellite receiver vcr p.70
- Аудио видео құрылғыға жалғау p.70
- Құралас элемент сымын 1080p дейін немесе аудио видео тек 480i және scart сымын қолдану p.71
- Сырт режимінде dtv out тек ғана mpeg sd видео мен аудиоға ғана қолдау көрсетеді p.71
- Суреттің сапасын ең жоғары деңгейде көрсету үшін құралас бөліктер сымын аудио видео қосылымымен бірге жалғауды ұсынамыз p.71
- Казақ 9 p.71
- R audio l p.71
- Av in қосылған кезде av in video ұяшығының түсі жасыл видео сымға сары сай келмейді p.71
- Hdmi сымын немесе hdmi dvi сымын немесе d sub сымын қолдану p.72
- Казақ 10 p.72
- Дк және аудио құрылғыға қосылу p.72
- Казақ 11 p.73
- Бар құралдар цифрова аудіосистема підсилювач домашній кінотеатр p.73
- Казақ 12 p.74
- Common interface ұяшығына жалғау p.74
- Казақ 13 p.75
- Желіге қосылу p.75
- Негізгі функциялары p.76
- Индекс индекс бейнебетін көрсетеді x е нұсқаулықтан шығу p.76
- Е нұсқаулықты қалай қарауға болады p.76
- Анықт e manual guide немесе өнім нұсқаулығы көрсетеді p.76
- Алдын ала орнатылған сурет режимін өзгерту p.76
- Ішкі мәзір тізімін көрсетеді қалаған ішкі мәзірді таңдау үшін ente p.76
- Қолдау эл нұсқау ente p.76
- Ud6100 rubn68 03474h lprl04 indb 14 2011 03 22 오전 9 13 36 p.76
- Түймешігін басыңыз p.76
- E manual p.76
- Теледидарды дербес компьютер көмегімен баптау p.76
- Теледидарда сақталған кіріспе бөлім және нұсқауларды теледидардың функцияларын оқуыңызға болады p.76
- Теледидар бейнебеті ағымдық сигнал көзі бейнебетін көрсетеді p.76
- Суреттің өлшемін өзгерту p.76
- Сурет параметрлерін өзгерту p.76
- Сурет параметрлерін реттеу p.76
- Санатты ауыстыру қалаған санатты таңдау үшін p.76
- Немесе p.76
- Казақ 15 p.77
- Қабырғалық аспа жинақты орнату p.78
- Казақ 16 p.78
- Казақ 17 p.79
- Ақаулықты түзету p.80
- Ақаулық шешімі және түсіндірмесі p.80
- Теледидарға қатысты қандай да бір сұрағыңыз болса алдымен осы тізімді қараңыз егер ақаулықты түзетуге қатысты кеңестердің біреуі де көмектеспесе www samsung com торабының қолдау көрсету бөліміне барыңыз немесе осы нұсқаулықтың артқы мұқабасында көрсетілген байланыс орталығына хабарласыңыз p.80
- Теледидарды ең оңтайлы күйде ұстау үшін бағдарламаның соңғы нұсқасын веб сайттан samsung com support downloads usb арқылы орнатыңыз p.80
- Осы tft led панелін жасап шығару үшін күрделі кіші пикселдер технологиясы қолданылады дегенмен бейнебетте аздаған жарық немесе күңгірт пикселдер пайда болуы мүмкін бұл пикселдер құрылғы жұмысына еш әсер етпейді p.80
- Лицензия p.80
- Казақ 18 p.80
- Функциялар тізімі p.81
- Сақтау және күтім көрсету p.81
- Казақ 19 p.81
- Теледидарды қабырғаға бекіту p.82
- Казақ 20 p.82
- Өндіруші құрылғының дизайны мен техникалық сипаттамаларын алдын ала ескертусіз өзгерте алады p.83
- Қуат көзіне қосу мен тұтынылатын қуат туралы ақпаратты өнімге жапсырылған жапсырмадан қараңыз p.83
- Техникалық параметрлері p.83
- Казақ 21 p.83
Похожие устройства
-
Samsung UE-46 D6100SWE_MANUAL -
Samsung UE46 ES8000SE_MANUAL -
Samsung UE32 ES6100WРуководство пользователя -
Samsung UE32 ES6100WРуководство по программному обеспечению -
Samsung UE32 ES6100WРуководство Skype -
Samsung UE-32 D6100SWAllShare PC SW HELP -
Samsung UE40 ES6100WРуководство пользователя -
Samsung UE40 ES6100WРуководство по программному обеспечению -
Samsung UE40 ES6100WРуководство Skype -
Samsung UE46ES7500SРуководство пользователя -
Samsung UE46ES7500SРуководство по программному обеспечению -
Samsung UE46ES7500SРуководство Skype
Бұл нұсқаулықта ДК-ны HDMI, DVI және D-sub сымдары арқылы қосу жолдары мен бейнебет режимдері туралы ақпарат берілген. Ең тиімді ажыратымдылықты таңдаңыз.
Скачать
Случайные обсуждения