Tohatsu MFS 9.8 A3 Сервис Мануал онлайн [62/84] 202306
Содержание
- Top page p.1
- Chapter 1 specifications p.2
- Chapter 4 power unit p.2
- Chapter 3 inspection and maintenance p.2
- Chapter 2 service data and tools p.2
- Contents p.2
- Chapter 7 carburetor and fuel pump p.3
- Chapter 5 lower unit p.3
- Chapter 9 electrical system p.3
- Chapter 8 oil pump p.3
- Chapter 6 recoil starter p.3
- Chapter 9 test run and inspection p.3
- Contents p.3
- Specifications p.4
- Engine p.4
- Type 8a 9 a p.4
- Item model or p.4
- Performance p.4
- Dimensions p.4
- Chapter 1 specifications p.4
- Warning systems p.5
- Type 8a 9 a p.5
- Specifications p.5
- Lower unit p.5
- Item model or p.5
- Chapter 1 specifications p.5
- Chapter 1 specifications p.6
- Dimensions p.6
- Chapter 2 service data and tools p.7
- Service data and maintenance standards p.7
- Chapter 2 service data and tools p.8
- Chapter 2 service data and tools p.9
- Chapter 2 service data and tools p.10
- Chapter 2 service data and tools p.11
- Chapter 2 service data and tools p.12
- Chapter 2 service data and tools p.13
- Chapter 2 service data and tools p.14
- Table of points to apply sealants adhesives and lubricants p.15
- Chapter 2 service data and tools p.15
- Chapter 2 service data and tools p.16
- Chapter 2 service data and tools p.17
- Engine p.18
- Tightening torque p.18
- Table of tightening torque p.18
- N m kg m lb ft p.18
- Description bolt or nut thread p.18
- Chapter 2 service data and tools p.18
- Standard torque p.18
- Lower unit p.18
- 1 general tools p.19
- Tools and instruments required for disassembly and repair p.19
- Tools and instruments required for p.19
- Disassembly and repair p.19
- Chapter 2 service data and tools p.19
- Chapter 2 service data and tools p.20
- How to use special tools p.21
- Chapter 2 service data and tools p.21
- Chapter 2 service data and tools p.22
- Chapter 2 service data and tools p.23
- Drive shaft bearing tool 3b2 72256 0 p.23
- Chapter 2 service data and tools p.24
- Backlash measuring tool p.24
- Periodical inspections p.25
- O o o o p.25
- Chapter 3 inspection and maintenance p.25
- Troubleshooting p.26
- Method to change engine oil p.27
- Chapter 3 inspection and maintenance p.27
- Change of engine oil p.27
- Inspection of fuel system p.28
- Chapter 3 inspection and maintenance p.28
- Compression test p.29
- Chapter 3 inspection and maintenance p.29
- A caution p.29
- Chapter 3 inspection and maintenance p.30
- Inspection of timing belt p.31
- Chapter 3 inspection and maintenance p.31
- Chapter 3 inspection and maintenance p.32
- Change of gear oil p.32
- Flushing cleaning p.33
- Chapter 3 inspection and maintenance p.33
- A caution p.33
- Inspection of cooling system p.34
- Chapter 3 inspection and maintenance p.34
- General notes on service p.35
- Chapter 4 power unit p.35
- Removing parts p.36
- Removing power unit removing parts p.36
- Removing power unit p.36
- Chapter 4 power unit p.36
- Chapter 4 power unit p.37
- Disassembling engine p.38
- Chapter 4 power unit p.38
- Chapter 4 power unit p.39
- Chapter 4 power unit p.40
- Chapter 4 power unit p.41
- Inspection and measurement of engine parts p.42
- Inspection and measurement of p.42
- Engine parts p.42
- Chapter 4 power unit p.42
- Chapter 4 power unit p.43
- Chapter 4 power unit p.44
- Chapter 4 power unit p.45
- Chapter 4 power unit p.46
- Chapter 4 power unit p.47
- Chapter 4 power unit p.48
- Chapter 4 power unit p.49
- Repair and replacement of engine parts p.50
- Repair and replacement of engine p.50
- Chapter 4 power unit p.50
- Reassembling engine p.51
- Chapter 4 power unit p.51
- Chapter 4 power unit p.52
- Chapter 4 power unit p.53
- Chapter 4 power unit p.54
- Chapter 4 power unit p.55
- Chapter 4 power unit p.57
- Chapter 4 power unit p.58
- Chapter 4 power unit p.59
- Chapter 4 power unit p.60
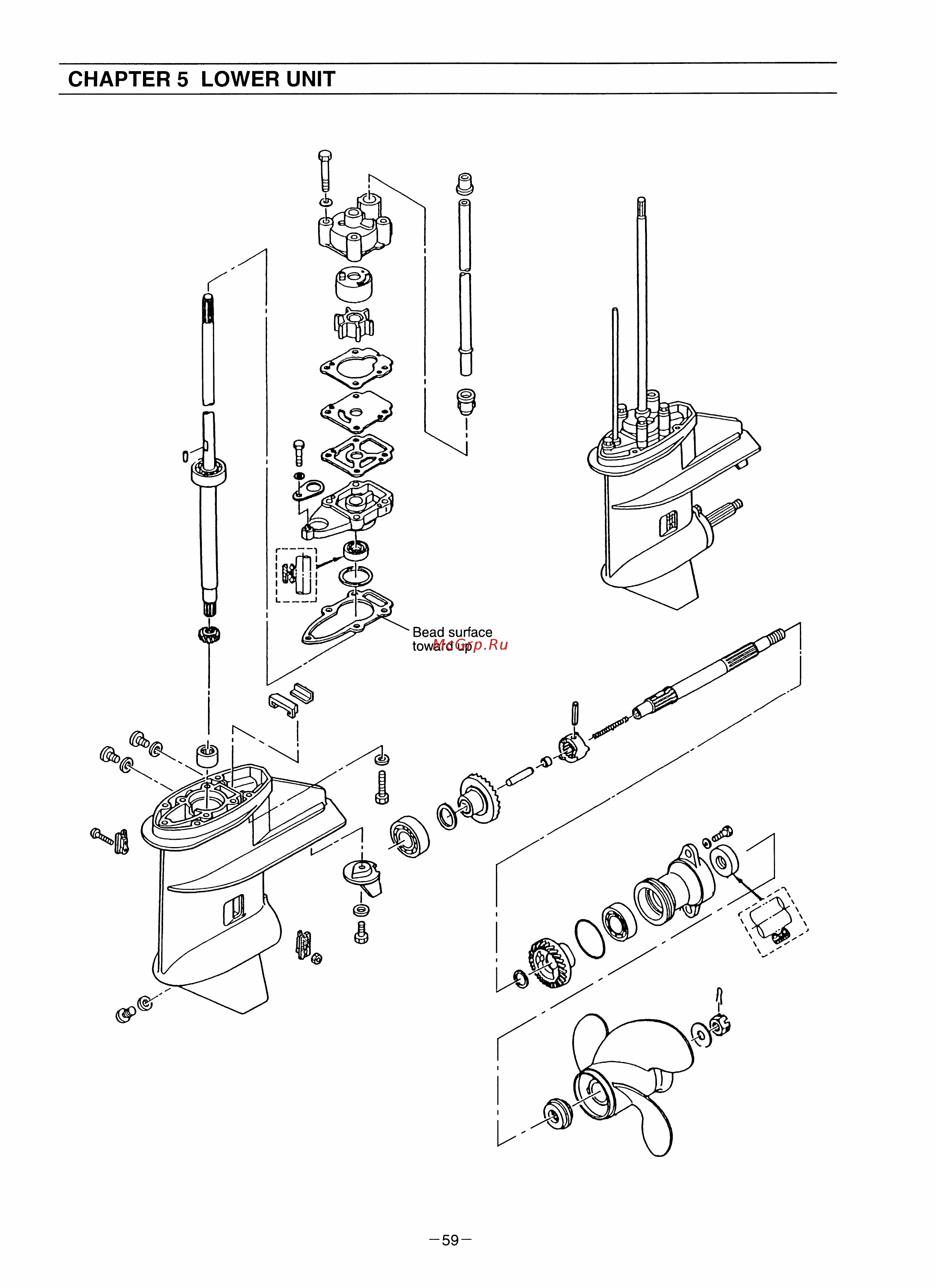
- Chapter 5 lower unit p.61
- Disassembly of gear case p.61
- Chapters lower unit p.63
- Disassembly of water pump case p.63
- Disassembly of propeller shaft and clutch p.63
- Removal of cam rod drive shaft and bevel gear p.64
- Chapter 5 lower unit p.64
- Chapters lower unit p.65
- Installation of clutch cam and cam rod p.66
- Installation of bevel gear and driveshaft p.66
- Gear case assembly p.66
- Chapters lower unit p.66
- Chapters lower unit p.67
- Assembly of water pump case p.67
- Chapters lower unit p.68
- Assembly of propeller shaft and clutch p.68
- Standards for oil seals and o rings for gear case p.69
- Installation of gear case p.69
- Chapter 5 lower unit p.69
- Chapter 6 recoil starter p.71
- Recoil starter starter lock p.71
- Chapters recoil starter p.71
- Reassembling p.72
- Disassembling p.72
- Chapters recoil starter p.72
- Inspection p.73
- Chapters recoil starter p.73
- Chapter 7 carburetor and fuel pump p.74
- Carburetor p.74
- A caution p.74
- Fuel pump p.75
- Chapter 7 carburetor and fuel pump p.75
- A caution p.75
- Chapter 8 oil pump p.76
- Component parts p.76
- Rec reg p.77
- Chapter 9 electrical system p.77
- Wire caldr p.77
- White yellow light green black with red tracer red with white tracer white with red tracer p.77
- White yellow light green black with red p.77
- W r w r p.77
- W r v r p.77
- Tracer p.77
- Red with white tracer white with red tracer p.77
- Or orange p.77
- Note including optional parts in the diagram p.77
- Mf type p.77
- Lg____lg p.77
- Lg b r r w w r p.77
- В black lue rown reen p.77
- Ef type p.77
- В black l blue bt brown g green grange p.77
- Wiring diagram p.77
- Br w brown with white tracer p.77
- Inspection p.78
- Ep type p.78
- Chapter 9 electrical system p.78
- Condition of the above measurement hioki 3030 tester was used with the measurement range of 1 kq p.79
- Chapter 9 electrical system p.79
- Tolerance of resistance 20 p.79
- The values shown in the above table are just standards and it is impossible to check each value accurately p.79
- Tester s positive terminals p.79
- Tester s negative terminals p.79
- Since the value marked with con is the capacitor characteristic the tester reads a stable value shown in parentheses p.79
- Oo marked with con indicates a minute value because the tester pointer shakes a little for this item p.79
- Before measuring the item marked with con make a shortcircuit between the ignition terminal and earth terminal p.79
- After the tester pointer shakes once p.79
- Chapter 9 electrical system p.80
- Chapter 9 electrical system p.81
- Ф c d unit 2 rectifier fuse cord chock solenoid starter solenoid stop switch p.81
- Ep type cable harness wiring diagram p.81
- Test tank and test propeller p.82
- Inspection p.82
- Chapter 10 test run and inspection p.82
- Idle speed and stable idling p.83
- Extraordinary noise p.83
- Engine speed at acceleration and deceleration p.83
- Cooling water discharge condition cooling water must vigorously be discharged from the water inspection p.83
- While idling the engine check the following items p.83
- Cooling water and or oil leak from parts joined spots of the engine p.83
- When any of the piston piston ring piston pin crank shaft connecting rod cylinder cam shaft rocker arm p.83
- Check the tightening condition of respective bolts and nuts after test run and additionally tighten them with the p.83
- Specified tightening torque p.83
- Chapter 10 test run and inspection p.83
- Operation of the stop switch p.83
- Break in period 10 hours p.83
- Operation of the clutch p.83
- Break in p.83
- On the lamp goes on when the lead wire of the oil pressure switch is grounded to the body p.83
- Additional tightening after test run p.83
- On off operation of the engine oil warning lamp p.83
- Off the lamp goes out as the engine starts p.83
- Note perform a break in of the engine according to the following standards p.83
- Items to be checked during test run p.83
- Inlet exhaust valve etc is replaced perform a break in of the engine for fitting the sliding surfaces p.83
- Fuel leak from parts joined spots of the engine p.83
- Tomatsu corporation p.84
- Back cover p.84
Похожие устройства
-
Tohatsu MFS 40Инструкция по эксплуатации -
Tohatsu MFS 30Сервис Мануал -
Tohatsu MFS 30Каталог запчастей -
Tohatsu MFS 30Инструкция по эксплуатации -
Tohatsu MFS 30Схема электропроводки -
Tohatsu MFS 25Сервис Мануал -
Tohatsu MFS 25Каталог запчастей -
Tohatsu MFS 25Схема электропроводки -
Tohatsu MFS 25Инструкция по эксплуатации -
Tohatsu MFS 20Каталог запчастей -
Tohatsu MFS 20Схема электропроводки -
Tohatsu MFS 20Инструкция по эксплуатации
CHAPTER 5 LOWER UNIT 59
![Tohatsu MFS 9.8 A3 Сервис Мануал онлайн [62/84] 202306](/views2/1240925/page62/bg3e.png)