Brother KE-430FX [24/68] Ke 430f be 438f 401
![Brother KE-430FX [24/68] Ke 430f be 438f 401](/views2/1497382/page24/bg18.png)
19
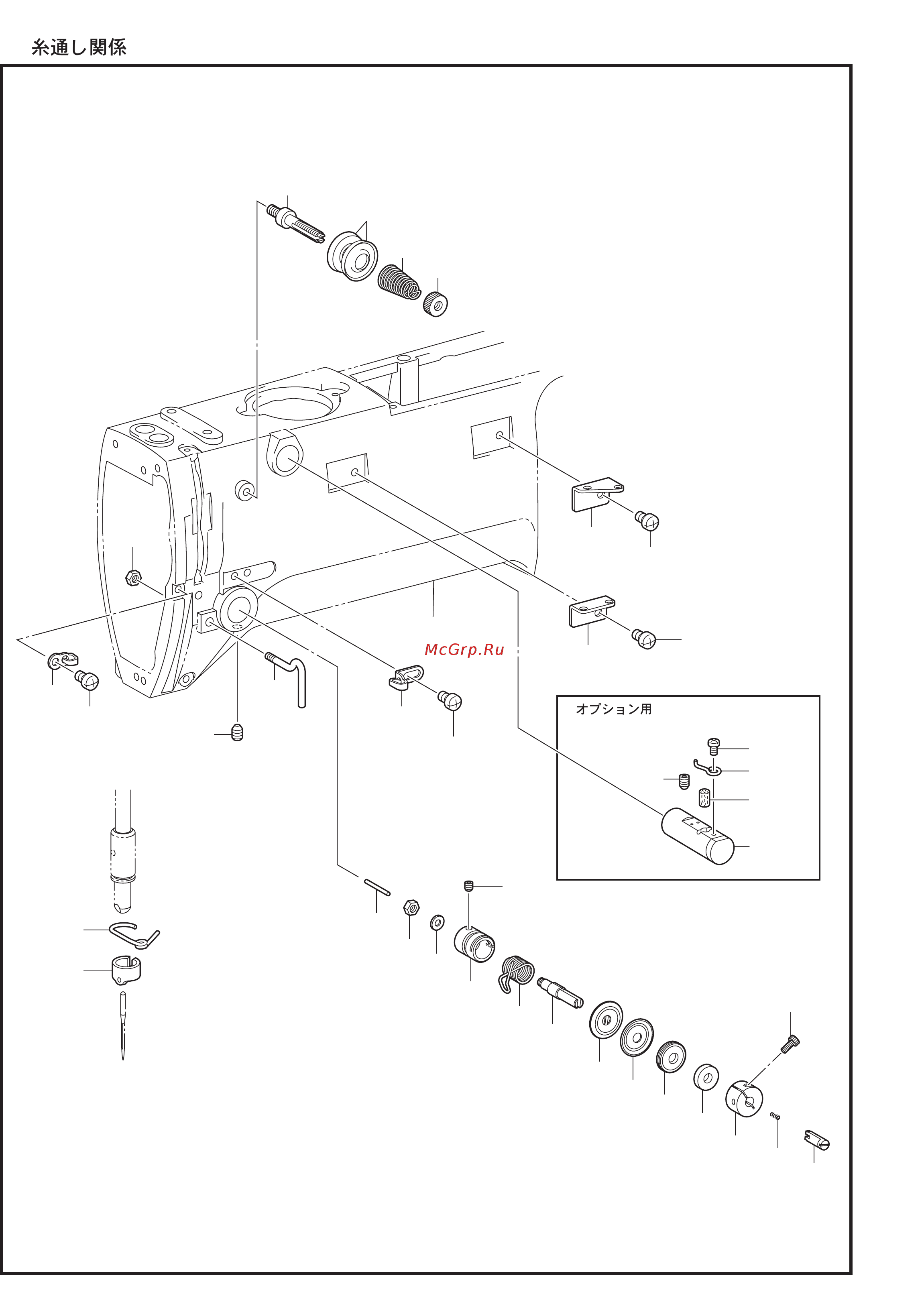
H. / Threading mechanism
REF.NO CODE Q'TY NAME OF PARTS RM
1 SA3250001 1
A
RM THREAD GUIDE,
A
2 062500616 4 SCREW PAN M5X6
3 SA4333001 1
A
RM THREAD GUIDE,B
4 SA6391001 1
A
RM THREAD GUIDE C
5 SB1086001 1
A
RM THREAD GUIDE D
6+ P.53 1
THREAD TAKE-UP SPRING
7 SB1084001 1
DT TENSION STUD
8 SB1088001 1 SET COLLAR DT
9 SB1180001 1
SHAFT
10 SB1181001 1 DT CUSHION
11 SA6190001 1 DISC DT
12 SB1267001 1
COIL SPRING
13 145446001 1 DISC, TENSION
14 SB1281001 1 TAPER DISC PRESSE
R
15 018301036 1
BOLT SOCKET M3X10
16 SB1182001 1
TENSION BRACKET ASS
Y
17 012400436 1 SET SCREW SOCKET (FT) M4X4
18 021500316 1 NUT 3 M5
19 153484001 1
WASHER, PLAIN 4.76
20 SA4143001 1
SET SCREW, (FT) M6X6
21 SA3256001 1
TENSION STUD
A
22 100136001 1 TENSION NUT
23 SA4146101 1
SUB TENSION SPRING
24 145446001 2 DISC, TENSION
25 SB1087001 1 THREAD GUIDE ARM
26 021400306 1 NUT 3 M4
27 SB1058001 1
N-BAR BUSH THREAD GUIDE D
28 SB1085001 1
TENSION RELEASE PIN
29+ P.54 1
NEEDLE BAR THREAD GUIDE
<OPTION PARTS>
30 152881101 1 NEEDLE COOLER ASS
Y
31 012060636 1 SET SCREW SOCKET (FT) M6X6
32 152883000 1 FELT, 8X15.5
33 152884001 1 NEEDLE COOLER THREAD GUIDE
34 062670412 1 SCREW PAN SM3.57-40X4
KE-430F/BE-438F-401
20
19
KE-430F/BE-438F-401
H . / Threading mechanism
< / Option parts >
27
31
32
2
2
21
24
23
22
12
15
2
2
3
4
7
10
11
14
13
16
19
28
18
8
9
25
1
5
33
34
30
20
17
26
6
+
29
+
Содержание
- Ke 430f be 438f p.1
- Parts book p.1
- Electronic direct drive lockstitch bar tacker electronic direct drive lockstitch button sewer p.1
- Ke 430f 00 p.2
- Brother industries ltd p.2
- Be 438f p.2
- Ke 430f 00 p.3
- Electronic direct drive lockstitch button sewer p.3
- Electronic direct drive lockstitch bar tacker p.3
- Description of model plate p.3
- Brother industries ltd p.3
- Be 438f p.3
- Notes for using this parts book p.5
- Contents p.5
- Ke 430f be 438f 050 p.6
- A machine body p.6
- A machine body p.7
- Ke 430f be 438f 123 p.8
- B upper shaft and needle bar mechanism p.8
- B upper shaft and needle bar mechanism p.9
- Ke 430f be 438f 123 p.10
- B upper shaft and needle bar mechanism p.10
- B upper shaft and needle bar mechanism p.11
- Ke 430f be 438f 202 p.12
- C feed mechanism p.12
- 18 19 20 p.12
- C feed mechanism p.13
- C feed mechanism p.14
- C feed mechanism p.15
- Work clamp lifte p.16
- Mechanism p.16
- Ke 430f be 438f 204 p.16
- D work clamp lifter mechanism p.16
- D work clamp lifter mechanism p.17
- E button clamp mechanism be 438f p.18
- E be 438f button clamp mechanism be 438f p.18
- Be 438f 214 p.18
- 47 23 46 p.18
- E be 438f button clamp mechanism be 438f p.19
- Ke 430f be 438f 305 p.20
- F lower shaft mechanism p.20
- 25 58 59 p.20
- F lower shaft mechanism p.21
- G lubrication p.22
- Ke 430f be 438f 350 p.22
- G lubrication p.23
- Ke 430f be 438f 401 p.24
- H threading mechanism p.24
- H threading mechanism p.25
- Ke 430f be 438f 402 p.26
- J bobbin winder mechanism p.26
- J bobbin winder mechanism p.27
- K thread trimmer mechanism p.28
- Ke 430f be 438f 403 p.28
- 72 69 71 p.28
- 45 46 49 p.28
- K thread trimmer mechanism p.29
- K thread trimmer mechanism p.30
- K thread trimmer mechanism p.31
- Ke 430f be 438f 405 p.32
- L thread wiper mechanism p.32
- L thread wiper mechanism p.33
- M tension release mechanism p.34
- Ke 430f be 438f 406 p.34
- M tension release mechanism p.35
- N thread nipper mechanism p.36
- Ke 430f be 438f 409 p.36
- 25 23 21 22 p.36
- N thread nipper mechanism p.37
- P1 control box mechanism p.38
- Ke 430f be 438f 502 p.38
- P1 control box mechanism p.39
- P2 control box mechanism p.40
- Ke 430f be 438f 502 p.40
- P2 control box mechanism p.41
- Ke 430f 03 0k 0f p.42
- Q power supply equipment mechanism p.42
- Ke 430f be 438f 515 p.42
- Q power supply equipment mechanism p.43
- R operation panel mechanism p.44
- Ke 430f be 438f 530 p.44
- R operation panel mechanism p.45
- S motor mechanism p.46
- Ke 430f be 438f 650 p.46
- S motor mechanism p.47
- T foot switch pedal mechanism option parts p.48
- Ke 430f be 438f 651 p.48
- T foot switch pedal mechanism option parts p.49
- U1 be 438f auxiliary device option parts for be 438f p.50
- U1 auxiliary device option parts for be 438f p.50
- Be 438f 944 p.50
- U1 be 438f auxiliary device option parts for be 438f p.51
- U2 be 438f auxiliary device option parts for be 438f p.52
- U2 auxiliary device option parts for be 438f p.52
- Be 438f 944 p.52
- U2 be 438f auxiliary device option parts for be 438f p.53
- Z accessories p.54
- Ke 430f be 438f 910 p.54
- Z accessories p.55
- Wa warning labels p.56
- Wa warning labels p.57
- Ke 430f be 438f sp p.58
- Ke 430 p.58
- In the following table parts marked with are common with the ke 430d electronic lockstitch tacker p.58
- In the following table parts marked with are common with the bas 311g electronic program lock stitcher p.58
- Be 438d electronic lockstitch button sewer p.58
- Be 438 p.58
- Bas 311 p.58
- The following are standard gauge parts according to each specification p.58
- The actual sewing area has 1 mm margin on every size inside the lines which the dimensions indicate p.58
- Standard sizes for work clamps and feed plates are as follows p.58
- Sp ke 430f be 438f different parts list ke 430f be 438f p.58
- Sp different parts list p.58
- The actual sewing area has 1 mm margin on every size inside the lines which the dimensions indicate p.59
- Standard sizes for work clamps and feed plates are as follows p.59
- Sp ke 430f be 438f different parts list ke 430f be 438f p.59
- Ke 430f be 438f sp p.59
- Ke 430 p.59
- In the following table parts marked with are common with the ke 430d electronic lockstitch tacker p.59
- Be 438d electronic lockstitch button sewer p.59
- Be 438 p.59
- Ke 430d p.60
- Ga ke 430f gauge parts list ke 430f p.60
- Ga gauge parts list p.60
- As for the parts of part codes marked wit p.60
- Please order two pieces for each part as a right and left pair p.60
- Ke 430f be 438f ga p.60
- Please order two pieces for each part as a right and left pair p.61
- Ke 430f be 438f ga p.61
- Ga ke 430f gauge parts list ke 430f p.61
- As for the parts of part codes marked wit p.61
- Please order two pieces for each part as a right and left pair p.62
- Ke 430f for specially orderd ke 430f p.62
- Ke 430f be 438f ga p.62
- Ga ke 430f gauge parts list ke 430f p.62
- Ga ke 430f be 438f gauge parts list ke 430f be 438f p.62
- For other needle hole plate p.62
- Button clamp spacer p.62
- Be 438f option parts be 438f p.62
- As for the parts of part codes marked wit p.62
- Please order two pieces for each part as a right and left pair p.63
- Ke 430f for specially orderd ke 430f p.63
- Ke 430f be 438f ga p.63
- Ga ke 430f be 438f gauge parts list ke 430f be 438f p.63
- For other needle hole plate p.63
- Button clamp spacer p.63
- Be 438f option parts be 438f p.63
- As for the parts of part codes marked wit p.63
- Ref no ref no ref no ref no p.64
- Ref no ref no ref no ref no p.65
- Ref no ref no ref no ref no p.66
- Ref no ref no ref no ref no p.67
- Parts book p.68
- Back cover p.68
Похожие устройства
-
Brother KE-430HX NEXIOКаталог запчастей -
Brother KE-430HX NEXIOРуководство по эксплуатации -
Brother KE-430HS NEXIOКаталог запчастей -
Brother KE-430HS NEXIOРуководство по эксплуатации -
Brother KE-430FXРуководство по эксплуатации -
Juki LK-1900BNSSИнструкция по эксплуатации -
Juki LK-1900SSSИнструкция по эксплуатации -
Golden Wheel CS-8150HКаталог запчастей -
Golden Wheel CS-8150HРуководство по эксплуатации -
Golden Wheel CS-8150Руководство по эксплуатации -
Golden Wheel CS-8150Каталог запчастей -
Aurora A-1906Инструкция к блоку упрапвления