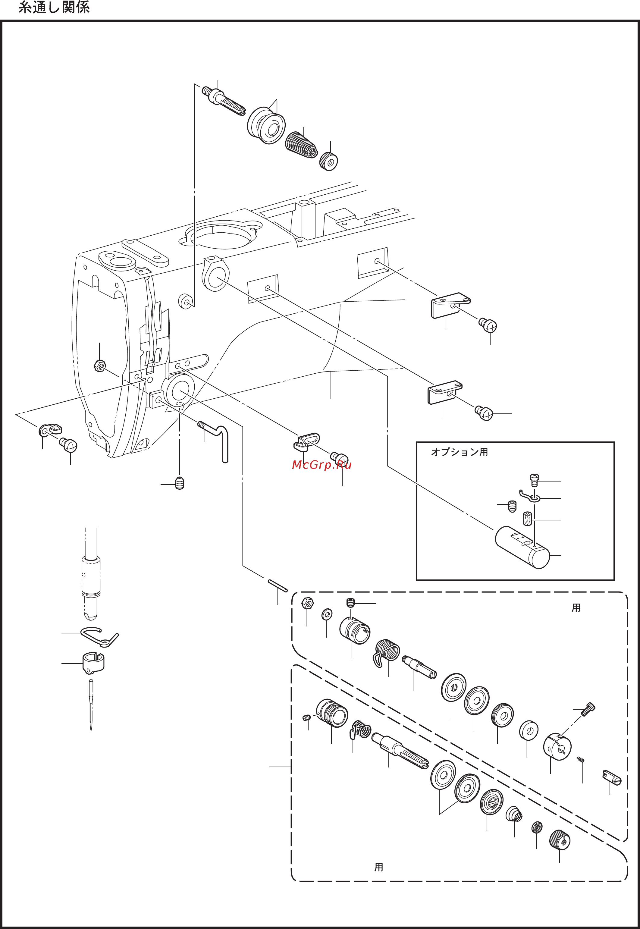
Brother KE-430HS NEXIO [26/65] H threading mechanism
![Brother BE-438HS NEXIO [26/65] H threading mechanism](/views2/1497385/page26/bg1a.png)
21
21
KE-430HX, 430HS/BE-438HX-401
H. / Threading mechanism
< / Option parts >
< KE-
430HX,BE-
438HX
/ For KE-
430HX,BE-
438HX >
< KE-
430HS
/ For KE-
430HS >
27
40
15
41
2
2
21
24
23
22
12
2
2
3
4
7
10
14
11
13
16
19
28
18
8
9
25
1
5
42
43
39
17
26
6
+
29
+
37
+
20
+
33
32
34
6
+
38
+
35
36
30
31
Содержание
- パーツブック parts book p.1
- 本縫ダイレクトドライブ電子閂止ミシン 本縫ダイレクトドライブ電子ボタン付けミシン p.1
- Ke 430hx ke 430hs be 438hx p.1
- Electronic direct drive lockstitch bar tacker electronic direct drive lockstitch button sewer p.1
- Ke 430hx 00 p.2
- Ke 430hs 00 p.2
- Be 438hx p.2
- Description of model plate p.2
- Brother industries ltd p.2
- Ke 430hx 00 p.3
- Ke 430hs 00 p.3
- Electronic direct drive lockstitch button sewer p.3
- Electronic direct drive lockstitch bar tacker minimum lubrication type p.3
- Electronic direct drive lockstitch bar tacker p.3
- Description of model plate p.3
- Be 438hx p.3
- 目 次 p.4
- パーツブックご利用に際して p.4
- Notes for using this parts book p.4
- Notes for using this parts book p.5
- Contents p.5
- A machine body p.6
- A 主体関係 machine body p.7
- B upper shaft and needle bar mechanism p.8
- B 上軸 針棒関係 upper shaft and needle bar mechanism p.9
- B upper shaft and needle bar mechanism p.10
- B 上軸 針棒関係 upper shaft and needle bar mechanism p.11
- C1 feed mechanism p.12
- C1 送り関係 feed mechanism p.13
- C1 feed mechanism p.14
- C1 送り関係 feed mechanism p.15
- C2 feed mechanism option parts p.16
- シメネジ4x8 オサエアシw アナボルト437 40x5 p.17
- C2 送り関係 オプション部品 feed mechanism option parts p.17
- 50x40セット p.17
- Mechanism p.18
- D work clamp lifter mechanism p.18
- Work clamp lifte p.18
- D 押え上げ関係 work clamp lifter mechanism p.19
- E button clamp mechanism p.20
- E ボタンつかみ button clamp mechanism p.21
- F lower shaft mechanism p.22
- F 下軸関係 lower shaft mechanism p.23
- G lubrication p.24
- G 給油潤滑関係 lubrication p.25
- H threading mechanism p.26
- H 糸通し関係 threading mechanism p.27
- J bobbin winder mechanism p.28
- J 糸巻関係 bobbin winder mechanism p.29
- K thread trimmer mechanism p.30
- K 糸切り関係 thread trimmer mechanism p.31
- L thread wiper mechanism p.32
- L 糸払い関係 thread wiper mechanism p.33
- M tension release mechanism p.34
- M 糸ゆるめ関係 tension release mechanism p.35
- N thread nipper mechanism for ke 430hx 3 k 1 p.36
- N ke 430hx 3 k 1 thread nipper mechanism for ke 430hx 3 k 1 p.36
- N 糸つかみ関係 ke 430hx p.37
- 1 用 thread nipper mechanism for ke 430hx p.37
- P1 control box p.38
- P1 コントロールボックス関係 control box p.39
- P2 control box p.40
- P2 コントロールボックス関係 control box p.41
- Q power supply equipment and motor mechanism p.42
- Q 電装品 モーター関係 power supply equipment and motor mechanism p.43
- R operation panel p.44
- R 操作パネル関係 operation panel p.45
- S foot switch pedal mechanism option parts p.46
- S 踏板関係 オプション部品 foot switch pedal mechanism option parts p.47
- T be 438h auxiliary device option parts for be 438h p.48
- T auxiliary device option parts for be 438h p.48
- T 補助装置関係 be 438h 用オプション部品 auxiliary device option parts for be 438h p.49
- Z accessories p.50
- Z 付属品関係 accessories p.51
- Z accessories p.52
- Z 付属品関係 accessories p.53
- Wa warning labels p.54
- Sp different parts list ke 430hx ke 430hs be 438hx p.56
- Ke 430hx ke 430hs be 438hx different parts list ke 430hx ke 430hs be 438hx p.56
- Standard sizes for work clamps and feed plates are as follows the actual sewing area has 1 mm margin on every size inside the lines which the dimensions indicate p.57
- Ke 430hx ke 430hs be 438hx different parts list ke 430hx ke 430hs be 438hx p.57
- Ke 430hx 430hs be 438hx sp p.57
- Ke 430hx 430hs ga p.58
- Ga ke 430hx ke 430hs gauge parts list ke 430hx ke 430hs p.58
- Ga gauge parts list ke 430hx ke 430hs p.58
- Please order two pieces for each part as a right and left pair p.59
- Ke 430hx 430hs ga p.59
- Ga ke 430hx ke 430hs gauge parts list ke 430hx ke 430hs p.59
- As for the parts of part codes marked wit p.59
- Ke 430hx ke 430hs be 438hx gauge parts list ke 430hx ke 430hs be 438hx p.60
- 索引 index p.61
- Ref no ref no ref no ref no p.61
- 索引 index p.62
- Ref no ref no ref no ref no p.62
- 索引 index p.63
- Ref no ref no ref no ref no p.63
- 索引 index p.64
- Ref no ref no ref no ref no p.64
- Back cover p.64
- パーツブック parts book p.65
Похожие устройства
-
Brother KE-430HX NEXIOКаталог запчастей -
Brother KE-430HX NEXIOРуководство по эксплуатации -
Brother KE-430HS NEXIOРуководство по эксплуатации -
Brother KE-430FXРуководство по эксплуатации -
Brother KE-430FXКаталог запчастей -
Juki LK-1900BNSSИнструкция по эксплуатации -
Juki LK-1900SSSИнструкция по эксплуатации -
Golden Wheel CS-8150HКаталог запчастей -
Golden Wheel CS-8150HРуководство по эксплуатации -
Golden Wheel CS-8150Руководство по эксплуатации -
Golden Wheel CS-8150Каталог запчастей -
Aurora A-1906Инструкция к блоку упрапвления