Brother HE-800B-02 — правила установки швейной машины для безопасной работы [13/106]
![Brother HE-800B-02 [13/106] Установка 3 установка](/views2/1497394/page13/bgd.png)
13
3. Установка
3. Установка
ВНИМАНИЕ
Установка машины должна осуществляться
только квалифицированным персоналом.
Все проводы должны крепиться на расстоянии
как минимум 25 мм от расположения
подвижных частей машины. Кроме того,
перегибать провода или закреплять их с
натяжкой при помощи крепежных скоб –
запрещено, так как существует риск
возгорания или повреждения электрическим
током.
Для выполнения каких-либо работ по
электрической части, необходимо обратиться к
дилеру компании Brother или
квалифицированному электрику.
Масса швейной машины составляет
приблизительно 56 кг. Установку машины
необходимо производить силами двух или более
человек.
Убедитесь, что вы выполнили заземление.
Если заземление не было выполнено,
существует потенциально высокий уровень
риска получения удара электрическим током, а
также проблем с работоспособностью машины.
Подключать шнур питание запрещено, если
установка не была выполнена полностью; в
противном случае при случайном нажатии
ножного переключателя, машина может
включиться, что в свою очередь может привести
к травме.
Установите защитные устройства на головку
машины и электродвигатель.
При наклоне или установке головки машины в
исходное положение, ее необходимо удерживать
двумя руками. В противном случае головка
может выскользнуть из рук и травмировать вас.
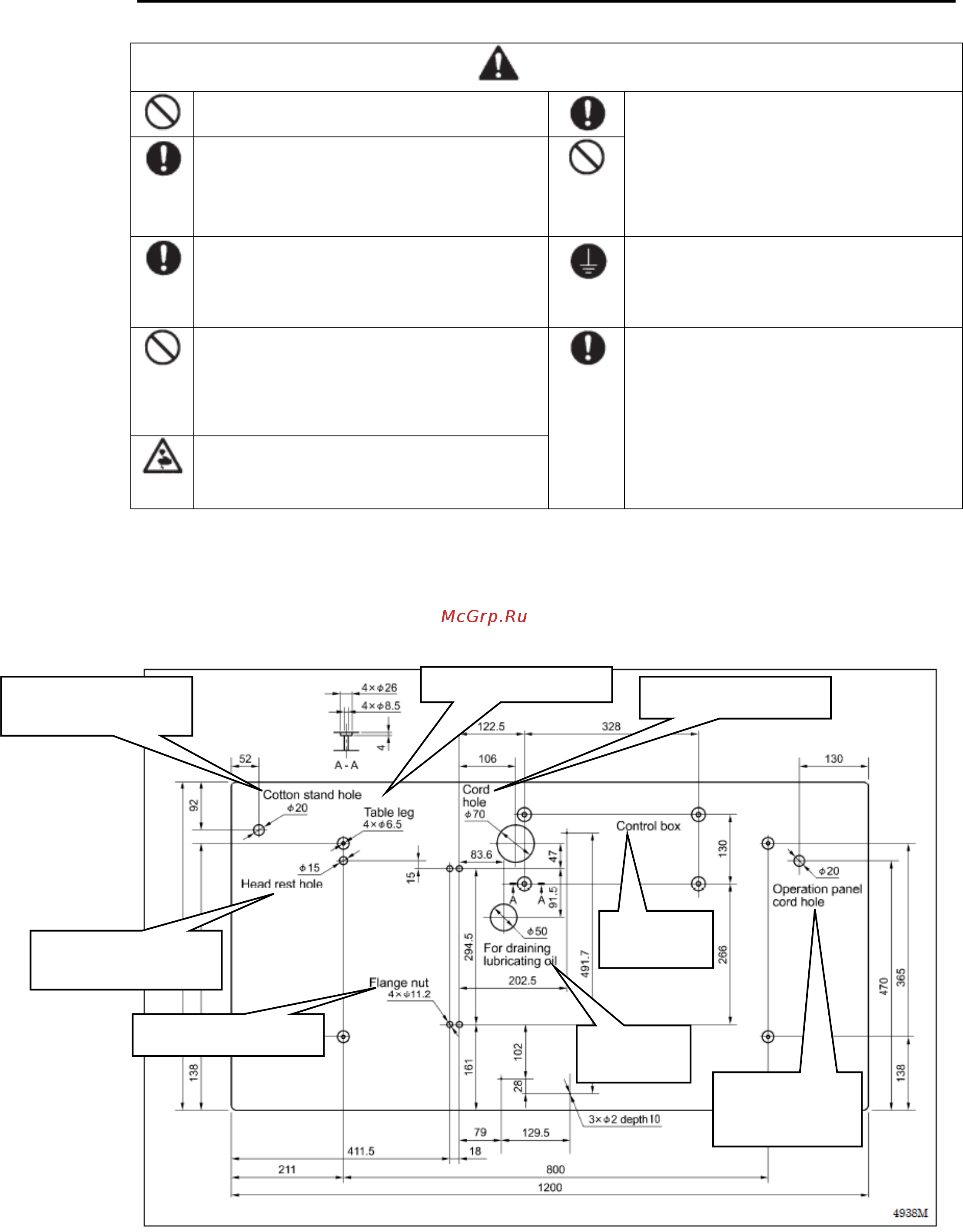
3-1 Компоновочная схема стола машины
- Толщина стола должна составлять как минимум 40 мм; поверхность стола должна быть достаточно прочной, чтобы
выдержать вес и вибрационные нагрузки машины в режиме работы;
- Убедитесь, что блок управления расположен как минимум на расстоянии 10 мм от ножки стола. Если блок управления
расположен слишком близко к ножке стола, это может негативно отразиться на работоспособности машины.
Отверстие под
катушечную стойку
Отверстие установки
головки
Гайка с буртиком
Ножка стола
Отверстие под кабель
Блок
управления
Отверстие под
кабель панели
управления
Для слива
масла
Содержание
- Руководство по эксплуатации p.1
- He 800b p.1
- Инструкции по технике безопасности p.4
- Предупредительная маркировка p.6
- Изменение настроек счетчика готовых изделий p.8
- Настойка переключающих устройств с блоком памяти пубп p.8
- Перечень настроек пубп p.8
- Содержание p.8
- Сброс данных инициализация p.8
- Изменение настроек счетчика нижней нити p.8
- Установка 3 установка p.13
- 1 установка блока управления p.14
- Установка p.14
- Установка p.16
- 6 установка упора головки машины p.16
- Петли p.19
- Плата ножа прорезки p.19
- Установка p.19
- Установка p.20
- При первой установке машины и после длительного простоя перед началом работы необходимо снять шпульку и капнуть 2 3 капли масла в склиз батана челнока 1 p.25
- 14 3 смазка вращающегося челнока p.25
- 15 подключение кабеля питания p.25
- Подготовка к работе p.33
- 3 намотка нижней нити p.33
- Запрещается прикасаться к подвижным частям или оказывать на машину какое либо физическое воздействие в режиме намотки нижней нити так как это может травмировать вас или повредить оборудование p.33
- Внимание p.33
- Подготовка к работе p.35
- Подготовка к работе p.36
- Эксплуатация швейной машины панель управления основные функции p.45
- Эксплуатация швейной машины панель управления основные функции p.46
- Эксплуатация швейной машины панель управления основные функции p.47
- Эксплуатация швейной машины панель управления основные функции p.48
- Обметочный p.49
- Эксплуатация швейной машины панель управления основные функции p.49
- Бисерный p.49
- Нажмите кнопку copy машина переключиться в режим копирования программ p.54
- Эксплуатация швейной машины панель управления основные функции p.54
- Выберите номер программы назначения копирования 2 p.54
- Выберите номер программы источника копирования 1 p.54
- 8 копирование программ 5 8 копирование программ для создания программы с параметрами практически аналогичными параметрам другой программы вы можете используя функцию копирования оригинальной программы с внесением в нее частичных изменений 1 нажмите одну из нижеперечисленных кнопок вы можете нажать одну из нижеперечисленных кнопок p.54
- Установите педаль нажатием во 2 положение с p.58
- Примечание при нажатии кнопки reset в процессе пробной подачи или по завершению данного процесса игольная планка и рабочий прижим определят исходное положение и вернуться в положение начала процесса шитья p.58
- Эксплуатация швейной машины режим шитья p.58
- Причиной нарушения штатного режима работы машины может быть например неправильная настройка p.66
- Зажав reset установите сетевой переключатель 1 в положение on вкл p.66
- Выход из режима инициализации p.66
- Выполнение инициализации p.66
- Выберите уровень инициализации 2 1 3 p.66
- 3 сброс данных инициализация p.66
- Эксплуатация швейной машины панель управления дополнительные функции p.66
- Уровень инициализации и сбрасываемые или инициализируемые настройки p.66
- Системы выполненная с помощью пупб в таком случае существует возможность восстановления p.66
- Нормальной работы машины способом инициализации данных настройки памяти описанным ниже p.66
- Стандартные настройки p.73
- 1 регулировка высоты игольной планки p.73
- 2 настройка синхронизации иглы и челнока p.74
- Стандартные настройки p.74
- 3 регулировка зазора между иглой и концом челнока p.75
- Стандартные настройки p.75
- 6 регулировка установки ножа прорезки петли p.76
- Стандартные настройки p.76
- Стандартные настройки p.79
- 9 настройка синхронизации зажима нижней нити 9 9 настройка синхронизации зажима нижней нити p.79
- 10 регулировка прижима шпульки p.79
- Таблица кодировки сбоев системы машины p.80
- Если в работе системы произошел сбой машина прозумирует звуковой сигнал и в окне дисплея появиться если в работе системы произошел сбой машина прозумирует звуковой сигнал и в окне дисплея появиться кодовое обозначение сбоя для устранения причины следуйте нижеописанным процедурам p.80
- Перед тем как открыть переднюю крышку блока управления необходимо после отключения питания и отсоединения шнура от розетки подождать как минимум 5 минут прикосновение к токоведущим элементам высокого напряжения может являться причиной серьезной травмы p.80
- Таблица кодировки сбоев системы машины p.81
- Таблица кодировки сбоев системы машины p.82
- Таблица кодировки сбоев системы машины p.83
- Таблица кодировки сбоев системы машины p.84
- Таблица кодировки сбоев системы машины p.85
- Диагностика и устранение неисправностей p.88
- Диагностика и устранение неисправностей p.89
- 3 неравномерные швы 1 в начале процесса шитья 11 3 неравномерные швы 1 в начале процесса шитья позиции с обозначением в графе страница обслуживаются только квалифицированным персоналом p.89
- Диагностика и устранение неисправностей p.90
- 5 неравномерные швы 2 шов поднимается вверх в начале процесса шитья шов поднимается вверх и не натягивается в начале процесса шитья позиции с обозначением в графе страница обслуживаются только квалифицированным персоналом p.90
- 4 неравномерные швы 2 подъем нижней иглы в начале процесса шитья 11 4 неравномерные швы 2 подъем нижней иглы в начале процесса шитья конец нижней нити выступает над швом в начале процесса шитья позиции с обозначением в графе страница обслуживаются только квалифицированным персоналом p.90
- 7 неравномерные швы 5 недостаточное закругление швов позиции с обозначением в графе страница обслуживаются только квалифицированным персоналом p.91
- 6 неравномерные швы 4 неравномерный шаг прокладки стежков в начале процесса шитья 11 6 неравномерные швы 4 неравномерный шаг прокладки стежков в начале процесса шитья образование гнезд в начале процесса шитья и через 5 6 мм следует увеличение шага прокладки стежков позиции с обозначением в графе страница обслуживаются только квалифицированным персоналом p.91
- Диагностика и устранение неисправностей p.91
- 9 неравномерные швы 7 свисание конца нити на конце закрепки p.91
- 8 неравномерные швы 6 вокруг задней или передней закрепки позиции с обозначением в графе страница обслуживаются только квалифицированным персоналом p.91
- Диагностика и устранение неисправностей p.92
- 11 неравномерные швы 9 застревание в игольной пластине участки передней и задней закрепки материала застревают в игольном отверстии позиции с обозначением в графе страница обслуживаются только квалифицированным персоналом p.92
- 10 11 10 неравномерные швы 8 выход нити на конце закрепки позиции с обозначением в графе страница обслуживаются только квалифицированным персоналом p.92
- Продолжение на следующей странице p.94
- Диагностика и устранение неисправностей p.94
- 13 11 13 выбег верхней нити позиции с обозначением в графе страница обслуживаются только квалифицированным персоналом p.94
- Отрегулируйте высоту игольной планки по 1 на измерительном инструменте 2 отрегулируйте синхронизацию иглы и вращающегося челнока по 2 на p.95
- Измерительном инструменте p.95
- Измерительный инструмент входит в комплект опциональных комплектующих p.95
- Диагностика и устранение неисправностей p.95
- Диагностика и устранение неисправностей p.96
- Выполните шлифовку при помощи p.96
- 14 распутывание нити обрезанной сборкой устройства обрезки верхней нити 11 14 распутывание нити обрезанной сборкой устройства обрезки верхней нити позиции с обозначением в графе страница обслуживаются только квалифицированным персоналом p.96
- Шлифовального диска или замените деформированную деталь p.96
- Диагностика и устранение неисправностей p.97
- 15 пропуск обрезки верхней нити 11 15 пропуск обрезки верхней нити позиции с обозначением в графе страница обслуживаются только квалифицированным персоналом p.97
- Продолжение на следующей страницы p.98
- Диагностика и устранение неисправностей p.98
- 16 биение иглы об устройство обрезки верхней нити 11 16 биение иглы об устройство обрезки верхней нити позиции с обозначением в графе страница обслуживаются только квалифицированным персоналом p.98
- Диагностика и устранение неисправностей p.99
- 17 облом иглы позиции с обозначением в графе страница обслуживаются только квалифицированным персоналом p.99
- Диагностика и устранение неисправностей p.100
- 19 ножа не возвращается позиции с обозначением в графе страница обслуживаются только квалифицированным персоналом p.100
- 18 некорректная работа ножа некорректная прорезка материала 11 18 некорректная работа ножа некорректная прорезка материала позиции с обозначением в графе страница обслуживаются только квалифицированным персоналом p.100
- Диагностика и устранение неисправностей p.101
- 21 обрезка шва позиции с обозначением в графе страница обслуживаются только квалифицированным персоналом p.101
- 20 соприкосновение ножа и устройства обрезки верхней нити 11 20 соприкосновение ножа и устройства обрезки верхней нити позиции с обозначением в графе страница обслуживаются только квалифицированным персоналом p.101
- 23 рабочий прижим не поднимается 1 работа шагового электродвигателя не слышна позиции с обозначением в графе страница обслуживаются только квалифицированным персоналом p.102
- 22 пропуск намотки верхней нити 11 22 пропуск намотки верхней нити позиции с обозначением в графе страница обслуживаются только квалифицированным персоналом p.102
- Диагностика и устранение неисправностей p.102
- 24 рабочий прижим не поднимается 2 11 24 рабочий прижим не поднимается 2 слышна работа шагового электродвигателя позиции с обозначением в графе страница обслуживаются только квалифицированным персоналом p.103
- Диагностика и устранение неисправностей p.103
- Диагностика и устранение неисправностей p.104
- 26 подающий механизм не срабатывает или электродвигатель работает асинхронно позиции с обозначением в графе страница обслуживаются только квалифицированным персоналом p.104
- 25 нижняя нить не обрезается натяжка при снятии материала 11 25 нижняя нить не обрезается натяжка при снятии материала позиции с обозначением в графе страница обслуживаются только квалифицированным персоналом p.104
- Диагностика и устранение неисправностей p.105
- 30 зависание дисплея панели управления без возможности выполнения каких либо рабочих операций позиции с обозначением в графе страница обслуживаются только квалифицированным персоналом p.105
- 29 верхний вал не вращается до верхнего крайнего положения иглы позиции с обозначением в графе страница обслуживаются только квалифицированным персоналом p.105
- 28 остановка швейной машины в процессе шитья позиции с обозначением в графе страница обслуживаются только квалифицированным персоналом p.105
- 27 игла не выполняет зигзаг или выполнение зигзага сопровождается шумом 11 27 игла не выполняет зигзаг или выполнение зигзага сопровождается шумом позиции с обозначением в графе страница обслуживаются только квалифицированным персоналом p.105
Похожие устройства
-
Brother RH-9820-01/02Руководство по эксплуатации -
Brother RH-9820-01/02Каталог запчастей -
Brother HE-800B-03Руководство по эксплуатации -
Aurora А-782DИнструкция к блоку управления -
Aurora А-782DИнструкция по эксплуатации -
Aurora А-781DИнструкция к блоку управления -
Aurora А-781DИнструкция по эксплуатации -
Golden Wheel CSH-7830Инструкция по эксплуатации -
Golden Wheel CSH-7820Инструкция по эксплуатации -
Golden Wheel CSH-7800Инструкция по эксплуатации -
Golden Wheel CSH-7800Каталог запчастей -
Aurora A-9820Руководство по эксплуатации
Установка швейной машины требует квалифицированного подхода. Узнайте о необходимых мерах безопасности, правильном подключении и требованиях к установке.