Loewe Bild 3.43 Graphite Grey (57420D81) — подключение активных громкоговорителей и усилителей к телевизору [136/204]
![Loewe Bild 3.43 Graphite Grey (57420D81) [136/204] Воспроизведение звука через hifi av усилитель](/views2/1411917/page136/bg88.png)
136
Loewe bild
Руководство пользователя
Внешние устройства
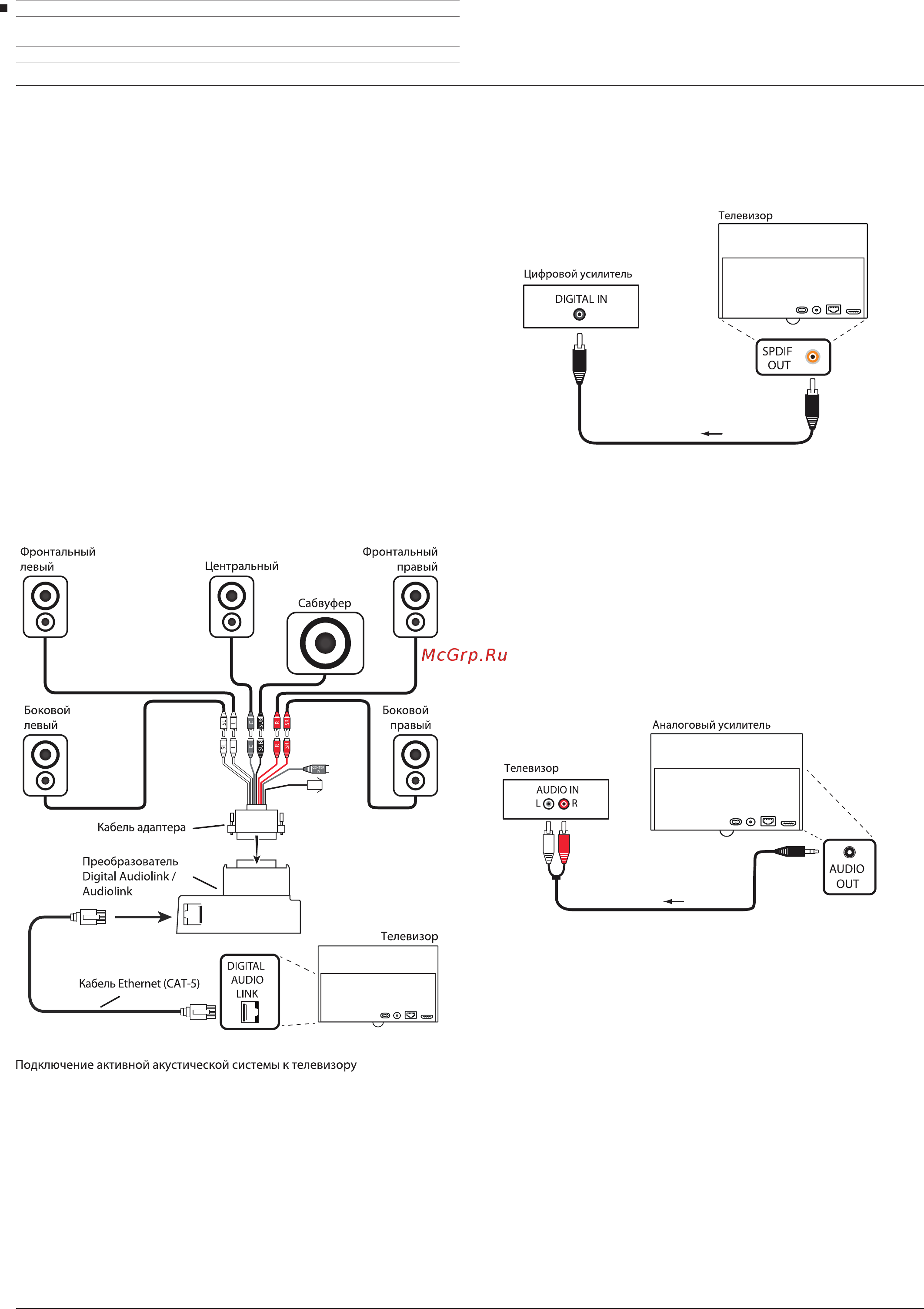
Подключение активных громкоговорителей
(1
Если вы планируете использовать активные акустические системы, то
подключите их с помощью кабеля адаптера к телевизору.
Подключите сетевой кабель (Category 5e или более) к разъему AUDIO
LINK телевизора. Подключите Ethernet кабель к разъему RJ45 опцио-
нального преобразователя Digital Audiolink / Audiolink. К другому
концу кабеля преобразователя подключите кабель Audiolink / 30cm /
9pin + 5.1 Out + Center In. Подключите контакты RCA кабеля адапте-
ра к разъемам RCA акустической системы/сабвуфера.
Контакты RCA кабеля адаптера отмечены следующим образом:
R - Фронтальный правый
L - Фронтальный левый
C - Центральный
SR - Боковой правый
SL - Боковой левый
SUB - сабвуфер
Разъемы кабеля адаптера являются выходами предусилите-
ля. Таким образом, только активные акустичсекие системы/
активные сабвуферы можно подключить с использованием
кабеля адаптера.
Воспроизведение через акустическую систему
Настройки воспроизведения звукового сигнала через активные акусти-
ческие системы доступны в мастере установке аудио компонентов (как
описано в разделе «Системные настройки» в пункте «Connections
- Sound components»).
Подключение HiFi/AV усилителя
Воспроизведение через акустическую систему
Подключите цифровой аудио выход телевизора SPDIF OUT к цифро-
вому аудио входу усилителя с помощью кабеля RCA:
Подключите цифровой предусилитель с помощью
реверсивного звукового канала (HDMI ARC).
Подключите разъем HDMI1 телевизора с помощью HDMI кабеля к разъ-
ему HDMI (пред)усилителя, совместимого с ARC (например, Loewe
MediaVision 3D). Необязательно регистрировать усилитель отдельно
от телевизора.
Подключение аналогового HiFi/AV усилителя
Подключите аналоговый аудио выход AUDIO OUT телевизора с помо-
щью RCA адаптера к аналоговому входу усилителя:
Воспроизведение звука через HiFi/AV усилитель
Настройки воспроизведения звукового сигнала через HiFi/AV усили-
тель доступны в мастере установке аудио компонентов (как описано
в разделе «Системные настройки» в пункте «Connections - Sound
components»).
(1
Наличие функции зависит от типа устройства (см. раздел «Технические характеристики» - характеристики для вашего телевизора).
Содержание
- Loewe bild p.1
- Общая информация о работе телевизора p.5
- О данном руководстве p.5
- Много функций один результат домашний кинотеатр премиум класса p.5
- Важная информация p.5
- Electric shock danger p.6
- Do not open p.6
- Attention p.6
- Транспортировка p.6
- Предупреждение p.6
- Не снимайте заднюю панель устройства p.6
- Меры предосторожности предупреждения p.6
- Кнопка p.6
- Кабель питания блок питания p.6
- Использование по назначению и окружающие условия p.6
- Установка p.7
- Инородные тела p.7
- Высокие температуры и вентиляция p.7
- Телевизоры с функцией 3d p.8
- Присмотр p.8
- Очистка и уход средства ухода p.8
- Кнопка volume p.8
- Гроза p.8
- Технические характеристики важные советы о функциях технологии oled p.9
- Расположение кнопок на пульте ду p.10
- В зависимости от выбранного рабочего режима tv video audio photo apps и функции например dr epg pip teletext hbbtv и т д назначе ния кнопок могут отличаться от описанных в этом разделе назначений см соответствующую главу руководства пользователя p.10
- Регуляторы на панели телевизор p.11
- Кнопка включения джойстика p.11
- Кнопка p p.11
- Инфракрасный передатчик p.11
- Ик приемник p.11
- Дисплей p.11
- Движение джойстика кнопки в направлении м p.11
- Движение джойстика кнопки в направлении v p.11
- Движение джойстика кнопки в направлении r p.11
- Главный выключатель p.11
- Расположение и функция разъемов p.12
- Положение доступность и количество подключений на вашем телевизоре зависят от его типа p.12
- Подробная информация о расположении и функциях разъемов для вашего типа телевизора дана в разделе технические характеристики p.12
- Подключение название функция p.12
- Фиксирование кабеля p.13
- Установка телевизора p.13
- Крепление крышек p.13
- С помощью проводного и беспроводного соединения это может привести к серьезным сбоям в работе p.14
- Про водного соединени p.14
- Пример проводного подключения p.14
- Подсоединение телевизора к домашней сети p.14
- Подключение телевизора p.14
- Подключение к источнику питания p.14
- Подключение антенн p.14
- Ни в коем случае не подключайте телевизор к одной сети p.14
- Беспроводного радио соеди нени p.14
- System settings multimedia network network settings networkin p.14
- Ant sat p.14
- Ant sa p.14
- Настройка пульта ду для управления телевизором p.15
- Установка или замена элементов питания p.15
- Снятие защиты батареек p.15
- Решение проблем конфигурации p.15
- Пример беспроводного подключения p.15
- Подготовка пульта ду p.15
- Окружающая среда информация о законах p.15
- Системные настройк p.16
- Системные настрой ки p.16
- Переключение телевизора в режим ожидания p.16
- Выключение телевизора с помощью пульта ду режим ожидания p.16
- Включения выключени p.16
- Включение телевизора с помощью пульта ду p.16
- Включение и выключение телевизора p.16
- Quick start mode режим quick start p.16
- Control quick start mode управление режим quick start p.16
- Control quick start mode p.16
- Числовых кнопок p.17
- Структура экрана мастер установки p.17
- Структура экрана визуальное отображение контента p.17
- Структура страницы меню p.17
- Пульт д p.17
- Общая информация о работе меню телевизора p.17
- Например аудиопроигрыватель p.17
- Структура экрана настройка пример картинка p.18
- Навигация мастер установки p.18
- Навигация выбор элементов пример экранное меню p.18
- Навигация выбор элементов в списках по первым буквам p.18
- System setting p.18
- Picture contras p.18
- Pictur p.18
- Contras p.18
- Ввод символов с помощью пульта ду p.19
- Таблица символов для ввода текста с помощью пульта ду p.19
- Список функций p.19
- Ввод символов с помощью экранной клавиатуры p.19
- Обозначение символов p.20
- Обозначение кнопок p.20
- Долгое нажатие кнопки info p.20
- System settings control more p.20
- Permanent clock display постоянное отображении времени p.20
- On screen display p.20
- Automatic menu info автоматическое отображение информации p.20
- Language p.21
- Extras repeat initial installation p.21
- Energy efficienc p.21
- Efficienc p.21
- Control parental lock p.21
- Control energy p.21
- Системные настройки p.21
- Си стемные настройки p.21
- Режим shop p.21
- Режим premium p.21
- Режим home дома p.21
- Порядок действий мастера начальной установки p.21
- Общая информация о меню p.21
- Начальная установка после первого включения p.21
- Мастер начальной установки p.21
- Location of tv set p.21
- Параметры настройки при выборе значения cable analog p.22
- Other country p.22
- Do not configure or configure later не выполнять конфигурацию или выполнить позже p.22
- Connect antenna cable s p.22
- Configure now выполнить конфигурацию сей час p.22
- Cable analo p.22
- Параметры настройки для приема вещания по iptv p.23
- Ip astra p.23
- Настройка dvb t вещания p.24
- Connections antenna dvb p.24
- Настройка dvb с вещания p.25
- Настройка dvb s вещания p.26
- Two antenna cable p.26
- Select satellite installatio p.26
- Satellit p.26
- Only one antenna cabl p.26
- Connect antenna cable s p.26
- Single band p.27
- Single ban p.27
- Satellite 1 satellite p.27
- Dual single ban p.27
- Dual ban p.27
- Варианты настройки спутниковых систем отдельный спутник p.27
- Варианты настройки спутниковых систем 2 спутника на коммутаторе 22 кгц 2 спутника на тональном переключателе p.27
- Настройка dvb s вещания продолжение p.28
- Варианты настройки спутниковых систем макс 4 спутника на коммутаторе diseqc p.28
- Настройка dvb s вещания продолжение p.29
- Варианты настройки спутниковых систем diseqc однокабельная общая система p.29
- Варианты настройки спутниковых систем другие общие настройки p.30
- Систем ные настройки p.31
- Настройка всех типов ве щания p.31
- Настройка dvb s вещания продолжение p.31
- Network search p.31
- Frequency searc p.31
- Extras ca module p.31
- Yes no p.32
- System settings extra p.32
- Age related loc p.32
- Настройка всех типов вещания p.32
- Использование телевизора в качестве монитора p.33
- Удаление избранного отдельно p.34
- Удаление избранного выбор нескольких объектов p.34
- Создание страницы избранного p.34
- Системные настройки p.34
- Редактирование списка избранного p.34
- Перемещение избранного объекта p.34
- Описание отдельных параметров меню p.34
- Домашняя страница home p.34
- Вызов домашней страницы p.34
- System settings p.34
- Sources p.34
- Recordings p.34
- Home view favourites домашняя страница избранное p.34
- Home tv recordings sources и apps p.34
- Описание списков каналов p.35
- Настройки уровня громкости p.35
- Изменение списка каналов p.35
- Выбор станции с помощью числовых кнопок p.35
- Выбор станции p.35
- Выбор канала из списка каналов p.35
- Выберите станцию с помощью кнопок р р p.35
- Включение и выключение звука p.35
- Tv телевизор p.35
- System settings stations station lists tv p.35
- История p.36
- Желтая кнопка p.36
- Выбор каналов станции из персонального списка p.36
- Выбор каналов из расширенного списка каналов p.36
- Unscrambled ci protected p.36
- Locked scrambled p.36
- Фильтрация и сортировка опций в расширенном списке p.36
- Ок вызов p.36
- Объяснение иконок названий следующих каналов p.36
- Общая информация p.36
- Нажмите долго кнопку ок для вызова расши ренного списка каналов p.36
- Экран состояния информационная кнопка p.37
- Объяснение символов используемых на странице состояния p.37
- System settings p.37
- Explanation p.37
- Control more on screen displays key p.37
- Список функций опции меню p.38
- Список функций для текущего канала p.38
- Список функций для выбранного из списка каналов p.38
- Меню параметров в списке функций для текущего списка каналов p.38
- Меню параметров в списке функций для текущего канала p.38
- Адаптация внешнего вида электронной программы телевещания p.39
- Электронная программа телевещания epg p.39
- Список epg функций p.39
- Параметры меню в списке функций epg p.39
- Кратко нажмите кнопку о p.39
- Использование epg p.39
- Запуск и выключение epg p.39
- Переход к времени или каналу p.40
- Переключение к текущему вещанию p.40
- Параметры меню в списке функций epg подробная информация p.40
- Ок долгое нажатие p.40
- Кратко нажмите кнопку ок p.40
- Изменение канала просмотра изображения вживую p.40
- Вызов дополнительной информации о программе p.40
- Select time statio p.40
- Memoris p.40
- Control epg p.41
- Системные настройк p.41
- Конфигурация программы epg p.41
- Кнопка record p.41
- Запоминание программы в epg p.41
- Запись программы из epg p.41
- Активация дополнительных epg сервисов p.41
- Timer dat p.41
- System settings control epg tv при выполнении записи p.41
- System settings control epg expanded info p.41
- Recording p.41
- No нет p.41
- Memoris p.41
- Третий вариант p.42
- Выбор страниц с помощью кнопок p p p.42
- Телетекст p.42
- Второй вариант p.42
- Синяя кнопка p.42
- System settings control more hbbtv function of the text key p.42
- Символ иконка p.42
- Info или back p.42
- Первый вариант p.42
- Описание символов в нижней строке страницы телетекста p.42
- Описание p.42
- Красная кнопка p.42
- Кнопка на пульте ду p.42
- Ключевые функции для операций стандартного телетекста p.42
- Зеленая кнопка p.42
- Запуск и выключение телетекста p.42
- Желтая кнопка p.42
- Дополнительные варианты выбора страницы p.42
- Долгое нажатие кнопки info p.42
- Четвертый вариант p.42
- Выбор страниц с помощью цветных кнопок p.42
- Функция end news p.43
- Newsflash p.43
- Скрыть закрыть hbbtv приложение p.44
- Открытие hbbtv приложения p.44
- Открытие hbbtv text p.44
- Красная кнопка p.44
- Завершение работы с hbbtv text p.44
- Долгое нажатие кнопки back p.44
- System settings control more hbbtv function of the text key p.44
- Mediatext p.44
- Hbbtv службы для dvb радио p.44
- Hbbtv mediatext p.44
- Выберите канал для главной картинки p.45
- System settings p.45
- Control more pi p.45
- Функции цветных кнопок p.45
- Синяя кнопка p.45
- Режим картинка в картинке pip p.45
- Непрерывное отображение да нет p.45
- Настройки pip p.45
- Изменения положения картинки в картинке p.45
- Запуск и выключение режима pip p.45
- Желтая кнопка p.45
- Выбор канала для отображения в режиме pip p.45
- Телевизор p.46
- Вращение телевизора p.46
- System settings control more rotate t p.46
- Продолжение просмотра со сдвигом во времени p.47
- Прерывание просмотра запуск вещания со сдвигом во времени p.47
- Переключение на другой канал p.47
- Возврат к реальному вещанию завершение вещания со сдвигом во времени p.47
- Экран состояния в режиме со сдвигом по времени p.47
- Установка закладок p.47
- Просмотр телевизора со сдвигом во времени p.47
- Установка закладок во время архивной записи p.48
- Синяя кнопка p.48
- Просмотр телевещания со сдвигом по времени во время архивной записи p.48
- Просмотр другой программы из архива во время архивной записи p.48
- Просмотр других каналов во время архивной записи p.48
- Постоянная запись запись одним касанием прямая запись p.48
- Последовательная запись в архив p.48
- Кнопка паузы p.48
- Кнопка остановки p.48
- Кнопка воспроизведения p.48
- Запись в архив p.48
- Желтая кнопка p.48
- Source p.48
- Функции цветных кнопок при архивации p.48
- Управляемая таймером запись p.49
- С помощью выключателя или извлекая штекер из розетки p.49
- Примеры комбинаций dvb s записи p.49
- Преждевременная остановка записи p.49
- Ни в коем случае не отключайте телевизор от сети p.49
- Мультизапись multi recording p.49
- Комбинации каналов вещания возможно информация p.49
- Выключение телевизора во время записи p.49
- Subtitles субтитры p.49
- Recording p.49
- Переход в dr архив p.50
- Ок запустите или продолжите воспроизведе ние выбранной программы p.50
- Воспроизведение материала из dr архива p.50
- Dr архи p.50
- Dr archive p.50
- Список функций dr архива p.50
- Системные на стройки пункт control parental lock p.51
- Отображение подробной информации о записи p.51
- Объяснение символов используемых в списке функций dr archive p.51
- Изменение названия архивной записи или директории p.51
- Recordings p.51
- Digital recorder перемещение архивных данных p.51
- Detailed inf p.51
- Удаление записей из архива p.52
- Перемещение данных в архиве управление папками p.52
- Перемещение архивных данных в существующую папку p.52
- Перемещение архивных данных в новую папку p.52
- Кнопка остановки p.52
- Multi select выбор нескольких объектов p.52
- Target p.53
- Copy move externa p.53
- Экспортирование данных из архива p.53
- Копирование перемещение данных из архива p.53
- Просмотр заблокированных фильмов p.54
- Настройка отмена защиты от удаления p.54
- Блокировка разблокировка родительский контроль p.54
- Parental loc p.54
- Delete protectio p.54
- Delete manager p.54
- Source p.55
- Share dr archive with other devices yes p.55
- Settings control more dr dr streaming share dr archive with other devices yes p.55
- Follow me p.55
- Follow m p.55
- Dr архи p.55
- Dr streaming p.55
- Also use other archives yes p.55
- Функция follow me p.55
- Продолжение просмотра программы на втором устройстве p.55
- Ок воспроизведение данных архива p.55
- Запустите функцию follow me на главном устройстве p.55
- Воспроизведение объектов dr архива по сети p.55
- System settings control more dr dr streaming also use other archives yes p.55
- System settings control more dr dr streaming p.55
- System p.55
- Завершение мультирумного воспроизведения p.56
- Адаптация названий телевизора p.56
- System setting p.56
- Multiroom t p.56
- Multiroom playback мультирумное воспроизведение p.56
- Multiroom bluetooth music player p.56
- Multimedia network network settings wake on lan wifi p.56
- Confir p.56
- Мультирум multiroom p.56
- Таймер p.57
- Описание вариантов настройки в меню timer data standard settings p.57
- Ок вызов p.57
- Объяснение символов используемых в списке таймера p.57
- Ни в коем случае не отключайте телевизор от сети с помощью выключателя или извлекая штекер из розетки p.57
- Вызов меню таймера p.57
- Ввод данных таймера p.57
- Weekly еженедельно p.57
- Timer lis p.57
- Serial последовательно p.57
- Recording p.57
- Once only один раз p.57
- Mon fri пнд птн p.57
- Manual recordin p.57
- Daily ежедневно p.57
- Удаление изменение инструкции программирования таймера p.58
- Описание вариантов настройки в меню timer data standard settings p.58
- Объяснение символов используемых в окне конфликтов p.58
- Конфликт записи p.58
- Кнопка остановки p.58
- System settings control more dr p.58
- System settings p.58
- Store recording p.58
- Recording subtitles p.58
- Home favourite p.58
- Control parental loc p.58
- Описание вариантов настроек p.59
- Вызов timer services p.59
- Timer services функции таймера p.59
- Timer service p.59
- Recordings p.59
- Выбор источника контента p.60
- Возможные источники сигнала p.60
- Sources источники сигнала p.60
- Source p.60
- External device p.60
- Список функций источников сигнала p.61
- Изменение иконки для входа hdmi p.61
- Change thumbnai p.61
- Описание символов экрана состояния для воспроизведе ния видеоматериала p.62
- Кнопка пульта ду описание p.62
- Кнопка info p.62
- Доступные параметры меню video p.62
- Воспроизведение видеоматериала p.62
- Source p.62
- Recording p.62
- Digital recorde p.62
- Переход с помощью функции smart jump p.63
- Переход p.63
- Обозначение кнопок p.63
- Кнопка пауз p.63
- Кнопка воспроизведения p.63
- Долгое нажатие кнопки info p.63
- Временная остановка пауза застывшая картинка p.63
- System settings в control more dr smart jump p.63
- System settings p.63
- Info или back p.63
- Control more dr jump distanc p.63
- Повторное воспроизведение файлов из dr архива p.64
- Повторное воспроизведение p.64
- Перемотка p.64
- Кнопка воспроизведения p.64
- Change picture forma p.65
- Установка закладок p.65
- Синяя кнопка p.65
- Переход к закладкам p.65
- Кнопка воспроизведения более долгое нажа тие p.65
- Изменение формата изображения p.65
- Желтая кнопка p.65
- Дополнительные функции воспроизведения dr архива p.65
- Выбор языка звуковой дорожки p.65
- Language soun p.65
- Кнопка паузы p.66
- Кнопка воспроизведения p.66
- Выбор картинки обложки p.66
- Subtitles субтитры p.66
- Subtitle p.66
- Delete bookmar p.66
- Adopt as cover pictur p.66
- Удаление отдельных закладок p.66
- Удаление закладки во время воспроизведения p.66
- Перемотка p.67
- Описание параметров меню для аудио воспроизведения p.67
- Обозначение кнопок p.67
- Кнопка пульта ду описание p.67
- Кнопка паузы p.67
- Кнопка воспроизведения p.67
- Кнопка воспроизведени p.67
- Долгое нажатие кнопки info p.67
- Временная остановка воспроизведения p.67
- Воспроизведение аудиоматериала p.67
- Sound звук p.67
- Screen off выключение экрана p.67
- Info или back p.67
- Favourite избранное p.67
- Стройки repeat и shuffl p.68
- Повторное воспроизведение p.68
- Невозможно одновременно активировать на стройки repeat и shuffl p.68
- Невозможно одновременно активировать на p.68
- Кнопка остановки p.68
- Зеленая кнопка p.68
- Завершение воспроизведения p.68
- Выбор другого объекта воспроизведение текущего объекта с начала p.68
- Воспроизведение в произвольном порядке p.68
- Включение и выключение экрана p.68
- Source p.69
- Sound звук p.69
- Picture изображение p.69
- Pause background music пауза фоновой музыки p.69
- Info или back p.69
- Просмотр фотографий p.69
- Favorite избранное p.69
- Полноэкранный режим p.69
- Поворот фотографий p.69
- Поворот вправо p.69
- Поворот влево p.69
- Описание параметров меню при отображении фотогра фий p.69
- Обозначение кнопок p.69
- Кнопка пульта ду описание p.69
- Запуск презентации p.69
- Долгое нажатие кнопки info p.69
- Временная остановка воспроизведения текущей презентации p.69
- Просмотр фотографий в полноэкранном режиме выход из режима презентации p.70
- Презентация p.70
- Кнопка паузы p.70
- Кнопка остановки p.70
- Кнопка воспроизведения p.70
- Функции доступные на домашней странице app gallery p.71
- Откройте галерею приложений app gallery p.71
- Галерея приложений app gallery p.71
- Выход из app gallery p.71
- Вызов страницы выбора веб браузера p.71
- Возможные источники веб браузера p.71
- Setting p.71
- Apps приложения p.71
- App galler p.71
- Вызов приложения на указанную тему p.72
- Loewe bild руководство пользователя p.72
- Вызов настроек app gallery p.72
- Imprint ин формация p.72
- Country selection выбор страны p.72
- Вызов p.72
- Apps приложения p.72
- Выбрать отменить выбор страны p.72
- App gallery галерея приложений p.72
- Приложения для фильтрации p.72
- Выбор приложения в качестве избранного p.72
- App gallery settings галерея приложений настройки p.72
- Предоставляет необходимую информацию об ответ ственности сторон p.72
- Выберите страну для которой вы хотите получать ин формацию о службах см далее p.72
- App gallery browse галерея приложений просмотр p.72
- Перейдите в колонку с жанрами темами p.72
- Выберите страну p.72
- Открыть приложение p.72
- Выберите нужные настройки p.72
- На этой странице вы можете найти настройки app gallery p.72
- Выберите нужное приложение p.72
- Или перейдите в колонку с жанрами темами p.72
- Выберите жанр тему p.72
- Или перейдите в колонку настроек p.72
- Выберите другой жанр тему p.72
- Изменение фильтра p.72
- Выберите p.72
- Избранные приложения будут добавлены в самый конец файлов папки избранных веб объектов p.72
- Возврат на главную страницу страницу app gallery p.72
- Добавьте выбранное приложение в папку избранного на домашней странице p.72
- В поле browse вы можете просмотреть полный список приложений p.72
- Выход из меню browse настройки выхода p.72
- В app gallery доступны различные службы приложения и т д для стран отмеченных символом p.72
- Вызов приложения указанного жанра p.72
- Будет открыто окно app gallery browse p.72
- Выберите в качестве стартовой страницы p.73
- Ввод адреса url p.73
- Browser браузер p.73
- Browse p.73
- Объяснение символов используемых на странице состоя ния браузера p.73
- Навигация по веб сайту p.73
- Использование внешней мышки p.73
- Желтая кнопка p.73
- Выход из браузера p.73
- Вызов веб браузера p.73
- Кнопка tv p.74
- Зеленая кнопка p.74
- Долгое нажатие кнопки info p.74
- Выход из режима radio p.74
- Включение режима radio p.74
- Включение и выключение экрана p.74
- Архивная запись в режиме dvb радио p.74
- Info или back p.74
- Hbbtv службы для dvb радио p.74
- Dvb radio dvb радио p.74
- Список функций dvb радио p.74
- Радиовещание dvb каналов со сдвигом по времени p.74
- Переключение каналов p.74
- Обозначение кнопок p.74
- Переключение каналов p.75
- Обозначение кнопок p.75
- Кнопки 2 9 p.75
- Зеленая кнопка p.75
- Долгое нажатие кнопки info p.75
- Выход из режима radio p.75
- Включение режима radio p.75
- Включение и выключение экрана p.75
- Sources p.75
- Internet radio интернет радиовещание p.75
- Internet radio p.75
- Info или back p.75
- Список функций интернет радиовещания p.75
- Поиск по имени исполнителя p.75
- Поиск канала p.75
- Вызов функции screen mirroring дублирование экрана p.76
- Screen mirroring дублирование экрана p.76
- Screen mirrorin p.76
- System settings p.77
- Station p.77
- Sound more p.77
- Picture more p.77
- Pictur p.77
- Multimedia network p.77
- Extras p.77
- Control more p.77
- Control p.77
- Connections p.77
- Системные настройки p.77
- Описание вариантов настроек p.77
- Вызов системных настроек p.77
- Обозначения настроек изображения p.78
- Вызов настроек изображения p.78
- System setting p.78
- Picture изображение p.78
- Pictur p.78
- Picture format формат изображения 3d p.79
- Pictur p.79
- Instruction symbol инструкции символ p.79
- Dimming room and auto dimming video vbd p.79
- D mode automati p.79
- D mode 3d режим p.79
- D function 3d функция p.79
- Calling 3d mode вызов 3d режима p.79
- Описание параметров в 3d режиме p.79
- System setting p.79
- Обозначения параметров настройки изображения продол жение p.80
- Обозначения параметров настройки изображения p.80
- Контент hlg p.80
- Контент hdr10 p.80
- Контент dolby vision p.80
- Вызов меню настройки изображения p.80
- System setting p.80
- Picture adjustment настройки изображения p.80
- Picture adjustment p.80
- Pictur p.80
- Picture forma p.81
- Pictur p.81
- Automatic p.81
- Aspect rati p.81
- Обозначения форматов изображения sd сигналов p.81
- Обозначения форматов изображения hd сигналов p.81
- Выбор формата изображения p.81
- System setting p.81
- Обозначения настроек звучания продолжение p.82
- Обозначения настроек звучания p.82
- Меню p.82
- Вызов настроек звука p.82
- Width ширина p.82
- System setting p.82
- Sound звук p.82
- Sound vi p.82
- Panorama панорама p.82
- More доп p.82
- Connections sound component p.82
- Change in dimension изменение размера p.82
- Описание вариантов настроек p.83
- Обозначения настроек звучания продолжение p.83
- Меню p.83
- Выбор режима окружающего звука p.83
- Surround modus окружающий звук p.83
- Surround mod p.83
- Sound sound mod p.83
- More доп p.83
- Connections sound components p.83
- System setting p.84
- Stations manual scan tv radi p.84
- Stations automatic scan tv radi p.84
- Channels каналы p.84
- Channels update channel list automaticall p.84
- Channels transfer all channel list p.84
- Channels channel lists tv radio p.84
- Описание вариантов настройки в меню channels каналы p.84
- Вызов меню channels p.84
- System settings p.84
- Обозначения некоторых настроек поиска p.85
- Обозначения настроек поиска продолжение p.85
- System setting p.85
- Start search updat p.85
- Search method метод поиска p.85
- Scrambled channels закодированные каналы p.85
- Network id идентификационный номер сети p.85
- Dvb t c s p.85
- Change search settings p.85
- Automatic scan tv radio автоматическое сканирование tv radio каналов p.85
- Automatic scan tv radi p.85
- Analogue p.85
- Accept logical channel number подтвердить логический номер канала p.85
- Строка состояния поиска вручную p.86
- Ручное сканирование тв радиостанций p.86
- Поиск обновление каналов поиск новых и неиспользуемых каналов p.86
- Выполнение поиска вручную p.86
- System setting p.86
- Signal sourc p.86
- Manual scan incl antenna status p.86
- Symbol rate p.87
- Store overwrit p.87
- Signal source p.87
- Satellite dvb s p.87
- Frequency dvb t c s частота p.87
- Dvb t c s ис точник сигнала p.87
- Dvb s ско p.87
- Channel dvb t p.87
- Спутник p.87
- Band dvb s p.87
- Символов p.87
- Рость передачи p.87
- Полоса p.87
- Поиск вручную канала кабельного аналогового телевидения p.87
- Поиск вручную dvb t c s станций p.87
- Обозначения некоторых настроек поиска p.87
- Обозначения настроек поиска для кабельного аналогового телевидения p.87
- Канал p.87
- Delete bloc p.88
- Channel lists t p.88
- Channel lists radi p.88
- Channel p.88
- Change channel list изменение списка каналов p.88
- Cancel отмена p.88
- Удаление блока p.88
- Cancel procedur p.88
- Список тв радио каналов p.88
- Переместить блок изменить порядок p.88
- Выберите delete lis p.88
- System setting p.88
- Station lists t p.88
- Restore channels восстановление каналов p.88
- Restore channels p.88
- Move bloc p.88
- Execute delet p.88
- Delete list удаление списка p.88
- Move channels p.89
- Delete lis p.89
- Channel p.89
- Add remove stations p.89
- Add remove station p.89
- Удаление персонального списка p.89
- Удаление каналов из персонального списка p.89
- Создание редактирование персонального списка p.89
- Создание редактирование нового персонального списка p.89
- Перемещение изменение порядка каналов в персональном списке p.89
- Переименование персонального списка p.89
- Добавление каналов в персональный список p.89
- System setting p.89
- Station lists t p.89
- Rename lis p.89
- New personal lis p.89
- Update channel list automatically p.90
- Transfer all channel lists передача списка каналов p.90
- Transfer all channel lists p.90
- System setting p.90
- Channel p.90
- Разрешить заблокировать обновления p.90
- Обновление списка каналов p.90
- Вызов transfer all channel lists передача спи ска каналов p.90
- Update channel list automatically автоматиче ское обновление списка каналов p.90
- Control pi p.91
- Control parental loc p.91
- Control on screen displays p.91
- Control languag p.91
- Control hard disks p.91
- Control export log file p.91
- Control ep p.91
- Control energy efficiency p.91
- Описание вариантов настройки в меню control управление p.91
- Control dvb settings p.91
- Меню p.91
- Control dr p.91
- Вызов меню control управление p.91
- Control asterisk key function p.91
- System settings p.91
- Contro p.91
- More доп p.91
- Control управление p.91
- Control time and date p.91
- Control software update p.91
- Control quick start mod p.91
- Вкл p.92
- Electronic programme guide epg wizar p.92
- Канала теле p.92
- Data capture p.92
- Язык p.92
- Из за большого количества принимаемых каналов ре комендуем ограничить выбор канала это уменьшает время ввода данных и увеличивает ясность информа ции epg p.92
- Визора channel selection p.92
- Control p.92
- Этот пункт меню позволяет удалить все данные из базы данных epg для получения этих данных потребуется некоторое время p.92
- Здесь вы можете включать и выключать ввод данных для электронной программы epg если этот параметр включен то ваш телевизор будет обновлять базу дан ных в течение ночи обычно между 2 и 5 часами утра или если требуется через две минуты после перехода в режим ожидания для этого телевизор должен нахо диться в режиме ожидания а не полностью выключен ным индикатор на телевизоре горит синим во время обновления данных в режиме ожидания данные также обновляются при просмотре epg канала p.92
- В течение 5 минут то в целях безопасности телевизор будет автоматически выключен p.92
- Clear data p.92
- Управление p.92
- Звук p.92
- В списке epg используя экранные кнопки в нижней строке вы можете отметить все каналы или отменить выбор этих каналов или выбрать канал из конкретных например персональных списков более подробная информация о epg канала вы найдете в разделе p.92
- Channel selection p.92
- Телевизор пункт p.92
- Данных p.92
- В разделе channel selection выбор канал вы можете определить для какого канала будет отображаться информация в программе информация о програм ме отображается только для каналов отмеченных p.92
- Base очи стить базу p.92
- Субтитры p.92
- Да выключенный телевизор автоматически включается из режима ожидания в на чале указанной программы после включения телеви зора на его экране будет отображено сообщение если вы не подтвердите получение сообщение нажатием кнопки p.92
- В выбранное p.92
- Системные настройки control управление p.92
- Вызов системных настроек p.92
- Tv выбор p.92
- Audio dvb p.92
- Системные настрой p.92
- Вызов настроек epg p.92
- Tv on when memorised p.92
- При наличии нескольких языков или dvb субтитров для dvb каналов на экране то вы можете выбрать нужный язык если этот язык включен в диапазон языков кана лов то он будет отображаться автоматически вы так же можете указать альтернативный язык в этом пункте меню если выбранный вами язык не доступен для вы бранного канала p.92
- Вызов домашней страницы p.92
- System setting p.92
- При выборе значения p.92
- Выделите p.92
- Subtitle p.92
- Подтверждение настроек p.92
- Выделит p.92
- Radio выбор радиоканала p.92
- Выбор языка p.92
- Menu меню здесь вы можете изменить язык меню p.92
- Перейдите к следующей колонке p.92
- Выберите язык отображения всех меню на телевизионном экране вы берите нужный язык и дополнительные языки субтитров для dvb про грамм p.92
- Loewe bild руководство пользователя p.92
- Передача p.92
- Выберите язык для нужного фильма если этот язык включен в диапазон языков каналов то он будет ото бражаться автоматически вы также можете указать альтернативный язык в этом пункте меню если выбран ный вами язык не доступен для выбранного канала p.92
- Language язык p.92
- Описание вариантов настройки в меню language язык p.92
- Выберите нужную настройку и выполните из p.92
- Languag p.92
- Описание вариантов epg настроек p.92
- Время p.92
- L управление p.92
- Менения p.92
- Contro p.93
- Примечания о разблокировке p.93
- Описание вариантов настройки в меню parental lock родительский контроль p.93
- Код p.93
- Защита несовершеннолетних от ci plus программ p.93
- Вызов меню parental lock родительский контроль p.93
- System setting p.93
- Parental lock родительский контроль p.93
- Parental loc p.93
- Ok активировать p.93
- Immediately p.93
- System setting p.94
- Quick start mode режим quick start p.94
- Quick start mod p.94
- Energy efficiency энергоэффективность p.94
- Energy efficienc p.94
- Contro p.94
- Описание вариантов настройки в меню energy efficiency энергоэффективность p.94
- Вызовите режим quick start p.94
- Вызов energy efficiency энергоэффективность p.94
- Загрузка программного обеспечения с веб сайта loewe для обновления через usb p.95
- Www loewe tv int my loewe p.95
- Usb флэшка требования p.95
- Timer timer lis p.95
- Technical data medi p.95
- System settings extras integrated p.95
- System setting p.95
- Software update обновление программного обеспечения p.95
- Register now p.95
- Recordings p.95
- Feature p.95
- Control manual update via the internet p.95
- Control p.96
- Поиск нового программного обеспечения p.96
- Обновление программного обеспечения с usb носителя p.96
- Обновление программного обеспечения p.96
- Обеспечения p.96
- Запускается загрузка нового программного p.96
- Закрыть окно мастера установки p.96
- Загрузка нового архива программного обеспечения p.96
- Выполнение p.96
- Via usb p.96
- System setting p.96
- Software updat p.96
- Softwar p.96
- При наличии интернет соединения вы сможете загрузить новое про граммное обеспечение и установить его p.97
- Загрузка нового архива программного обеспечения p.97
- Software updat p.97
- После выполнения обновления телевизор автоматиче ски выключится и снова включится p.97
- Если после выполнения поиска будет доступна новая версия программного обеспечения то на экране будет отображено сообщение см правую колонку p.97
- Softwar p.97
- Поиск нового программного обеспечения p.97
- Если нет подтвердите сообщение о защите данных нажав кнопку на экране будет отображена версия установленного в данный момент программного обеспечения p.97
- Loewe bild руководство пользователя p.97
- Подключите телевизор к интернету и сканируйте об новленную версию программного обеспечения p.97
- Если вы не согласны с текущими данными p.97
- Control управление p.97
- Перейдите к следующей колонке на экране будет отображено сообщение о защите дан ных p.97
- Граммного обеспечения перейдите к следующей колонке p.97
- Перейдите к следующей колонке p.97
- Выполнение загрузки и программирования может за нять около 50 минут p.97
- Выполнение p.97
- Общее время необходимое для загрузки всех частей программы из интернета зависит от скорости пере дачи данных p.97
- Вызов системных настроек p.97
- Обновление программного обеспечения вручную по интернету p.97
- Вызов домашней страницы p.97
- Чения p.97
- Обновление программного обеспечения p.97
- Выделите p.97
- Только те части программного пакета которые не об новлены будут автоматически загружаться из интер нета и обновляться p.97
- Обновление про p.97
- Выделит p.97
- Теперь обновление не будет выполняться p.97
- Ни в коем случае не отключайте телевизор от сети и не пользуйтесь выключателем питания во время загрузки и программирования p.97
- Стройки p.97
- Каждая часть программного обеспечения загружается отдельно из интернета и затем программируется p.97
- Выберите p.97
- Спечения телевизор может не выключиться после вы полнения обновления таким образом следите за вы полнением процедуры обновления p.97
- Или p.97
- В том случае если ни одного архива с обновлениями не было найдено p.97
- Системные настройки p.97
- Запускается загрузка нового программного обеспе p.97
- В зависимости от загруженного программного обе p.97
- Системные на p.97
- Закрыть окно мастера установки p.97
- Via interne p.97
- При последующем включении телевизора на экране бу дет отображаться сообщение p.97
- Закройте процедуру обновления p.97
- System setting p.97
- Обновление программного обеспечения p.98
- В том случае если ни одного по с обновлениями не было найдено p.98
- Обновление про p.98
- В зависимости от загруженного программного обе p.98
- Обеспечения p.98
- Via antenn p.98
- Управление p.98
- Ни в коем случае не отключайте телевизор от сети и не пользуйтесь выключателем питания во время загрузки и программирования p.98
- System settings p.98
- Теперь обновление не будет выполняться p.98
- На экране будет отображено сообщение о защите данных p.98
- Software updat p.98
- Телевизор будет выполнять поиск нового программно го обеспечения p.98
- Или p.98
- Softwar p.98
- Спечения телевизор может не выключиться после вы полнения обновления таким образом следите за вы полнением процедуры обновления p.98
- Запустить загрузку нового программного p.98
- Loewe bild руководство пользователя p.98
- Системные настройки control управление p.98
- Закрыть окно мастера установки p.98
- Contro p.98
- Системные настройки p.98
- Загрузка нового архива программного обеспечения p.98
- Программное обеспечение загружается в несколько этапов выполнение загрузки и программирования мо жет занять около 50 минут p.98
- Если после выполнения поиска будет доступна новая версия программного обеспечения то на экране будет отображено сообщение см далее p.98
- При последующем включении телевизора на экране бу дет отображаться сообщение p.98
- Граммного обеспечения p.98
- Выполнение p.98
- После выполнения обновления телевизор автоматиче ски выключится и снова включится p.98
- Вызовите p.98
- Поиск нового программного обеспечения p.98
- Вызов системных настроек p.98
- Перейдите к следующей колонке p.98
- Вызов домашней страницы p.98
- Обновление программного обеспечения через антенну доступно только для станций платформы dvb t в великобритании и ирландии p.98
- Выделите p.98
- Обновление программного обеспечения через антенну p.98
- Informatio p.99
- Inform about new softwar p.99
- Contro p.99
- Поиск нового программного обеспечения p.99
- Отображение скрытие информации о новом программном обеспечении p.99
- Обновление программного обеспечения по интернету p.99
- Via interne p.99
- System setting p.99
- Software updat p.99
- Softwar p.99
- Time and date дата и время p.100
- Time and dat p.100
- System setting p.100
- On screen displays экранное меню p.100
- On screen display p.100
- Data captur p.100
- Control p.100
- Contro p.100
- Changeover summer time winter time ye p.100
- Описание вариантов настройки в меню time and date время и дата p.100
- Описание вариантов настройки в меню on screen displays экранное меню p.100
- Вызов меню time and date время и дата p.100
- Вызов on screen displays экранное меню p.100
- Описание вариантов настройки в меню pip settings настройки pip p.101
- Описание вариантов dvb настроек p.101
- Настройка размера картинки в режиме pip p.101
- Вызов настроек dvb p.101
- System settings p.101
- System setting p.101
- Dvb settings настройки dvb p.101
- Dvb setting p.101
- Control p.101
- Contro p.101
- System setting p.102
- Contro p.102
- Описание вариантов настроек dr p.102
- Минута p.102
- Минут p.102
- Вызов настроек цифрового рекордера p.102
- Описание вариантов настроек меню standard teletext p.103
- Описание вариантов настроек dr streaming p.103
- Вызов настроек телетекста p.103
- Вызов настроек dr streaming p.103
- System settings p.103
- Standard teletext стандартный телетекст p.103
- Standard teletex p.103
- Dr streamin p.103
- Control p.103
- Save object as favorite p.104
- Mediatex p.104
- Control p.104
- Функции кнопки звездочка p.104
- Описание вариантов настроек hbbtv p.104
- Вызов настроек кнопки звездочка p.104
- Вызов hbbtv настроек p.104
- System settings p.104
- System setting p.104
- Standard teletex p.104
- Set switch off position p.105
- Rotate tv вращение телевизора p.105
- Rotate t p.105
- Control p.105
- Basic adjustments to the right p.105
- Basic adjustments to the left p.105
- Basic adjustment p.105
- Activating the switch off position активация положения по сле выключения p.105
- Activate switch off positio p.105
- Настройка диапазона вращения p.105
- System settings p.105
- Specifying the switch off position определение положения после выключения p.105
- Транспортировка p.106
- Выделите display kinematics settings p.106
- System setting p.106
- Set switch on position настроить положение включения p.106
- Set switch on positio p.106
- Rotate t p.106
- Display kinematics кинематическая схема экрана p.106
- Display kinematics p.106
- Control p.106
- Adjust 0 position настройка нулевого положения p.106
- Adjust 0 position p.106
- Contro p.107
- Отмена процедуры p.107
- Для подтверждения p.107
- Check integrated on p.107
- Форматирование жесткого диска приведет к удалению всех записан ных на нем данных p.107
- Нут не отключайте питание телевизора во время выпол нения этого процесса p.107
- Для параллельного использования телевизора и компьютера мы ре p.107
- Форматирование жесткого диска p.107
- Ния процесса форматирования p.107
- Вызов системных настроек p.107
- Управление p.107
- Не отключайте питание телевизора во время выполне p.107
- Вызов настроек жесткого диска p.107
- Телевизор поддерживает файловые системы fat 32 и ntfs p.107
- Наличие функции зависит от типа устройства см раздел технические характеристики характеристики для вашего телевизора p.107
- Вызов домашней страницы p.107
- Телевизор и снова включить его p.107
- Нажмите кнопку для подтверждения p.107
- Выделите p.107
- Системные настрой p.107
- Нажмите кнопку p.107
- Выберите другие настройки p.107
- Рекомендуем выполнять проверку встроенного жесткого диска один раз в год или в случае возникновения проблем при запуске записей например при воспроизведении со сдвигом по времени p.107
- Нажмите и удержите в нажатом положении в тече ние 3 секунд для запуска форматирования p.107
- Внимание p.107
- Проверка жесткого диска может занять около 20 ми p.107
- Нажмите и удержите в нажатом положении в тече ние 3 секунд для запуска проверки p.107
- Внешние жесткие диски форматируются телевизором в системе fat32 p.107
- Проверка жесткого диска p.107
- На экране будет отображено сообщение с предупреж дением p.107
- System setting p.107
- Максимально допустимый размер файла 4 гб p.107
- Hard disks жесткие диски p.107
- Примечания по форматированию внешних usb дисков p.107
- Комендуем переформатировать жесткий диск на пк в ntfs p.107
- Hard disk p.107
- После проверки на экране появится сообщение о ре зультатах форматирования и советы о том как разре шить любые возникающие проблемы p.107
- Ключить телевизор и снова включить его p.107
- Format integrated on p.107
- После проверки на экране появится сообщение о ре зультатах проверки и советы о том как разрешить лю бые возникающие проблемы p.107
- Или p.107
- Format p.107
- По завершении форматирования следует выключить p.107
- Жесткие диски p.107
- External on p.107
- По завершении проверки жесткого диска следует вы p.107
- Если проблемы все же были обнаружены при тестировании жесткого диска см левую колонку то переформатирование может устранить все проблемы также переформатирование жесткого диска позволит быстро удалить все сохраненные на нем данные p.107
- Control p.107
- Перейдите к следующей колонке p.107
- Contro p.108
- Выполнение экспортирования лог файла p.108
- Via us p.108
- Via internet via usb p.108
- Via interne p.108
- Unmoun p.108
- System setting p.108
- Setting p.108
- I agre p.108
- Export log files no p.108
- Export log file экспортирование лог файла p.108
- Export log fil p.108
- Выберите multimedia network p.109
- System setting p.109
- Multimedia network мультимедийные настройки сеть p.109
- Multimedia network p.109
- Contro p.109
- Описание вариантов настроек в меню multimedia network p.109
- Описание вариантов настроек в меню network p.110
- Вызов сетевых настроек p.110
- System setting p.110
- Network сеть p.110
- Network settings сетевые настройки p.110
- Network setting p.110
- Multimedia networ p.110
- Настройка встроенного адаптера lan p.111
- Wep inde p.111
- Search agai p.111
- On wireless onl p.111
- Network statu p.111
- Ip конфигурации p.111
- Ip configuratio p.111
- Enter access point manuall p.111
- Настройка встроенного адаптера wlan p.111
- Описание настроек сети p.112
- Proxy server прокси сервер p.112
- Proxy server logi p.112
- No logi p.112
- Necessary p.112
- Don t us p.112
- Renderer программа визуализации p.113
- Rendere p.113
- Multimedia settings настройки мультимедиа p.113
- Multimedia setting p.113
- Multimedia networ p.113
- Home automation автоматизация домашних систем p.113
- Home automatio p.113
- After 5 mi p.113
- After 1 min p.113
- Описание вариантов настройки в меню home automation p.113
- Описание вариантов настроек в меню multimedia settings p.113
- Вызов меню настроек мультимедиа p.113
- Вызов меню автоматизации домашних систем p.113
- Вызов меню renderer p.113
- System setting p.113
- Настройка персональной учетной записи почтового ящика p.114
- Настройка количества сканирования p.114
- System setting p.114
- Multimedia networ p.114
- Mobile recordin p.114
- Das erste h p.114
- Configure email account manu p.114
- Configure email account p.114
- Automatic manual p.114
- Automati p.114
- Функция mobile recording p.114
- Удаленное программирование через любого клиента электронной почты p.114
- Настройки функции mobile recording p.114
- Сопряжение выполняемое на экране телевизора p.115
- Сопряжение выполняемое на bluetooth устройстве p.115
- Передача сигнала с телевизора на bluetooth гарнитуры наушники p.115
- Настройка уровня громкости на bluetooth music player p.115
- Вызов функции bluetooth p.115
- System setting p.115
- Network settings host name p.115
- Multimedia network p.115
- Multimedia networ p.115
- Loewetv p.115
- Bluetooth music player p.115
- Bluetooth p.115
- Bluetoot p.115
- Номер пульт ду клавиатура p.116
- Назначение кнопки p.116
- Клавиатура bluetooth p.116
- Управление телевизором с помощью amazon alexa p.117
- Подключение телевизора к amazon alexa p.117
- Вызовите amazon alexa login p.117
- System setting p.117
- Multimedia networ p.117
- Amazon alexa login p.117
- Control sound components p.118
- Control gaming mode p.118
- Control digital link p.118
- Control av connecting setting p.118
- Control antenna dvb p.118
- Connections подключения p.118
- Connections p.118
- Описание вариантов настройки в меню connections подключения p.118
- Вызов меню подключений p.118
- System setting p.118
- Вызов мастера настроек звука p.119
- System setting p.119
- Sound playback via воспроизведение звука через p.119
- Sound components компоненты звука p.119
- Sound component p.119
- Digital audio lin p.119
- Connections p.119
- Настройка акустической системы audio out p.120
- Воспроизведение звука через акустическую систему audio out p.120
- Tv speakers subwoofer динамики телевизора сабвуфер p.120
- Subwoofer ext front speakers сабвуфер внешние фронтальные громкоговорители p.120
- Adjust ext speakers level p.120
- Complet p.121
- Настройка акустической системы dal p.121
- Минимальный частотный лимит p.121
- Воспроизведение звука через акустическую систему digital audio link p.121
- Внешне p.121
- Tv speakers p.121
- Tv speaker p.121
- Speaker system digital audio link p.121
- External speaker p.121
- External speake p.121
- Connect front speakers p.121
- Configuration modificatio p.121
- Subwoofer p.122
- Distance to left hand front speake p.122
- Digital цифровой p.123
- Connection p.123
- Analogue аналоговый p.123
- Настройка hifi av усилителя p.123
- Воспроизведение звука через hifi av усилитель p.123
- System setting p.123
- Sound component p.123
- Or tv speaker p.123
- Hifi av amplifier p.123
- Настройки av подключения p.124
- Вызов меню подключений p.124
- Вызов antenna dvb антенна dvb p.124
- Антенна dvb p.124
- System setting p.124
- Connections p.124
- Connection p.124
- Channels manual scan tv radi p.124
- Av connecting setting p.124
- Antenna dv p.124
- Расположение настройка антенны dvb t p.124
- Описание вариантов настройки в меню av connecting settings настройки av подключения p.124
- Описание вариантов настроек в меню antenna dvb p.124
- Этот параметр меню доступен при выборе в p.125
- Поле digital link hd functionality значения on p.125
- Описание вариантов настройки в меню digital link p.125
- Описание вариантов настроек в меню hdmi p.125
- Вызов меню digital recorder link p.125
- Вызов hdmi меню p.125
- System settings p.125
- System setting p.125
- Digital link plu p.125
- Digital link h p.125
- Digital link p.125
- Digital lin p.125
- Connection p.125
- Предостережение p.126
- Описание параметров в меню extras краткое меню p.126
- Вызовите extras краткое меню p.126
- Вызов настроек dr streaming p.126
- System settings p.126
- System setting p.126
- Extras краткое меню p.126
- Extras dealer mod p.126
- Extras ca modul p.126
- Dr streaming p.126
- Dr streamin p.126
- Control more dr dr streaming dr p.126
- Bereitschaft p.126
- Reset to factory setting p.127
- Integrated features встроенные функции p.127
- Integrated feature p.127
- Вызов настроек reset to factory settings сброс к установленным по умолчанию настройкам p.127
- Вызов встроенных функций p.127
- System setting p.127
- Start rese p.127
- Reset to factory settings сброс к установлен ным по умолчанию настройкам p.127
- Вызовите dealer mode p.128
- System setting p.128
- Dealer mode режим дилера p.128
- Dealer mode p.128
- Установка смарт карты в са модуль p.129
- Установка са модуля в ci слот телевизора p.129
- Обновление программного обеспечения ci plus для ca мо дуля p.129
- Неполадки и способы их устранения са модуль p.129
- Модуль условного допуска ca модуль p.129
- Common interface ci ci plus p.129
- Права смарт карты p.130
- Change search settings p.130
- Поиск закодированных каналов p.130
- Ок расположение объекта в строке ввода p.130
- Извлечение са модуля p.130
- Вызов информации са модуля p.130
- System settings p.130
- System setting p.130
- Station mappin p.130
- Start search updat p.130
- Smartcard right p.130
- Same rights p.130
- Same right p.130
- Module p.130
- Different right p.130
- Сохранение pin кода для записей p.130
- Channel mappin p.130
- Распределение каналов p.130
- Channel p.130
- Подключение устройства p.131
- Подключение устройств к hdmi разъемам p.131
- Изменение названия назначения hdmi порта p.131
- Воспроизведение файлов с устройства p.131
- Hdmi 4 uh p.131
- Digital link h p.131
- Quelle p.132
- Hdmi ce p.132
- Functionalit p.132
- Digital link hd p.132
- Digital link h p.132
- Digital link p.132
- Connections p.132
- Переключение телевизора и hdmi устройства с помощью кнопки телевизора p.132
- Connection p.132
- Переключение телевизора и hdmi устройства с помощью кнопки источника сигнала p.132
- Использование digital link hd hdmi cec устройств p.132
- Выключение телевизора и подключенных к нему устройств system standby p.132
- Автоматическое выключение внешних устройств p.132
- System setting p.132
- Shutdown of the ext device via tv butto p.132
- Remote switch on of the tv set удаленное включение телевизора p.132
- Remote switch on of the tv se p.132
- Digital link plus p.133
- Digital link p.133
- Device at connection av p.133
- Connections p.133
- Av connecting settings p.133
- Av connecting setting p.133
- Allow switching voltage p.133
- Подключение устройств к av разъемам p.133
- Подключение dvd проигрывателя к телевизору p.133
- Воспроизведение av устройства p.133
- System setting p.133
- Remote tv switch on via digital link дистанционное включе ние телевизора через digital link p.133
- Remote switch on of the tv se p.133
- Подключение dvd рекордера к телевизору p.134
- Настройка геометрии изображения компьютера p.134
- Воспроизведение файлов с устройства p.134
- Воспроизведение av устройства p.134
- System setting p.134
- Pictur p.134
- In displa p.134
- Device at connection a p.134
- Connections p.134
- Av connecting settings p.134
- Подключение устройств с компонентным сигналом ypbpr yuv p.134
- Подключение компьютера телевизионной приставки p.134
- Подключение акустической системы dal p.135
- Подключение акустической системы audio out p.135
- Конфигурация акустической системы dal p.135
- Конфигурация акустической системы audio out p.135
- Speaker system audio out p.135
- Digital audio link dal p.135
- Digital audio link p.135
- Digital audio lin p.135
- Connections sound component p.135
- Audio ou p.135
- Audio link p.135
- Audio lin p.135
- Audio ou p.136
- Audio lin p.136
- Системные настройки p.136
- Разъемы кабеля адаптера являются выходами предусилите ля таким образом только активные акустичсекие системы активные сабвуферы можно подключить с использованием кабеля адаптера p.136
- Подключите цифровой предусилитель с помощью реверсивного звукового канала hdmi arc p.136
- Подключение аналогового hifi av усилителя p.136
- Подключение активных громкоговорителей p.136
- Подключение hifi av усилителя p.136
- Воспроизведение через акустическую систему p.136
- Воспроизведение звука через hifi av усилитель p.136
- Spdif ou p.136
- Loewe mediavision 3 p.136
- Digital audiolink audiolin p.136
- Connections sound components p.136
- Connections sound component p.136
- Audiolink 30cm 9pin 5 out center i p.136
- Rs 232 p.137
- Ir link p.137
- Установка инфракрасного передатчика на дополнительном устройстве p.137
- Только воспроизведение аудиосигнала из av источника экран выключен p.137
- Последовательный интерфейс rs 232c rj12 p.137
- Подключение инфракрасного передатчика к телевизору p.137
- Подключение внешнего устройства например mp3 про игрыватель p.137
- Зеленая кнопка p.137
- Выберите av вход p.137
- Воспроизведение музыкальных данных с внешних устройств p.137
- Настройки пульта ду p.138
- Настройка пульта дистанционного управления для управ ления другими устройствами loewe p.138
- Использование пульта ду для управления телевизором в режиме радио p.138
- Использование пульта ду для управления телевизором в режиме tv p.138
- Использование пульта ду для управления рекордера loewe p.138
- Использование пульта ду для управления проигрывателем loewe p.138
- Tv stb video audi p.138
- Stb video audi p.138
- Настройте устройство для управления звуком на пульте дистанционного управления p.138
- Считывание запрограммированного кода set top box p.139
- Программирование отдельных кнопок p.139
- Обучение пульта ду p.139
- Ввод 3 значного кода p.139
- Tv stb vide p.139
- Удаление функций отдельных кнопок p.140
- Удаление всех функций кнопок для всех устройств p.140
- Удаление всех функций кнопки устройства p.140
- Tv stb video p.140
- System settings multimedia network p.141
- System settings p.141
- System setting p.141
- Network settings p.141
- Multimedia network network settings host nam p.141
- Control more dr dr streaming share dr archive p.141
- Требования p.141
- Приложение loewe p.141
- Подключение телевизора к приложению p.141
- Обзор разделов список каналов p.141
- With other devices yes p.141
- System settings stations station lists tv new personal list p.141
- Переключение каналов и потокового контента p.142
- Обзор разделов раздел тв программы p.142
- Обзор разделов раздел живого вещания p.142
- Запись через tv guide p.143
- Выбор dr archive и источника сигнала p.144
- Разъемы задней панели устройства bild 9 5 bild 9 5 p.145
- Технические характеристики bild 9 5 bild 9 5 p.146
- Функции оборудования bild 9 5 bild 9 5 p.147
- Тип устройства loewe bild 9 5 bild 9 5 p.147
- Разъемы задней панели устройства bild 7 7 bild 7 5 bild 7 5 p.148
- Технические характеристики bild 7 7 bild 7 5 bild 7 5 p.149
- Функции оборудования bild 7 7 bild 7 5 bild 7 5 p.150
- Sound звук p.150
- Media функции мультимедийного воспроизведения p.150
- Digital телевизионные стандарты p.150
- Connectivity разъемы p.150
- Assist operation p.150
- Разъемы задней панели устройства bild 5 5 oled bild 5 5 oled p.151
- Технические характеристики bild 5 5 oled bild 5 5 oled p.152
- Функции оборудования bild 5 5 oled bild 5 5 oled p.153
- Тип устройства loewe bild 5 5 oled bild 5 5 oled p.153
- Разъемы задней панели устройства bild 5 5 bild 5 8 bild 5 0 p.154
- Rs 232c p.154
- Разъемы задней панели устройства bild 5 2 dr bild 5 2 p.155
- Технические характеристики bild 5 5 bild 5 8 bild 5 0 bild 5 2 p.156
- Assist operation p.157
- Функции оборудования bild 5 5 bild 5 8 bild 5 0 bild 5 2 p.157
- Разъемы задней панели устройства bild 4 5 p.158
- Технические характеристики bild 4 5 p.159
- Функции оборудования bild 4 5 p.160
- Тип устройства loewe bild 4 5 p.160
- Разъемы задней панели устройства bild 3 5 oled p.161
- Разъемы задней панели устройства bild 3 9 bild 3 3 p.162
- Технические характеристики bild 3 5 oled bild 3 9 bild 3 3 p.163
- Функции оборудования bild 3 5 oled bild 3 9 bild 3 3 p.164
- Connectivity разъемы p.164
- Разъемы задней панели устройства bild 3 5 48 40 p.165
- Технические характеристики bild 3 5 bild 3 8 bild 3 0 bild 3 0 fhd p.166
- Функции оборудования bild 3 5 dal bild 3 8 dal bild 3 0 dal p.167
- Функции оборудования bild 3 5 bild 3 8 bild 3 0 bild 3 0 fhd p.168
- Av inpu p.169
- Audio ou p.169
- Разъемы задней панели устройства bild 1 5 55 p.169
- Rs 232 p.169
- Hdmi 4 uhd p.169
- Common interface p.169
- Common interfac p.169
- Разъемы задней панели устройства bild 1 0 32 p.170
- Spdif ou p.170
- Rs 232 p.170
- Hdmi 2 p.170
- Hdmi 1 arc p.170
- Common interfac p.170
- Av inpu p.170
- Audio out p.170
- Ant sat p.170
- Технические характеристики bild 1 5 bild 1 5 bild 1 0 bild 1 2 p.171
- Функции оборудования bild 1 5 bild 1 5 bild 1 0 bild 1 2 p.172
- Сигналы передаваемые через разъем av pc in hdmi p.173
- Группы входных сигналов p.173
- Hdmi hdmi1 hdmi2 hdmi3 hdmi4 uhd p.173
- Крышка loewe bild 7 и задняя крышка и покрытие динами ков loewe bild 7 72588d80 и 72705s00 p.174
- Комплекты расширения комплекты для переоборудования кабели p.174
- Комплект преобразователей rj12 5 м ir 70533082 p.174
- Комплект адаптеров rj12 2 5 м rs232 70499082 p.174
- Комплект адаптеров micro av 25 см vga 72155080 p.174
- Комплект адаптеров micro av 25 см scart 72150080 p.174
- Дополнительные принадлежности стандарт vesa p.174
- Дополнительные принадлежности p.174
- Внешний накопитель dr feature disk 72462w00 p.174
- Варианты монтажа p.174
- Акустические системы loewe p.174
- Шурупы для переходника loewe vesa p.174
- Loewe assist easy p.174
- Флэшка повышающая производительность для sl3xx sl4xx 72341080 p.174
- D очки loewe p.174
- Удлинитель usb 70167080 p.174
- Преобразователь digital audiolink audiolink 71600080 p.174
- Накопитель dr feature disk p.174
- Опции монтажа bild 9 5 bild 9 5 p.175
- Опции монтажа bild 7 7 bild 7 5 bild 7 5 p.176
- Настенное крепление wmf 7 p.176
- Настенное крепление wm 7 p.176
- Tsm 7 моторизованный поворот p.176
- Loewe spectral rack p.176
- Fsm 7 моторизованный поворот p.176
- Ts пластина p.177
- Loewe spectral rack p.177
- Fs plate 55_65 p.177
- Fs 5 5 fs 5 5 p.177
- Опции монтажа bild 5 5 oled bild 5 5 oled p.177
- Wall mount wm 67 для настенного монтажа p.177
- Wall mount slim vesa size 300 для настенного монтажа p.177
- Wall mount isoflex 32 55 для настенного монтажа p.177
- Опции монтажа bild 5 5 bild 5 8 bild 5 0 bild 5 2 p.178
- Wall mount wm 67 wm 68 для настенного монтажа p.178
- Wall mount slim vesa size 100 200 300 400 для настенного монтажа p.178
- Wall mount isoflex 32 55 для настенного монтажа p.178
- Ts connect 55 p.178
- Ts connect 40 48 ts connect 32 p.178
- Ts art 55 p.178
- Ts art 40 48 p.178
- Loewe spectral rack p.178
- Fs plate 55_65 p.178
- Fs plate 32_49 p.178
- Fs 32_43 p.178
- Опции монтажа bild 4 5 p.179
- Wall mount wm 67 для настенного монтажа p.179
- Wall mount slim vesa size 300 для настенного монтажа p.179
- Wall mount isoflex 32 55 для настенного монтажа p.179
- Ts пластина p.179
- Loewe spectral rack p.179
- Fs plate 55_65 p.179
- Wall mount wm 67 для настенного монтажа p.180
- Wall mount slim vesa size 200 300 для настенного монтажа p.180
- Wall mount isoflex 32 55 для настенного монтажа p.180
- Ts plate 3 5 oled p.180
- Ts plate 3 3 3 9 p.180
- Loewe spectral rack p.180
- Fs plate 55_65 p.180
- Fs plate 32_49 p.180
- Fs 32_43 p.180
- Опции монтажа bild 3 5 oled bild 3 9 bild 3 3 p.180
- Подставка connect 55 подставка connect 40 48 p.181
- Подставка art 55 подставка art 40 48 p.181
- Опции монтажа bild 3 5 bild 3 8 bild 3 0 p.181
- Wall mount wm 67 для настенного монтажа p.181
- Wall mount slim vesa size 200 300 400 для настенного монтажа p.181
- Wall mount isoflex 32 55 для настенного монтажа p.181
- Loewe spectral rack p.181
- Fs plate 55_65 fs plate 32_49 p.181
- Fs 32_43 p.181
- Wall mount slim vesa size 200 400 для настенного монтажа p.182
- Wall mount isoflex 32 55 для настенного монтажа p.182
- Loewe spectral rack p.182
- Fs plate 55_65 p.182
- Fs plate 32_49 p.182
- Fs 32_43 p.182
- Опции монтажа bild 1 5 bild 1 5 bild 1 0 bild 1 2 p.182
- Настольная подставка bild p.182
- Wall mount wm 68 для настенного монтажа p.182
- Wall mount wm 67 для настенного монтажа p.182
- Стандарт vesa p.183
- Инструкции об использовании третьестороннего монтажно го оборудования стандарта vesa p.183
- Этикетка 2 p.184
- Этикетка 1 p.184
- Энергопотребление p.184
- Функция автоматического отключения p.184
- Утилизация p.184
- Упаковка и коробка p.184
- Телевизор p.184
- Окружающие условия p.184
- Лицензии p.184
- Батарейки p.184
- Этикетка 3 p.184
- Проблема возможная причина решение инструкции p.186
- System settings control hbbtv p.186
- Проблема возможная причина решение инструкции p.187
- Проблема возможная причина решение инструкции p.188
- System settings p.188
- System setting p.188
- Smartcard rights p.188
- Signal typ p.188
- Same rights p.188
- Connection p.188
- Av standar p.188
- Av connectin p.188
- Automati p.188
- Проблема возможная причина решение инструкции p.189
- Stereo pcm p.189
- Проблема возможная причина решение инструкции p.190
- System settings extras reset to factory settings hdmi p.190
- Проблема возможная причина решение инструкции p.191
- System settings extras integrated feature p.191
- Recordings digital recorder multi recordin p.191
- Проблема возможная причина решение инструкции p.192
- System settings extras p.192
- System settings control software update p.192
- Softwar p.192
- Integrated feature p.192
- Коды ошибок са модуля p.193
- В случае возникновения проблем в работе са модуля на экране телевизора будет отображено сообщение об ошибке в следующей таблице пред ставлено обозначение ci кодов p.193
- Функция accurate recording accurec p.194
- Common interface ci p.194
- Са модул p.194
- Av источники сигнала p.194
- Automatic time control p.194
- Rca кабель p.194
- Audio return channe p.194
- P motion picture display p.194
- Dvd ресивер p.194
- Dvb c s t p.194
- Dolby vision p.194
- Dolby virtual speaker p.194
- Dolby surround p.194
- Dolby pro logic ii p.194
- Dolby pro logic p.194
- Dolby digital p.194
- Digital link hd p.194
- Dhcp сервер p.194
- Component p.194
- Common interface plus p.194
- Электронная программа телевещания p.195
- Мультимедийный контент p.195
- Pixel error p.195
- Page catching p.195
- Network id идентификационный номер сети p.195
- Lnb lnc p.195
- Jpeg jpg p.195
- Ir link p.195
- Ip адрес p.195
- Id3 тэги p.195
- Hdtv hd p.195
- Hdr 10 p.195
- Hd ready p.195
- Ethernet p.195
- Dynamic contrast rati p.195
- Powerline p.196
- Порт p.196
- Диски blu ray p.196
- Группа сигналов p.196
- Вч и нч p.196
- Беспроводная сеть p.196
- Активная антенна p.196
- Администратор p.196
- Ycc ypp p.196
- Upnp av p.196
- Ultra hd p.196
- Terrestrial p.196
- Stereo p.196
- Proscan progressive scan p.196
- Progressive jpeg p.196
- Разъем euro av p.197
- Кабельная приставка p.197
- Разъем av p.197
- Mac адрес p.197
- Проводная сеть p.197
- Порт p.197
- Пиксель p.197
- Напряжение включения p.197
- Мультимедийный сервер p.197
- Электронная программа телевещания p.197
- Шлюз p.197
- Модулятор p.197
- Частота p.197
- Модуль условного допуска ca модуль p.197
- Хост p.197
- Мбит сек p.197
- Тюнер p.197
- Маршрутизатор p.197
- Спутниковый тюнер p.197
- Коэффициент статической контрастност p.197
- Смарт карта p.197
- Компонентное соединение p.197
- Скорость передачи символов p.197
- Клиент p.197
- Сила сигнала p.197
- Качество сигнала p.197
- Свитч p.197
- Канал wlan p.197
- Česká republika p.203
- Ul zakopiańska 153 p.203
- A čaka iela 80 rīga lv 1011 latvia p.203
Похожие устройства
-
Loewe OLED56435D51 Bild 7.55 Graphite GreyРуководство по эксплуатации -
Loewe 56404W90 Bild 1.40Инструкция по эксплуатации -
Loewe Bild 9.65 Graphite Grey + FS 9.65 Amber GoldИнструкция по эксплуатации -
Loewe 56436D51 Bild 7.65 GRAPHITE GREYИнструкция по эксплуатации -
Loewe OLED56437D50 Bild 7.77 Graphite GreyИнструкция по эксплуатации -
Loewe OLED57441W90 Bild 4.55 BlackИнструкция по эксплуатации -
Loewe Individual 55 52403P43 Alu TitanИнструкция по эксплуатации -
Loewe Individual 46 52402U43 WhiteИнструкция по эксплуатации -
Loewe Individual 46 52402B43 Alu SilverИнструкция по эксплуатации -
Loewe Individual 40 52401U43 WhiteИнструкция по эксплуатации -
Loewe ART 40 52435W85 BlackИнструкция по эксплуатации -
Loewe 51414O80 BrownИнструкция по эксплуатации
Узнайте, как правильно подключить активные громкоговорители и HiFi/AV усилители к телевизору. Подробные инструкции и советы по настройке звука.