Gigabyte MD60-SC0 (rev. 1.1) [9/127] Block diagram
Содержание
- Https www facebook com gigabyteserver p.2
- Http reseller b2b gigabyte com p.2
- Http b2b gigabyte com p.2
- Documentation classifications p.2
- Disclaimer p.2
- Copyright p.2
- Table of contents p.3
- Chapter 2 bios setup 0 p.3
- Box contents md60 sc0 motherboard layout block diagram chapter 1 hardware installation 0 p.3
- 5 back panel connectors 19 1 6 internal connectors 21 1 7 jumper settings 34 p.3
- 4 installing the memory 17 p.3
- 3 intel rc setup menu 66 p.3
- 1 the main menu 42 2 2 advanced menu 45 p.3
- 1 installation precautions 10 1 2 productspecifications 11 1 3 installing the cpu and cpu cooler 13 p.3
- Chapter 3 appendix 26 p.4
- 6 boot menu 116 2 7 save exit menu 118 2 8 bios post codes 120 2 9 bios post beep code 124 p.4
- 5 security menu 112 p.4
- 4 server management menu 107 p.4
- 10 bios recovery instruction 125 p.4
- 1 regulatory statements 126 p.4
- Box contents p.5
- 3 4 5 6 7 8 p.6
- Md60 sc0 md60 sc1 motherboard layout p.6
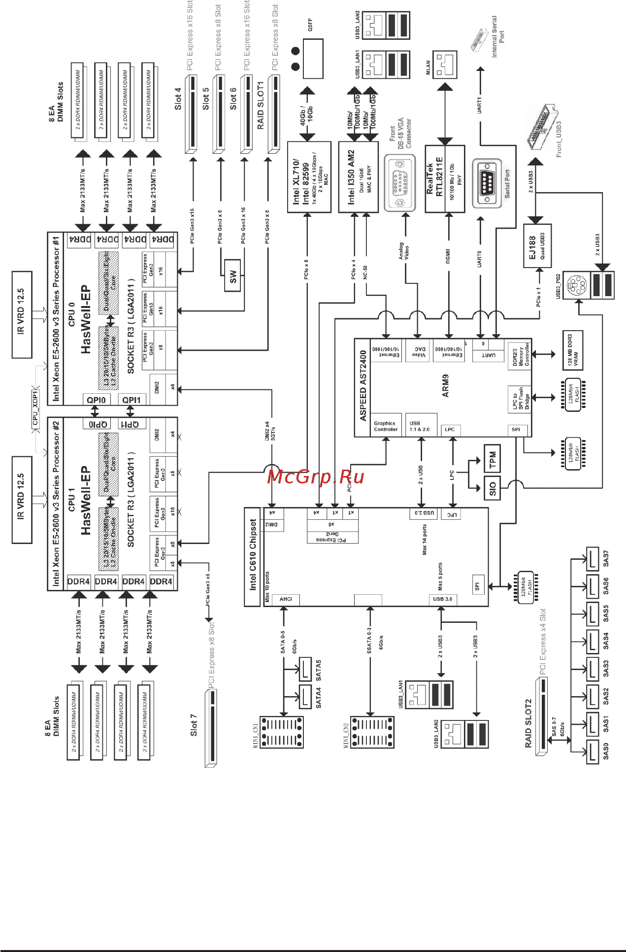
- Block diagram p.9
- Chapter 1 hardware installation p.10
- 1 installation precautions p.10
- 2 productspecifications p.11
- 3 installing the cpu and cpu cooler p.13
- 3 1 installing the cpu p.13
- 3 2 installing the cpu cooler p.16
- 4 installing the memory p.17
- 4 1 fourchannelmemoryconfiguration p.17
- Note ddr4 2400mhz is only available on intel xeon e5 2600 v4 processor p.18
- Installation step step 1 insert the dimm memory module vertically into the dimm slot and push it down step 2 close the plastic clip at both edges of the dimm slots to lock the dimm module note for dual channel operation dimms must be installed in matched pairs step 3 reverse the installation steps when you wish to remove the dimm module p.18
- Hardware installation 18 p.18
- Before installing a memory module make sure to turn off the computer and unplug the power cord from the power outlet to prevent damage to the memory module be sure to install ddr4 dimms on this motherboard p.18
- 4 3 dimm population table p.18
- 4 2 installing a memory p.18
- Twoslotschannelrdimmpopulationconfigurationwithinachannel p.18
- Video port p.19
- Usb 3 port p.19
- Serial port p.19
- Rj 45 lan ports gigabit ethernet lan ports p.19
- Qsfp lan port md60 sc0 only p.19
- Ps 2 keyboard mouse port p.19
- Kvm server management 10 100 1000 mbpslan port dedicated lan port p.19
- Id switch button p.19
- 5 back panel connectors p.19
- Whenremovingthecableconnectedtoabackpanelconnector firstremovethecablefromyour device and then remove it from the motherboard when removing the cable pull it straight out from the connector do not rock it side to side to prevent an electrical short inside the cable connector p.20
- Hardware installation 20 p.20
- 6 internal connectors p.21
- To meet expansion requirements it is recommended that a power supply that can withstand high power consumption be used 500w or greater if a power supply is used that does not provide the required power the result can lead to an unstable or unbootable system p.23
- 23 hardware installation p.23
- 2 3 atx1 p12v_aux2 p12v_aux1 2x4 12v power connector and 2x12 main power connector p.23
- With the use of the power connector the power supply can supply enough stable power to all the componentsonthemotherboard beforeconnectingthepowerconnector firstmakesurethepower supply is turned off and all devices are properly installed the power connector possesses a foolproof design connect the power supply cable to the power connector in the correct orientation the 12v power connector mainly supplies power to the cpu if the 12v power connector is not connected the computer will not start p.23
- The motherboard has two 4 pin cpu fan headers and five 4 pin system fan headers most fan headers possess a foolproof insertion design when connecting a fan cable be sure to connect it in the correct orientation the black connector wire is the ground wire the motherboard supports cpu fan speed control which requires the use of a cpu fan with fan speed control design for optimum heat dissipation it is recommended that a system fan be installed inside the chassis p.24
- Pmbus pmbus connector p.24
- Hardware installation 24 p.24
- Be sure to connect fan cables to the fan headers to prevent your cpu and system from overheating overheating may result in damage to the cpu or the system may hang thesefanheadersarenotconfigurationjumperblocks donotplaceajumpercapontheheaders p.24
- 6 7 8 9 10 11 cpu_fan0 cpu_fan1 sys_fan1 sys_fan2 sys_fan3 sys_fan4 sys_fan5 cpu fan system fan headers p.24
- The sata connectors conform to sata 6gb s standard and are compatible with sata 3gb s and 1 gb s standard each sata connector supports a single sata device please see page 35 for sata dom jumper setting p.25
- The sas connectors conform to sas 6gb s standard the sas0 1 2 3 4 5 6 7 ports can be activated by using gigabyte extension card p.25
- Sata 4 does not support right angle module of sata dom p.25
- Sas0 sas1 sas2 sas3 sas4 sas5 sas6 sas7 sas cable connectors p.25
- Note whenaraidconfigurationisbuiltacrossthesata6gb schannels thesystemperformanceof theraidconfigurationmayvarydependsonthedevicesareconnected p.25
- Araid0orraid1configurationrequiresatleasttwoharddrives ifmorethantwoharddrives areconfigured thetotalnumberofharddrivesmustbeanevennumber araid10configurationrequiresfourharddrives p.25
- 25 hardware installation p.25
- 13 sata4 sata5 sata 6gb s connectors support sata dom function p.25
- Hardware installation 26 p.26
- 16 mini_cn2 mini_cn1 mini sas cable connectors p.26
- The mini sas connectors conform to sata 6gb s standard each mini sas connector supports four sata device p.26
- Theheadersconformtousb3 specification eachusbheadercanprovidetwousbportsviaan optional usb bracket for purchasing the optional usb bracket please contact the local dealer p.27
- Sgpio stands for serial general purpose input output which is a 4 signal or 4 wire bus used between a host bus adapter hba and a backplane out of the 4 signals 3 are driven by the hba and 1 is driven by the backplane typically the hba is a storage controller located inside a server desktop rack or workstation computer that interfaces with hard disk drives hdds to store and retrieve data p.27
- F_usb3 usb 3 header p.27
- 27 hardware installation p.27
- 18 sas_sgp1 sas_sgp2 sas sgpio headers p.27
- The front panel design may differ by chassis a front panel module mainly consists of power switch reset switch power led hard drive activity led speaker and etc when connecting your chassis front panel module to this header make sure the wire assignments and the pin assignments are matched correctly p.28
- Hardware installation 28 p.28
- Fp_1 front panel header p.28
- Connect the power switch reset switch chassis intrusion switch sensor and system status indicator on the chassis to this header according to the pin assignments below note the positive and negative pins before connecting the cables p.28
- Bp_1 hdd back plane board hearders p.29
- 29 hardware installation p.29
- Tpm tpm module connector p.30
- The com header provides one serial port via an optional com port cable for purchasing the optional com port cable please contact the local dealer p.30
- Hardware installation 30 p.30
- Com2 serial port header p.30
- Mlan_link management lan port link led header p.31
- 31 hardware installation p.31
- 25 lan4_act lan3_act lan4 lan3 active led header p.31
- Mlan_act management lan port active led header p.32
- Ipmb ipmb connector p.32
- Hardware installation 32 p.32
- Thebatteryprovidespowertokeepthevalues suchasbiosconfigurations date andtimeinformation in the cmos when the computer is turned off replace the battery when the battery voltage drops to a low level or the cmos values may not be accurate or may be lost p.33
- Led_bmc bmc firmware readiness led p.33
- Bat battery p.33
- 33 hardware installation p.33
- 7 jumper settings p.34
- Pleaserefertothepindefinitiontableinthefollowing p.35
- Clr_cmos clearing cmos jumper p.35
- Caution if the sata dom power is supplied by the motherboard set the jumper to pin 1 2 if the sata dom power is supplied by external power set the jumper to pin 2 3 if a sata type hard drive is connected to the motherboard please ensure the jumper is closed and set to 2 3 pins default setting in order to reduce any risk of hard disk damage p.35
- 35 hardware installation p.35
- 2 sata_dom4 sata_dom5 sata port 4 and port 5 dom jumpers p.35
- Usethisjumpertoclearthecmosvalues e g dateinformationandbiosconfigurations andreset the cmos values to factory defaults to clear the cmos values place a jumper cap on the two pins to temporarily short the two pins or use a metal object like a screwdriver to touch the two pins for a few seconds p.35
- Me_update me update jumper p.36
- Hardware installation 36 p.36
- Case_open chassis intrusion header p.36
- Bios_rcvr bios recovery jumper p.37
- Bios_pwd clearing supervisor password jumper p.37
- 37 hardware installation p.37
- 3 close skip supervisor password p.37
- 3 close bios recovery mode p.37
- 2 close normal operation default setting p.37
- S3_mask s3 power on select jumper p.38
- Me_rcvr me recovery jumper p.38
- Hardware installation 38 p.38
- 39 hardware installation p.39
- 3 close force to stop frb timer p.39
- 2 close normal operation default setting p.39
- Sw_raid intel lsi software raid key header p.39
- Bmc_frb force to stop frb timer jumper p.39
- Chapter 2 bios setup p.40
- Bios setup program function keys p.40
- Server management p.41
- Security p.41
- Intel rc setup p.41
- Advanced p.41
- 1 the main menu p.42
- Memory information total memory p.43
- Memory frequency p.43
- Fru version p.43
- Bmc information p.43
- Bmc firmware version p.43
- Bios information porject name p.43
- Bios build date and time p.43
- Sdr reversion p.43
- Processor information cpu brand string max cpu speed cpu signature processors core microcode patch p.43
- Porject version p.43
- System time p.44
- System date p.44
- Onboard lan information lan1 lan2 lan3 lan4 mac address p.44
- 2 advanced menu p.45
- 2 1 serial port console redirection p.46
- Resolution 100x31 p.48
- Recorder mode p.48
- Parity p.48
- Flow control p.48
- Data bits p.48
- Console redirection settings terminal type p.48
- Com1 com2 serial over lan console redirection settings console redirectio p.48
- Bits per second p.48
- Vt utf8 combo key support p.48
- Stop bits p.48
- Redirection after bios post p.49
- Putty keypad p.49
- Out of bnad mgmt port p.49
- Legacy os redirection resolution p.49
- Vga palette snoop p.50
- Pci express slot 1 2 3 4 5 i o rom p.50
- Pci devices common settings pci latency timer p.50
- Onboard lan 1 2 3 4 i o rom p.50
- Onboard lan 1 2 3 4 controller p.50
- Above 4g decoding p.50
- 2 2 pci subsystem settings p.50
- Sr iov support p.51
- Pci express settings p.51
- 2 2 1 pci express settings p.52
- Pci express link register settings extended synch p.52
- Pci express device register settings relaxed ordering p.52
- No snoop p.52
- Maximum playload p.52
- Link training retry p.52
- Extended tag p.52
- Unpopulated links p.53
- Link training timeout us p.53
- Pxe boot wait tim p.54
- Network stack p.54
- Media detect tim p.54
- Ipv6 pxe suppor p.54
- Ipv4 pxe suppor p.54
- 2 3 network stack p.54
- Bootoptionfilter p.55
- 2 4 csmconfiguration p.55
- Option rom messages p.55
- Int19 endless retry p.55
- Gate20 active p.55
- Csm16 module version p.55
- Csm support p.55
- Compatibilitysupportmoduleconfiguration p.55
- Storage p.56
- Other pci devices p.56
- Option rom execution p.56
- Network p.56
- Postreportconfiguration error message report post error message p.57
- 2 5 postreportconfiguration p.57
- Current status information p.58
- Configuration security device support p.58
- 2 6 trusted computing p.58
- 2 7 usbconfiguration p.59
- Xhci hand off p.59
- Usbconfiguration usb devices p.59
- Usb mass storage driver suppor p.59
- Port 60 64 emulation p.59
- Ehci hand off p.59
- Restore on ac power loss p.60
- Deep sleep eup p.60
- Chassis opened warning p.60
- 2 8 chipsetconfiguration p.60
- 9 sioconfiguration p.61
- Serialport1configuration use this device p.63
- Possible p.63
- Logical device settings current p.63
- Ami sio driver version p.63
- Active ps2 mouse p.63
- Active ps2 keyboard p.63
- Superiochiplogicaldevice s configuration active serial port 1 2 p.63
- Use this device p.64
- Serialport2configuration p.64
- Ps2mouseconfiguration logical device settings current p.64
- Ps2keyboardconfiguration logical device settings current p.64
- Possible p.64
- Logical device settings current p.64
- Iscsi initiator name add an attempts p.65
- Delete attempts p.65
- Change attempt order p.65
- 2 10 iscsiconfiguration p.65
- Rc revision p.66
- 3 intel rc setup menu p.66
- 3 1 processorconfiguration p.67
- Dcu ip prefetch p.68
- Adjacent cache line prefetch p.68
- Vmx vanderpool technology p.68
- Processorconfiguration pre socketconfiguration p.68
- Processor socket processor id processor frequency processor max raito processor min raio microcode revision l1 cache ram l2 cache ram l3 cache ram processor 0 1version p.68
- Hyper threading all p.68
- Hardware prefetcher p.68
- Execute disable bit p.68
- Enable smx intel safer mode extensions technology p.68
- Enable intel txt support p.68
- Dcu streamer prefetch p.68
- Dcu mode p.68
- X2apic p.69
- Direct cache access dca p.69
- Dca prefetch delay p.69
- Aes ni p.69
- 3 1 1pre socketconfiguration p.70
- Cores enabled for cpu socket 0 1 p.71
- Cpusocket0 1configuration p.71
- Cpu t state control p.72
- Cpu p state control p.72
- Cpu c state control p.72
- Configtdp p.72
- Advancedpowermanagementconfiguration power technology p.72
- 3 2 advancedpowermanagementconfiguration p.72
- Turbo mode p.73
- P state coordination p.73
- Eist p state p.73
- 3 2 1 cpu p state control p.73
- Package c state limit p.74
- Cpu c3 c6 report p.74
- 3 2 2 cpu c state control p.74
- Acpi t states p.75
- 3 2 3 cpu t state control p.75
- Numa non uniform memory access p.76
- Commonrefcodeconfiguration isoc mode p.76
- 3 3 commonrefcodeconfiguration p.76
- 3 4 qpiconfiguration p.77
- Qpigeneralconfiguration p.78
- Qpi status p.78
- Link speed mode p.78
- Link frequency select p.78
- Rmt pattern length p.79
- Rank margin tool p.79
- Memory topology p.79
- Memory thermal p.79
- Memory frequency p.79
- Integrated memory controller imc enforce por p.79
- Ecc support p.79
- 3 5 memoryconfiguration p.79
- Spd write lock p.79
- Memoryrasconfiguration p.80
- Memory map p.80
- 3 5 1 memory topology p.81
- Set throttling mode p.82
- Memhot throttling mode p.82
- 3 5 2 memory thermal p.82
- Socket interleave below 4gb p.83
- Rank interleaving p.83
- Channel interleaving p.83
- 3 5 3 memory map p.83
- Ras mode p.84
- Memory rank sparing p.84
- Lockstep x4 dimms p.84
- Correctable error threshold p.84
- 3 5 4memoryrasconfiguration p.84
- Ioatconfiguration p.85
- Intel vt for directed i o vt d p.85
- Iioconfiguration ev dfx features p.85
- 3 6 iioconfiguration p.85
- No snoop p.86
- Ioatconfiguration enable ioat p.86
- 3 6 1ioatconfiguration p.86
- Interrupt remapping p.87
- Intel vt for directed i o vt d vt d azalea vcp optimizations p.87
- Intel vt for directed i o vt d p.87
- Coherency suuport non isoch p.87
- Coherency suuport isoch p.87
- 3 6 2 intel vt for directed i o vt d p.87
- Pchsataconfiguration p.88
- Pchconfiguration pch devices p.88
- 3 7 pchconfiguration p.88
- Usbconfiguration p.88
- Pchssataconfiguration p.88
- Pch crid p.89
- 3 7 1 pch devices p.89
- 3 7 2pchssataconfiguration p.90
- When sata type is set to ide p.91
- Support aggressive link power man p.91
- Sata test mode p.91
- Sata mode option p.91
- Pchssataconfiguration ssata controller s p.91
- Configuressataas p.91
- Spin up device for port 0 1 2 3 p.92
- Port 0 1 2 3 p.92
- Hot plug for port 0 1 2 3 p.92
- Configuredasesat p.92
- Alternate device id on raid p.92
- Ssata port 0 1 2 3 p.92
- Ssata device type p.92
- When sata type is set to ide ahci mode p.93
- Sata led locate p.93
- 3 7 2 1 sata mode options p.93
- When sata type is set to raid mode p.94
- Smart response technology p.94
- Sata led locate p.94
- Raid orom prompt delay p.94
- Raid option rom ui banner p.94
- Irrt only on esata p.94
- Intel rapid recovery technology p.94
- 3 7 3pchsataconfiguration p.95
- Sata mode option p.96
- Pchsataconfiguration sata controller s p.96
- Configuressataas p.96
- When sata type is set to ide p.96
- Sata test mode p.96
- Sata rste boot inf p.96
- Support aggressive link power man p.97
- Ssata port 0 1 2 3 4 5 p.97
- Ssata device type p.97
- Spin up device for port 0 1 2 3 4 5 p.97
- Port 0 1 2 3 4 5 p.97
- Hot plug for port 0 1 2 3 4 5 p.97
- Configuredasesat p.97
- Alternate device id on raid p.97
- When sata type is set to ide ahci mode p.98
- Sata led locate p.98
- 3 7 3 1 sata mode options p.98
- Raid option rom ui banner p.99
- Intel rapid recovery technology p.99
- When sata type is set to raid mode p.99
- Smart response technology p.99
- Sata led locate p.99
- Raid orom prompt delay p.99
- Xhci mode p.100
- Usb precondition p.100
- 3 7 4usbconfiguration p.100
- Miscellaneousconfiguration active video p.101
- 3 8 miscellaneousconfiguration p.101
- Me firmware status 1 2 p.102
- Me firmware features p.102
- Mctp bus owner p.102
- Greneralmeconfiguration operational firmware version p.102
- Error code for me firmware p.102
- Current state for me firmware p.102
- 3 9 servermeconfiguration p.102
- Recovery firmware version p.102
- Whea settings p.103
- S w error injection support p.103
- Runtime error logging system errors p.103
- Pci pci error enabling p.103
- Memory error enabling p.103
- 3 10 runtime error logging p.103
- Whea support windows hardware error architecture p.104
- 3 10 1 whea setting p.104
- Memory error enabling un correctable errors disable memory p.105
- Memory corrected errors enabling p.105
- 3 10 2 memory error enabling p.105
- Enable serr propagation p.106
- Enable perr propagation p.106
- Corrected error enable p.106
- 3 10 3 pci pci error enabling p.106
- Uncorrected error enable p.106
- Pci ex error enabl p.106
- Fatal error enable p.106
- Os wtd timer timeout p.107
- Os wtd timer policy p.107
- Os watchdog timer p.107
- Frb2 timer timeout p.107
- Frb2 timer policy p.107
- Frb 2 timer p.107
- 4 server management menu p.107
- View fru information p.108
- System event log p.108
- Bmcnetworkconfiguration p.108
- Enabling disabling options p.109
- Custom efi logging options p.109
- 4 1 system event log p.109
- When sel is full p.109
- Sel components p.109
- Log efi status codes p.109
- Erasing settings p.109
- Erasing sel p.109
- 4 2 view fru information p.110
- Subnet mask p.111
- Station mac address p.111
- Station ip address p.111
- Select ncsi and dedicated lan p.111
- Router ip address p.111
- Real time synchronize bmc network parameter values p.111
- Lan channel 1 p.111
- Configurationaddresssource p.111
- Bmcnetworkconfiguration p.111
- 4 3 bmcnetworkconfiguration p.111
- User password p.112
- Secure boot menu p.112
- Administrator password p.112
- 5 security menu p.112
- Secure mode p.113
- Secure boot mode p.113
- Secure boot p.113
- Key managemen p.113
- 5 1 secure boot menu p.113
- Platform key pk p.114
- Key exchange key database kek p.114
- Enroll all factory default keys p.114
- Delete the pk p.114
- Delete kek p.114
- Default key provisioning p.114
- 5 1 1 key management p.114
- Set new pk file p.114
- Set new kek p.114
- Save all secure boot variables p.114
- Set new db p.115
- Set dbx from file p.115
- Forbidden signature database dbx p.115
- Delete the dbx p.115
- Delete db p.115
- Authorized signature database db p.115
- Append var to kek p.115
- Append var to dbx p.115
- Append avar to db p.115
- Bootconfiguration p.116
- Boot option priorities p.116
- Boot option 1 2 3 4 p.116
- 6 boot menu p.116
- Setup prompt timeout p.116
- Quiet boot p.116
- Bootup numlock state p.116
- Network device bbs priorities p.117
- Hard drive bbs priorities p.117
- Save options p.118
- Save changes and exit p.118
- Save changes p.118
- Restore defaults p.118
- Discard changes and exit p.118
- Discard changes p.118
- 7 save exit menu p.118
- Uefi built in in efi shell p.119
- Boot override p.119
- 8 bios post codes p.120
- 9 1 pei beep codes p.124
- 9 bios post beep code p.124
- 9 2 dex beep codes p.124
- 10 bios recovery instruction p.125
- Weee symbol statement p.126
- Waste electrical electronic equipment weee directive statement p.126
- Restriction of hazardous substances rohs directive statement p.126
- Regulatory notices p.126
- Our commitment to preserving the environment p.126
- Chapter 3 appendix p.126
- 1 regulatory statements p.126
Похожие устройства
-
Gigabyte MU70-SU0 (rev. 1.0)Инструкция -
Gigabyte MW50-SV0 (rev. 1.0)Инструкция -
Gigabyte MD80-TM1 (rev. 1.0)Инструкция -
Gigabyte MD80-TM0 (rev. 1.0)Инструкция -
Gigabyte MW31-SP0 (rev. 1.0)Инструкция -
Gigabyte MW21-SE0 (rev. 1.0)Инструкция -
Gigabyte MD70-HB2 (rev. 1.0)Инструкция -
Gigabyte MD70-HB0 (rev. 1.2)Инструкция -
Gigabyte MD60-SC1 (rev. 1.1)Инструкция -
Gigabyte MH70-HD1 (rev. 1.0)Инструкция -
Gigabyte MH70-HD0 (rev. 1.0)Инструкция -
Gigabyte MW70-3S0 (rev. 1.0)Инструкция
![Gigabyte MD60-SC0 (rev. 1.1) [9/127] Block diagram](/views2/1680181/page9/bg9.png)