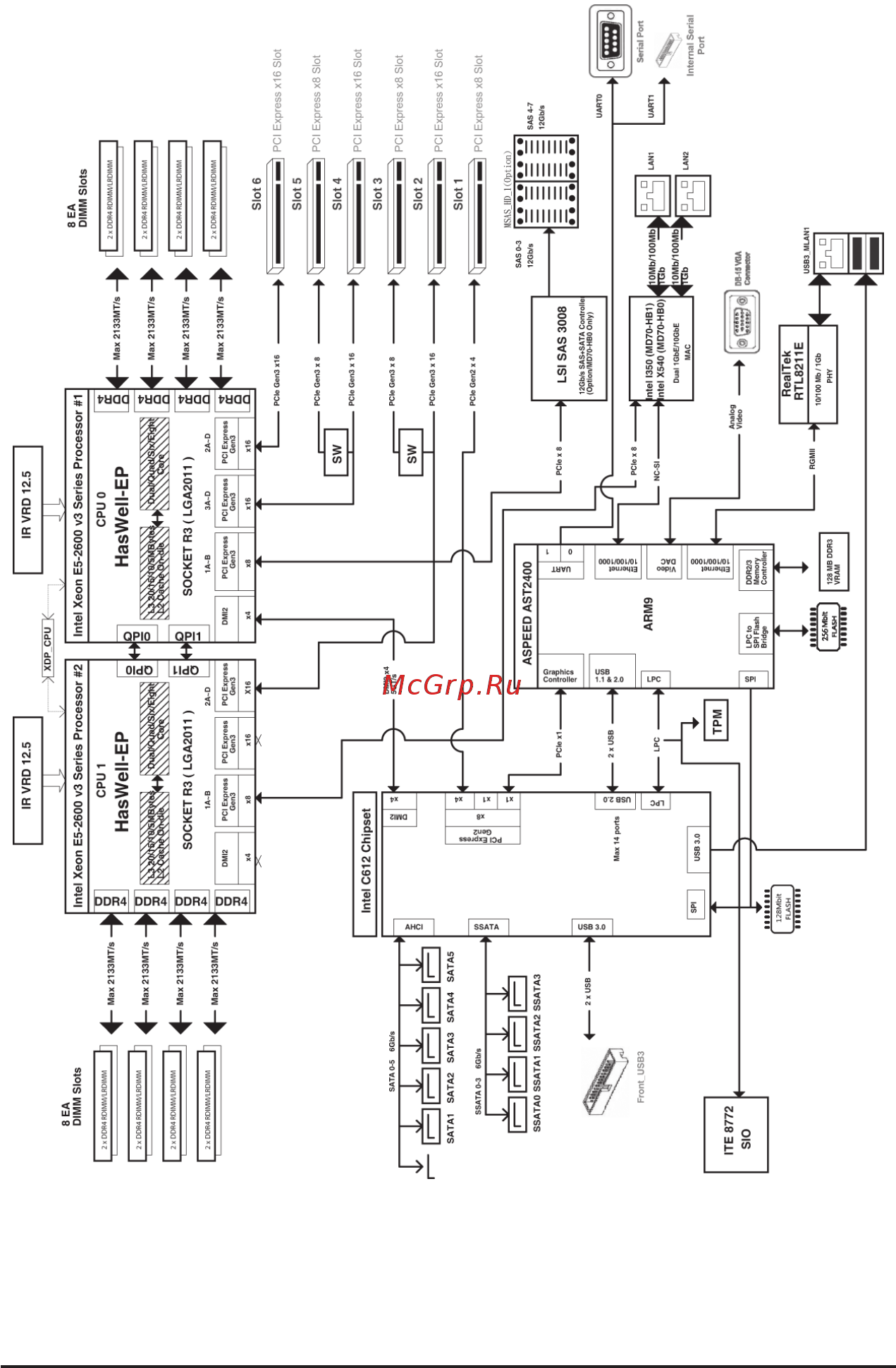
Gigabyte MD70-HB2 (rev. 1.0) [9/130] Md70 hb0 md70 hb1 block diagram
Содержание
- Http b2b gigabyte com p.2
- Documentation classifications p.2
- Disclaimer p.2
- Https www facebook com gigabyteserver p.2
- Http reseller b2b gigabyte com p.2
- Copyright p.2
- 1 the main menu 46 2 2 advanced menu 49 p.3
- 1 installation precautions 11 1 2 productspecifications 12 1 3 installing the cpu and cpu cooler 14 p.3
- Table of contents p.3
- Chapter 2 bios setup 4 p.3
- Box contents md70 hb0 md70 hb1 motherboard layout md70 hb0 md70 hb1 block diagram md70 hb2 block diagram 0 chapter 1 hardware installation 1 p.3
- 5 back panel connectors 20 1 6 internal connectors 22 1 7 jumper settings 38 p.3
- 4 installing the memory 18 p.3
- 3 intel rc setup menu 69 p.3
- 10 bios recovery instruction 128 p.4
- 1 regulatory statements 129 p.4
- Chapter 3 appendix 29 p.4
- 6 boot menu 119 2 7 save exit menu 121 2 8 bios post codes 123 2 9 bios post beep code 127 p.4
- 5 security menu 115 p.4
- 4 server management menu 110 p.4
- Box contents p.5
- Md70 hb0 md70 hb1 md70 hb2 motherboard layout p.6
- 2 3 4 5 6 7 p.6
- Md70 hb0 md70 hb1 block diagram p.9
- Md70 hb2 block diagram p.10
- Chapter 1 hardware installation p.11
- 1 installation precautions p.11
- 2 product specifications p.12
- 3 installing the cpu and cpu cooler p.14
- 3 1 installing the cpu p.14
- 3 2 installing the cpu cooler p.17
- 4 1 four channel memory configuration p.18
- 4 installing the memory p.18
- Two slots channel rdimm population configuration within a channel p.19
- Note ddr4 2400mhz is only available on intel xeon e5 2600 v4 processor p.19
- Installation step step 1 insert the dimm memory module vertically into the dimm slot and push it down step 2 close the plastic clip at both edges of the dimm slots to lock the dimm module note for dual channel operation dimms must be installed in matched pairs step 3 reverse the installation steps when you wish to remove the dimm module p.19
- Before installing a memory module make sure to turn off the computer and unplug the power cord from the power outlet to prevent damage to the memory module be sure to install ddr4 dimms on this motherboard p.19
- 4 3 dimm population table p.19
- 4 2 installing a memory p.19
- 19 hardware installation p.19
- Rj 45 lan ports 10 gigabit ethernet lan ports p.20
- Video port p.20
- Usb 3 port p.20
- Serial port p.20
- Kvm server management 10 100 1000 lan port dedicated lan port p.20
- Id switch button p.20
- 5 back panel connectors p.20
- 21 hardware installation p.21
- Whenremovingthecableconnectedtoabackpanelconnector firstremovethecablefromyour device and then remove it from the motherboard when removing the cable pull it straight out from the connector do not rock it side to side to prevent an electrical short inside the cable connector p.21
- 6 internal connectors p.22
- With the use of the power connector the power supply can supply enough stable power to all the componentsonthemotherboard beforeconnectingthepowerconnector firstmakesurethepower supply is turned off and all devices are properly installed the power connector possesses a foolproof design connect the power supply cable to the power connector in the correct orientation the 12v power connector mainly supplies power to the cpu if the 12v power connector is not connected the computer will not start p.24
- To meet expansion requirements it is recommended that a power supply that can withstand high power consumption be used 500w or greater if a power supply is used that does not provide the required power the result can lead to an unstable or unbootable system p.24
- Hardware installation 24 p.24
- 2 3 atx1 p12v_aux1 p12v_aux2 2x4 12v power connector and 2x12 main power connector p.24
- The motherboard has two 4 pin cpu fan headers and four 4 pin system fan headers most fan headers possess a foolproof insertion design when connecting a fan cable be sure to connect it in the correct orientation the black connector wire is the ground wire the motherboard supports cpu fan speed control which requires the use of a cpu fan with fan speed control design for optimum heat dissipation it is recommended that a system fan be installed inside the chassis p.25
- Pmbus pmbus connector p.25
- Be sure to connect fan cables to the fan headers to prevent your cpu and system from overheating overheating may result in damage to the cpu or the system may hang thesefanheadersarenotconfigurationjumperblocks donotplaceajumpercapontheheaders p.25
- 6 7 8 9 10 11 cpu_fan0 cpu_fan1 sys_fan1 sys_fan2 sys_fan3 sys_fan4 sys_fan5 cpu fan system fan headers p.25
- 25 hardware installation p.25
- Sata 2 3 4 5ssata0 1 2 3 sata 6gb s connectors p.26
- Note whenaraidconfigurationisbuiltacrossthesata6gb schannels thesystemperformanceof theraidconfigurationmayvarydependsonthedevicesareconnected p.26
- Hardware installation 26 p.26
- Araid0orraid1configurationrequiresatleasttwoharddrives ifmorethantwoharddrives areconfigured thetotalnumberofharddrivesmustbeanevennumber araid10configurationrequiresfourharddrives p.26
- 13 sata0 sata1 sata 6gb s connectors sata4 5 support sata dom function p.26
- The sata connectors conform to sata 6gb s standard and are compatible with sata 3gb s and 1 gb s standard each sata connector supports a single sata device please see page 35 for sata dom jumper setting p.26
- The sata connectors conform to sata 6gb s standard and are compatible with sata 3gb s and 1 gb s standard each sata connector supports a single sata device p.26
- Msas_hd hd mini sas connectors p.27
- Hd mini sas high density sff 8644 is the next generation sas high density and high speed io interface hdmini sasisinthesas2 standard meetsthe6gb ssasspecification p.27
- 27 hardware installation p.27
- Sgpio stands for serial general purpose input output which is a 4 signal or 4 wire bus used between a host bus adapter hba and a backplane out of the 4 signals 3 are driven by the hba and 1 is driven by the backplane typically the hba is a storage controller located inside a server desktop rack or workstation computer that interfaces with hard disk drives hdds to store and retrieve data p.28
- Hardware installation 28 p.28
- 17 sata_sgp ssata_sgp sas sgpio headers p.28
- The front panel design may differ by chassis a front panel module mainly consists of power switch reset switch power led hard drive activity led speaker and etc when connecting your chassis front panel module to this header make sure the wire assignments and the pin assignments are matched correctly p.29
- Fp_1 front panel header p.29
- Connect the power switch reset switch chassis intrusion switch sensor and system status indicator on the chassis to this header according to the pin assignments below note the positive and negative pins before connecting the cables p.29
- 29 hardware installation p.29
- Hardware installation 30 p.30
- Bp_1 hdd back plane board hearders p.30
- F_usb1 usb 3 header p.31
- 31 hardware installation p.31
- Theheadersconformtousb3 specification eachusbheadercanprovidetwousbportsviaan optional usb bracket for purchasing the optional usb bracket please contact the local dealer p.31
- Ipmb ipmb connector p.31
- Tpm tpm module connector p.32
- Theheaderconformtousb2 specification eachusbheadercanprovidetwousbportsviaan optional usb bracket for purchasing the optional usb bracket please contact the local dealer p.32
- Hardware installation 32 p.32
- F_usb2 front usb header p.32
- The com header provides one serial port via an optional com port cable for purchasing the optional com port cable please contact the local dealer p.33
- Sw_raid intel raid key header p.33
- Com2 serial port header p.33
- 33 hardware installation p.33
- Lsi_uart1 lsi uart header p.34
- Imr_key lsi raid key header p.34
- Hardware installation 34 p.34
- Closed active chassis intrustion alert p.35
- Case_open case open intrusion alert header p.35
- 35 hardware installation p.35
- Open normal operation p.35
- Led_bmc bmc firmware readiness led p.35
- Led lsi firmware readiness led p.36
- Lan1_led lan2_led lan1 lan2 link active led headers p.36
- Hardware installation 36 p.36
- Thebatteryprovidespowertokeepthevalues suchasbiosconfigurations date andtimeinformation in the cmos when the computer is turned off replace the battery when the battery voltage drops to a low level or the cmos values may not be accurate or may be lost p.37
- Bat battery p.37
- 37 hardware installation p.37
- 7 jumper settings p.38
- Usethisjumpertoclearthecmosvalues e g dateinformationandbiosconfigurations andreset the cmos values to factory defaults to clear the cmos values place a jumper cap on the two pins to temporarily short the two pins or use a metal object like a screwdriver to touch the two pins for a few seconds p.39
- Pleaserefertothepindefinitiontableinthefollowing p.39
- Clr_cmos clearing cmos jumper p.39
- Caution if the sata dom power is supplied by the motherboard set the jumper to pin 1 2 if the sata dom power is supplied by external power set the jumper to pin 2 3 if a sata type hard drive is connected to the motherboard please ensure the jumper is closed and set to 2 3 pins default setting in order to reduce any risk of hard disk damage p.39
- 39 hardware installation p.39
- 3 sata_dom0 sata_dom0 sata port 0 and port 1 dom jumpers p.39
- Hardware installation 40 p.40
- S3_mask s3 power on select jumper p.40
- Pmbus_sel pmbus power select jumper p.40
- Me_update me update jumper p.41
- Bmc_frb force to stop frb timer jumper p.41
- 41 hardware installation p.41
- 3 close me updated p.41
- 3 close force to stop frb timer p.41
- 2 close normal operation default setting p.41
- Me_rcvr me recovery jumper p.42
- Hardware installation 42 p.42
- Bios_wp bios write protect jumper p.42
- 3 close me recovery mode p.42
- 3 close enable bios write protect function p.42
- 2 close normal operation default setting p.42
- 3 close bios recovery mode p.43
- 2 close normal operation default setting p.43
- Bios_rvcr bios recovery jumper p.43
- Bios_pwd clearing supervisor password jumper p.43
- 43 hardware installation p.43
- 3 close skip supervisor password p.43
- Chapter 2 bios setup p.44
- Bios setup program function keys p.44
- Server management p.45
- Security p.45
- Intel rc setup p.45
- Advanced p.45
- 1 the main menu p.46
- Bios information porject name p.47
- Fru version p.47
- Bmc information p.47
- Bmc firmware version p.47
- Bios build date and time p.47
- Sdr version p.47
- Processor information cpu brand string max cpu speed cpu signature processors core microcode patch p.47
- Porject version p.47
- Memory information total memory p.47
- Memory frequency p.47
- System time p.48
- System date p.48
- Onboard lan information lan1 lan2 mac address p.48
- 2 advanced menu p.49
- 2 1 serial port console redirection p.50
- Parity p.52
- Flow control p.52
- Data bits p.52
- Console redirection settings terminal type p.52
- Com1 com2 serial over an console redirection settings console redirectio p.52
- Bits per second p.52
- Vt utf8 combo key support p.52
- Stop bits p.52
- Resolution 100x31 p.52
- Recorder mode p.52
- Redirection after bios post p.53
- Putty keypad p.53
- Out of bnad mgmt port p.53
- Legacy os redirection resolution p.53
- Vga palette snoop p.54
- Pci express slot 1 2 3 4 5 6 i o rom p.54
- Pci devices common settings pci latency timer p.54
- Onboard lan 1 2 i o rom p.54
- Onboard lan 1 2 controller p.54
- Above 4g decoding p.54
- 2 2 pci subsystem settings p.54
- Pci express settings p.55
- Sr iov support p.55
- Pci express link register settings extended synch p.56
- Pci express device register settings relaxed ordering p.56
- No snoop p.56
- Maximum playload p.56
- Link training retry p.56
- Extended tag p.56
- 2 2 1 pci express settings p.56
- Unpopulated links p.57
- Link training timeout us p.57
- Pxe boot wait tim p.58
- Network stack p.58
- Media detect tim p.58
- Ipv6 pxe suppor p.58
- Ipv4 pxe suppor p.58
- 2 3 network stack p.58
- Option rom messages p.59
- Int19 endless retry p.59
- Gate20 active p.59
- Csm16 module version p.59
- Csm support p.59
- Compatibility support module configuration p.59
- Boot option filter p.59
- 2 4 csm configuration p.59
- Storage p.60
- Other pci devices p.60
- Option rom execution p.60
- Network p.60
- Post report configuration error message report post error message p.61
- 2 5 post report configuration p.61
- Configuration security device support p.62
- 2 6 trusted computing p.62
- Current status information p.62
- Xhci hand off p.63
- Usb mass storage driver suppor p.63
- Usb configuration usb devices p.63
- Port 60 64 emulation p.63
- Legacy usb support p.63
- Ehci hand off p.63
- 2 7 usb configuration p.63
- Restore on ac power loss p.64
- Deep sleep eup p.64
- Chassis opened warning p.64
- Chassis opened status p.64
- 2 8 chipset configuration p.64
- 9 sio configuration p.65
- Active ps2 mouse p.66
- Active ps2 keyboard p.66
- Super io chip logical device s configuration active serial port 1 2 p.66
- Serial port 1 configuration use this device p.66
- Logical device settings current p.66
- Ami sio driver version p.66
- Serial port 2 configuration use this device p.67
- Possible p.67
- Logical device settings current p.67
- Iscsi initiator name add an attempts p.68
- Delete attempts p.68
- Change attempt order p.68
- 2 10 iscsi configuration p.68
- Rc revision p.69
- 3 intel rc setup menu p.69
- 3 1 processor configuration p.70
- Dcu ip prefetch p.71
- Adjacent cache line prefetch p.71
- Vmx vanderpool technology p.71
- Processor socket processor id processor frequency processor max raito processor min raio microcode revision l1 cache ram l2 cache ram l3 cache ram processor 0 1version p.71
- Processor configuration pre socket configuration p.71
- Hyper threading all p.71
- Hardware prefetcher p.71
- Execute disable bit p.71
- Enable smx intel safer mode extensions technology p.71
- Enable intel txt support p.71
- Dcu streamer prefetch p.71
- Dcu mode p.71
- X2apic p.72
- Direct cache access dca p.72
- Dca prefetch delay p.72
- Aes ni p.72
- 3 1 1 pre socket configuration p.73
- Cores enabled for cpu socket 0 1 p.74
- Cpu socket 0 1 configuration p.74
- Cpu t state control p.75
- Cpu p state control p.75
- Cpu c state control p.75
- Config tdp level p.75
- Config tdp p.75
- Advanced power management configuration power technology p.75
- 3 2 advanced power management configuration p.75
- Turbo mode p.76
- P state coordination p.76
- Eist p state p.76
- 3 2 1 cpu p state control p.76
- Package c state limit p.77
- Cpu c3 c6 report p.77
- 3 2 2 cpu c state control p.77
- 3 2 3 cpu t state control p.78
- Acpi t states p.78
- Numa non uniform memory access p.79
- Common refcode configuration isoc mode p.79
- 3 3 common refcode configuration p.79
- 3 4 qpi configuration p.80
- Qpi status p.81
- Qpi general configuration p.81
- Link speed mode p.81
- Link frequency select p.81
- Memory topology p.82
- Memory thermal p.82
- Memory map p.82
- Memory frequency p.82
- Integrated memory controller imc enforce por p.82
- Ecc support p.82
- 3 5 memory configuration p.82
- Spd write lock p.82
- Rmt pattern length p.82
- Rank margin tool p.82
- Memory ras configuration p.83
- 3 5 1 memory topology p.84
- Set throttling p.85
- Memhot throttling mode p.85
- Dimm temp stat p.85
- 3 5 2 memory thermal p.85
- Socket interleave below 4gb p.86
- Rank interleaving p.86
- Channel interleaving p.86
- 3 5 3 memory map p.86
- Lockstep x4 dimms p.87
- Correctable error threshold p.87
- 3 5 4 memory ras configuration p.87
- Ras mode p.87
- Memory rank sparing p.87
- Ioat configuration p.88
- Intel vt for directed i o vt d p.88
- Iio configuration ev dfx features p.88
- 3 6 iio configuration p.88
- No snoop p.89
- Ioat configuration enable ioat p.89
- 3 6 1 ioat configuration p.89
- Interrupt remapping p.90
- Intel vt for directed i o vt d vt d azalea vcp optimizations p.90
- Intel vt for directed i o vt d p.90
- Coherency suuport non isoch p.90
- Coherency suuport isoch p.90
- 3 6 2 intel vt for directed i o vt d p.90
- 3 7 pch configuration p.91
- Usb configuration p.91
- Pch ssata configuration p.91
- Pch sata configuration p.91
- Pch configuration pch devices p.91
- Pch crid p.92
- 3 7 1 pch devices p.92
- 3 7 2 pch ssata configuration p.93
- When sata type is set to ide p.94
- Support aggressive link power man p.94
- Sata test mode p.94
- Sata mode option p.94
- Pch ssata configuration ssata controller s p.94
- Configure ssata as p.94
- Hot plug for port 0 1 2 3 p.95
- Configured as esat p.95
- Alternate device id on raid p.95
- Ssata port 0 1 2 3 p.95
- Ssata device type p.95
- Spin up device for port 0 1 2 3 p.95
- Port 0 1 2 3 p.95
- When sata type is set to ide ahci mode p.96
- Sata led locate p.96
- 3 7 2 1 sata mode options p.96
- When sata type is set to raid mode p.97
- Smart response technology p.97
- Sata led locate p.97
- Raid orom prompt delay p.97
- Raid option rom ui banner p.97
- Irrt only on esata p.97
- Intel rapid recovery technology p.97
- 3 7 3 pch sata configuration p.98
- Configure ssata as p.99
- When sata type is set to ide p.99
- Sata test mode p.99
- Sata rste boot inf p.99
- Sata mode option p.99
- Pch sata configuration sata controller s p.99
- Support aggressive link power man p.100
- Ssata port 0 1 2 3 4 5 p.100
- Ssata device type p.100
- Spin up device for port 0 1 2 3 4 5 p.100
- Port 0 1 2 3 4 5 p.100
- Hot plug for port 0 1 2 3 4 5 p.100
- Configured as esat p.100
- Alternate device id on raid p.100
- When sata type is set to ide ahci mode p.101
- Sata led locate p.101
- 3 7 3 1 sata mode options p.101
- When sata type is set to raid mode p.102
- Smart response technology p.102
- Sata led locate p.102
- Raid orom prompt delay p.102
- Raid option rom ui banner p.102
- Intel rapid recovery technology p.102
- Xhci mode p.103
- Usb precondition p.103
- 3 7 4 usb configuration p.103
- Miscellaneous configuration active video p.104
- 3 8 miscellaneous configuration p.104
- Mctp bus owner p.105
- Greneral me configuration operational firmware version p.105
- Error code for me firmware p.105
- Current state for me firmware p.105
- 3 9 server me configuration p.105
- Recovery firmware version p.105
- Me firmware status 1 2 p.105
- Me firmware features p.105
- Whea settings p.106
- S w error injection support p.106
- Runtime error logging system errors p.106
- Pci pci error enabling p.106
- Memory error enabling p.106
- 3 10 runtime error logging p.106
- Whea support windows hardware error architecture p.107
- 3 10 1 whea setting p.107
- Memory error enabling un correctable errors disable memory p.108
- Memory corrected errors enabling p.108
- 3 10 2 memory error enabling p.108
- Corrected error enable p.109
- 3 10 3 pci pci error enabling p.109
- Uncorrected error enable p.109
- Pci ex error enable p.109
- Fatal error enable p.109
- Enable serr propagation p.109
- Enable perr propagation p.109
- Os wtd timer timeout p.110
- Os wtd timer policy p.110
- Os watchdog timer p.110
- Frb2 timer timeout p.110
- Frb2 timer policy p.110
- Frb 2 timer p.110
- 4 server management menu p.110
- View fru information p.111
- System event log p.111
- Bmc network configuration p.111
- 4 1 system event log p.112
- When sel is full p.112
- Sel components p.112
- Log efi status codes p.112
- Erasing settings p.112
- Erasing sel p.112
- Enabling disabling options p.112
- Custom efi logging options p.112
- 4 2 view fru information p.113
- Station ip address p.114
- Select ncsi and dedicated lan p.114
- Router ip address p.114
- Real time synchronize bmc network parameter values p.114
- Lan channel 1 p.114
- Configuration address source p.114
- Bmc network configuration p.114
- 4 3 bmc network configuration p.114
- Subnet mask p.114
- Station mac address p.114
- User password p.115
- Secure boot menu p.115
- Administrator password p.115
- 5 security menu p.115
- Secure mode p.116
- Secure boot mode p.116
- Secure boot p.116
- Key managemen p.116
- 5 1 secure boot menu p.116
- Enroll all factory default keys p.117
- Delete the pk p.117
- Delete kek p.117
- Default key provisioning p.117
- 5 1 1 key management p.117
- Set new pk file p.117
- Set new kek p.117
- Save all secure boot variables p.117
- Platform key pk p.117
- Key exchange key database kek p.117
- Set new db p.118
- Set dbx from file p.118
- Forbidden signature database dbx p.118
- Delete the dbx p.118
- Delete db p.118
- Authorized signature database db p.118
- Append var to kek p.118
- Append var to dbx p.118
- Append avar to db p.118
- Boot configuration p.119
- 6 boot menu p.119
- Setup prompt timeout p.119
- Quiet boot p.119
- Bootup numlock state p.119
- Boot option priorities p.119
- Boot option 1 2 3 4 p.119
- Network device bbs priorities p.120
- Hard drive bbs priorities p.120
- Save options p.121
- Save changes and exit p.121
- Save changes p.121
- Restore defaults p.121
- Discard changes and exit p.121
- Discard changes p.121
- 7 save exit menu p.121
- Uefi built in in efi shell p.122
- Boot override p.122
- 8 bios post codes p.123
- 9 bios post beep code p.127
- 9 2 dex beep codes p.127
- 9 1 pei beep codes p.127
- 10 bios recovery instruction p.128
- Weee symbol statement p.129
- Waste electrical electronic equipment weee directive statement p.129
- Restriction of hazardous substances rohs directive statement p.129
- Regulatory notices p.129
- Our commitment to preserving the environment p.129
- Chapter 3 appendix p.129
- 1 regulatory statements p.129
Похожие устройства
-
Gigabyte MU70-SU0 (rev. 1.0)Инструкция -
Gigabyte MW50-SV0 (rev. 1.0)Инструкция -
Gigabyte MD80-TM1 (rev. 1.0)Инструкция -
Gigabyte MD80-TM0 (rev. 1.0)Инструкция -
Gigabyte MW31-SP0 (rev. 1.0)Инструкция -
Gigabyte MW21-SE0 (rev. 1.0)Инструкция -
Gigabyte MD70-HB0 (rev. 1.2)Инструкция -
Gigabyte MD60-SC1 (rev. 1.1)Инструкция -
Gigabyte MD60-SC0 (rev. 1.1)Инструкция -
Gigabyte MH70-HD1 (rev. 1.0)Инструкция -
Gigabyte MH70-HD0 (rev. 1.0)Инструкция -
Gigabyte MW70-3S0 (rev. 1.0)Инструкция
![Gigabyte MD70-HB2 (rev. 1.0) [9/130] Md70 hb0 md70 hb1 block diagram](/views2/1680183/page9/bg9.png)