Volta PS-15A [9/9] Разъемы и кабели
![Volta P-10 Q [9/9] Разъемы и кабели](/views2/1874651/page9/bg9.png)
Не бойся быть услышанным!
Don't scared to be heard!
9
WWW.VOLTA-AUDIO.RU
VOLTA PS-15А, PS-18A
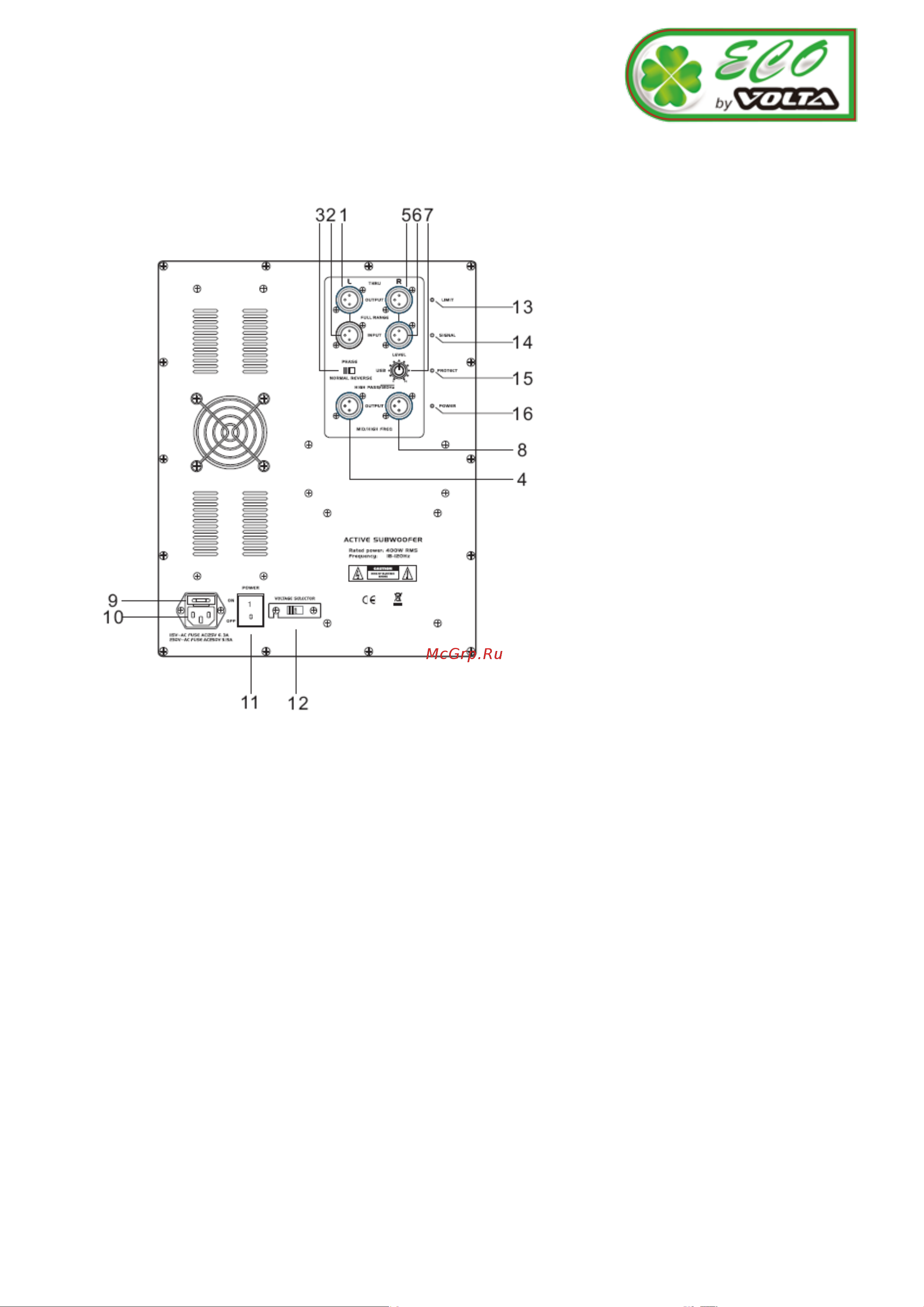
1. Сквозной выход для подключения дополнительных сабвуферов, XLR*
2. Линейный вход левого канала, XLR
3. Переключатель фазы
4. Выход на широкополосную АС левого канала, XLR
5. Сквозной выход для подключения дополнительных сабвуферов, XLR*
6. Линейный вход правого канала, XLR
7. Регулятор громкости сабуфера
8. Выход на широкополосную АС правого канала, XLR
9. Терминал предохранителя
10. Разъём сетевого кабеля
11. Тумблер включения АС
12. Переключатель сетевого напряжения
13. Индикатор срабатывания лимитера
14. Индикатор входного сигнала
15. Индикатор автоматического срабатывания защиты
16. Индикатор включения АС
*- Данная функция предусмотрена не во всех модификациях
РАЗЪЕМЫ И КАБЕЛИ
Для корректной работы АС и звукового комплекта вцелом, используйте только
качественные кабели и разъёмы. Так же обратите внимание на правильность сборки
коммутации.
Содержание
- Руководство пользователя p.1
- Профессиональные акустические системы p.1
- Eco by volta p 10 q p 10a q eco by volta p 12 r p 12a r eco by volta p 12 q p 12a q eco by volta p 15 r p 15a r eco by volta p 15 q p 15a q eco by volta ps 15 ps 15a eco by volta ps 18 ps 18a p.1
- Важно p.2
- Внимание p.2
- Профессиональные акустические системы p.2
- Меры предосторожности p.2
- Важные замечания p.3
- Предосторожности в использовании p.3
- Компоненты p.4
- Основные характеристики p.4
- Eco by volta р серия p.4
- Корпуса p.4
- Подключение системы с использованием сабвуфера volta рs 15a ps 18a p.5
- Перед включением громкоговорителя p.5
- Перед подключением громкоговорителя p.5
- Органы управления активных акустических систем p.8
- Volta р 10а q p 12a q p 12a r p.8
- Разъемы и кабели p.9
- Volta ps 15а ps 18a p.9
Похожие устройства
-
Volta LA-18 SUB WRИнструкция по эксплуатации -
Volta LA-208 TOP WRИнструкция по эксплуатации -
Volta Z-15AИнструкция по эксплуатации -
Volta Z-12AИнструкция по эксплуатации -
Volta PS-18AИнструкция по эксплуатации -
Volta PS-18Инструкция по эксплуатации -
Volta PS-15Инструкция по эксплуатации -
Volta P-15A QИнструкция по эксплуатации -
Volta P-15 QИнструкция по эксплуатации -
Volta P-15A RИнструкция по эксплуатации -
Volta P-15 RИнструкция по эксплуатации -
Volta P-12A QИнструкция по эксплуатации