Brother 455 D [6/40] Глава 1 наименование деталей и их назначение
![Brother 455 D [6/40] Глава 1 наименование деталей и их назначение](/views2/1994989/page6/bg6.png)
4
<A>
t
<B>
<D>
<A>
t
<B>
<D>
<C>
Глава 1
Наименование деталей и их назнаЧение
I
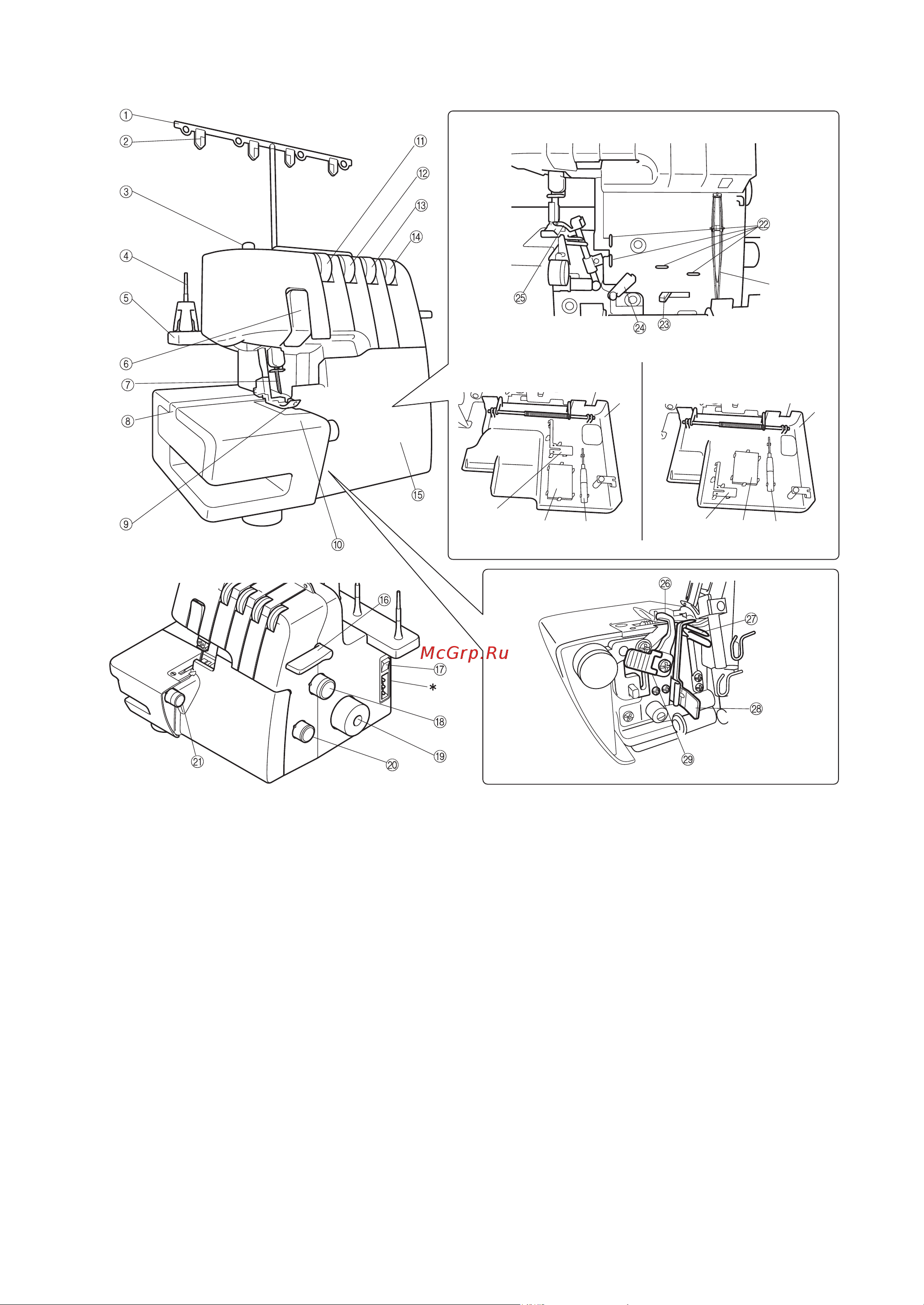
Маховичок
J
Регулятор дифференциальной подачи ткани
K
Регулятор ширины строчки
Под лицевой крышкой
L
Нитенаправитель
M
Рычажок заправки нити в нижний петлитель
N
Нитепритягиватель для петлителей
O
Верхний петлитель
P
Верхний нож
Q
Нижний петлитель
R
Штифт регулировки стежка
S
Рычаг ножа
t
Отсек под лицевой крышкой
В отсеке под лицевой крышкой Вы можете хранить
принадлежности, а также штифт регулировки
стежка после его снятия.
<A>: Набор игл, <B>: Штифт регулировки стежка
после снятия (см. ГЛАВУ 5 “5Узкая обметочная
строчка/Подшивной стежок”), <C>: Пинцет,
<D>: Вороток с шестигранной головкой
* Вентиляционные отверстия
(на боковой и задней сторонах)
1
Стойка с нитенаправителями
2
Нитенаправитель
3
Винт регулировки давления прижимной
лапки
4
Держатель катушки
5
Подставка для катушки
6
Крышка нитепритягивателя
7
Иглы
8
Удлинитель платформы
9
Прижимная лапка
0
Крышка платформы
A
Регулятор натяжения нити в левой игле
B
Регулятор натяжения нити в правой игле
C
Регулятор натяжения нити в верхнем
петлителе
D
Регулятор
натяжения нити в нижнем
пе
тлителе
E
Лицевая крышка
F
Рычаг подъема прижимной лапки
G
Выключатель электропитания и лампочки
подсветки
H
Регулятор настройки длины стежка
[Код продукта: 884-B02] [Код продукта: 884-B03]
Под лицевой крышкой
* Код продукта указан на заводской табличке машины.
Содержание
- Руководство пользователя p.1
- Компактная краеобметочная машина p.1
- Предупреждение p.2
- Инструкции по технике безопасности p.2
- Внимание опасность p.2
- Внимание p.2
- Сохраните это руководство p.3
- Данная машина предназначена только для бытового применения p.3
- Внимание p.3
- Внимание p.4
- Только для великобритании ирландии мальты и кипра p.4
- Поздравяем с приобретением этого компактного оверлока p.4
- Замечания о двигателе p.4
- Глава 3 заправка нити 15 p.5
- Спецификации 34 p.5
- Содержание p.5
- Записи установок 35 p.5
- Глава 8 использование лапок не входящих в базовый комплект поставки 28 p.5
- Глава 7 техническое обслуживание 27 p.5
- Глава 6 поиск и устранение неисправностей 26 p.5
- Глава 5 процесс шитья 20 p.5
- Глава 4 сравнительная таблица тканей нитей и игл 19 p.5
- Глава 2 подготовительные операции перед заправкой нитей 14 p.5
- Глава 1 наименование деталей и их назначение 4 p.5
- Глава 1 наименование деталей и их назначение p.6
- A лапка для потайной строчки x76590002 p.7
- Принадлежности не входящие в базовый комплект поставки p.7
- Принадлежности входящие в базовый комплект поставки p.7
- Принадлежности p.7
- Лоток для обрезков xb2793001 для кода лоток для обрезков xb2793001 для кода продукта 884 b03 p.7
- F лоток для обрезков xb1530 для кода продукта 884 b02 p.7
- E лапка для пришивания тесьмы sa212 сша и канада x76663001 другие страны p.7
- D лапка для отделочного канта sa210 сша и канада xb0241101 другие страны p.7
- C лапка для пришивания бисера sa211 сша и канада x76670002 другие страны p.7
- B сборочная лапка sa213 сша и канада x77459001 другие страны p.7
- Направление вращения маховичка p.8
- Внимание p.8
- Включение электропитания швейной машины p.8
- Платформы швейной машины p.9
- Лоток для обрезков p.9
- Если предполагается переноска машины обязательно извлеките педаль управления из лотка для обрезков p.9
- Внимание p.9
- Шитье с использованием рукавной платформы снятие удлинителя платформы p.9
- Установите ткань и приступите к шитью см главу 5 p.9
- Ширина строчки p.10
- Рычаг ножа можно перемещать только когда игла находится в самой нижней точке p.10
- Перед тем как задвинуть нож обязательно отсоединяйте шнур электропитания от сетевой розетки p.10
- Не прикасайтесь к лезвию ножа p.10
- Длина стежка p.10
- Выдвижной нож p.10
- Внимание p.10
- Регулировка давления прижимной лапки p.11
- Дифференциальная подача ткани p.11
- Внимание p.11
- Регулятор натяжения нити p.12
- Регулирование натяжения нити p.12
- Внимание p.12
- A изнаночная сторона b лицевая сторона c нить левой иглы d нить правой иглы e нить верхнего петлителя f нить нижнего петлителя p.13
- Таблица настройки натяжения нити двойная игла четыре нити p.13
- Осуществляйте регулировку натяжения нити в следующем порядке 1 нить левой иглы 2 нить правой иглы 3 нить верхнего петлителя 4 нить нижнего петлителя это простейший способ получить правильное натяжение нити p.13
- Таблица настройки натяжения нити одна игла три нити p.14
- Осуществляйте регулировку натяжения нити в следующем порядке 1 игольная нить 2 нить верхнего петлителя 3 нить нижнего петлителя это простейший способ получить правильное натяжение нити p.14
- A изнаночная сторона b лицевая сторона c нить иглы d нить верхнего петлителя e нить нижнего петлителя p.14
- Установка и снятие иглы p.15
- Проверка иглы p.15
- Описание иглы p.15
- Игла p.15
- Внимание p.15
- Стойка с нитенаправителями p.16
- Подготовительные операции перед заправкой нитей p.16
- Перед заправкой нити p.16
- Как использовать сетку для катушки ниток p.16
- Как использовать колпачок для катушки ниток p.16
- Глава 2 p.16
- Заправка нити в нижний петлитель p.17
- Глава 3 заправка нити p.17
- Внимание p.17
- Проденьте нить через ушко нижнего петлителя p.18
- Медленно поверните маховичок и убедитесь в том что петлитель вернулся в первоначальное положение p.18
- Заправляйте нить в иглы только после заправки нижнего и верхнего петлителей p.18
- Внимание p.18
- Заправка нити в верхний петлитель p.19
- Заправка нити в правую иглу p.20
- Заправка нити в левую иглу p.20
- Сравнительная таблица тканей нитей и игл p.21
- Глава 4 p.21
- Обметочная строчка из трех нитей 2 8 мм p.22
- Для выполнения пробной строчки поместите под прижимную лапку кусочек ткани p.22
- Глава 5 процесс шитья p.22
- Выбор строчки p.22
- Установите уровень натяжения всех нитей на 4 2 заправьте нити в машину и вытяните порядка 15 см всех нитей из под прижимной лапки p.22
- Узкая обметочная строчка 2 0 мм и p.22
- Пробные строчки p.22
- Подшивочный стежок 2 0 мм p.22
- Обметочная строчка из четырех нитей p.22
- Обметочная строчка из трех нитей 5 мм p.22
- Перед началом шитья p.23
- Для снятия изделия с машины p.23
- Выпускание строчки p.23
- Способ 1 p.24
- Метод 2 p.24
- Для закрепления строчки p.24
- Узкая обметочная строчка подшивочный стежок p.25
- Инструкции по выполнению узкой обметочной строчки иподшивочный стежков p.25
- Если нить порвалась во время шитья p.25
- Внимание p.25
- Шитье тонких материалов p.25
- Таблица узких обметочных и подшивочных стежков p.27
- Глава 6 поиск и устранение неисправностей p.28
- Смазка p.29
- Перед очисткой машины выключите ее электропитание p.29
- Перед открытием лицевой крышки для смазки обязательно выключите машину p.29
- Очистка p.29
- Отведите иглы вниз повернув маховичок машины p.29
- Глава 7 техническое обслуживание p.29
- Внимание p.29
- Использование лапок не входящих в базовый комплект поставки p.30
- Глава 8 p.30
- Внимание p.30
- Шитье защипов p.31
- Лапка для пришивания тесьмы p.32
- Как устанавливать тесьму или резиновую ленту p.32
- Пробные строчки p.32
- Особенности конструкции p.32
- Настройки машины тип строчки p.32
- Регулировка машины p.33
- Пробные строчки p.33
- Подготовка к шитью p.33
- Особенности конструкции p.33
- Лапка для пришивания бисера p.33
- Как устанавливать ткань и бисер p.33
- Регулировка машины p.34
- Процесс шитья p.34
- Подготовка к шитью p.34
- Особенности конструкции p.34
- Настройки машины тип строчки p.34
- Лапка для отделочного канта p.34
- Как устанавливать ткань и тесьму для окантовки p.34
- Сборочная лапка p.35
- Пробные строчки p.35
- Подготовка к шитью p.35
- Особенности конструкции p.35
- Настройки машины тип строчки p.35
- Как устанавливать ткань p.35
- Ход игольной планки p.36
- Спецификации p.36
- Скорость шитья p.36
- Размеры машины ш x в x г p.36
- Применение p.36
- Прижимная лапка p.36
- Подъем прижимной лапки p.36
- Масса машины нетто p.36
- Игла p.36
- Длина стежка шаг p.36
- Ширина строчки p.36
- Число игл и нитей p.36
- Ткань нить игла p.37
- Тип строчки p.37
- Натяжение нити примечание p.37
- Игла p.37
- Записи установок p.37
- См раздел о поддержке продуктов и ответы на часто задаваемые вопросы на нашем веб сайте http support brother com p.40
Похожие устройства
-
Brother 3034 DРуководство по эксплуатации -
Brother 1034 DРуководство по эксплуатации -
Brother M 1034 DРуководство по эксплуатации -
Brother 4234 DРуководство по эксплуатации -
Brother HF4000ST Strong&ToughРуководство по эксплуатации -
Brother 1034 D(LE)Руководство по эксплуатации -
Brother HF 4000 STИнструкция по эксплуатации -
Brother HF4000STРуководство пользователя -
Brother CV3550Руководство пользователя -
Brother CV3440Руководство пользователя -
Brother 929DРуководство пользователя -
Brother 755DРуководство пользователя