Denon AVR-1906 S — подключение акустических выходов для зоны ZONE2 [23/79]
![Denon AVR-1906 S [23/79] Подключение акустических выходов зоны zone2](/views2/1053832/page23/bg17.png)
23
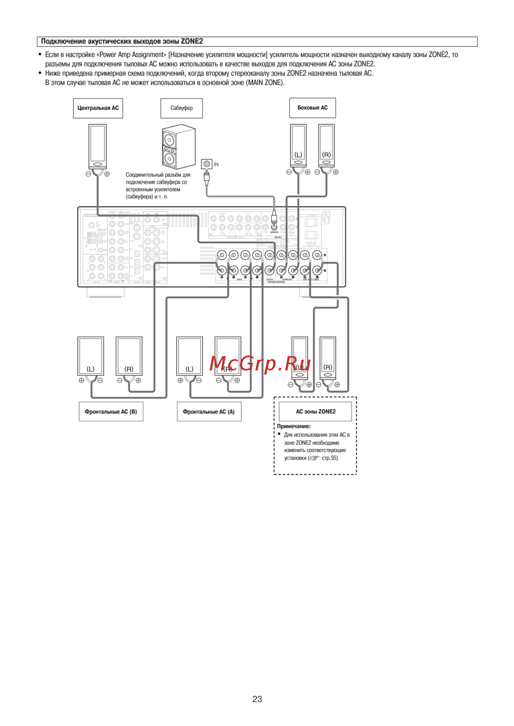
Подключение акустических выходов зоны ZONE2
Если в настройке «Power Amp Assignment» [Назначение усилителя мощности] усилитель мощности назначен выходному каналу зоны ZONE2, то
разъемы для подключения тыловых АС можно использовать в качестве выходов для подключения АС зоны ZONE2.
Ниже приведена примерная схема подключений, когда второму стереоканалу зоны ZONE2 назначена тыловая АС.
В этом случае тыловая АС не может использоваться в основной зоне (MAIN ZONE).
СабвуферЦентральная АС
Боковые АС
АС зоны ZONE2
Фронтальные АС (А)Фронтальные АС (В)
Примечание:
Для использования этих АС в
зоне ZONE2 необходимо
изменить соответствующие
установки ( стр.55).
Соединительный разъём для
подключения сабвуфера со
встроенным усилителем
(сабвуфера) и т. п.
Содержание
- Замечания по эксплуатации p.2
- Предостережение p.2
- Предостережение риск поражения электрическим током не открывать p.2
- Инструкции по безопасному использованию устройства p.3
- Содержание p.5
- Введение p.5
- Принадлежности p.6
- Прежде чем пользоваться ресивером p.6
- Меры предосторожности при установке аппарата p.6
- Дальность действия пульта дистанционного управления p.7
- Подготовка пульта дистанционного управления p.7
- Установка батареек p.7
- Меры предосторожности при обращении с аппаратом p.7
- Названия и функции частей аппарата p.8
- Настройка и эксплуатация p.10
- Расположение акустических систем ас p.10
- Соединения ас p.11
- Подключение dvd плеера и телемонитора p.13
- Автоматическая настройка p.14
- Выберите входной источник который нужно воспроизвести p.17
- Схемы соединений приведенные на последующих страницах предполагают использование указанных ниже дополнительных соединительных кабелей в комплект поставки не входят p.17
- Подключение других источников p.17
- Отрегулируйте уровень громкости p.17
- Обозначения кабелей p.17
- Отключите микрофон от ресивера p.17
- Выберите режим воспроизведения пространственное звучание p.17
- Примечания не подключайте провод питания к розетке электросети до тех пор пока не будут сделаны все сигнальные соединения при выполнении соединений сверяйтесь с инструкциями по эксплуатации подключаемых компонентов системы следите за правильным соединением левых и правых каналов левые с левыми правые с правыми обращаем ваше внимание на то что связывание кабелей оборудованных штекерами в единый пучок с проводами питания или размещение их поблизости от силового трансформатора будет приводить к генерированию фона переменного тока или иных электромагнитных помех p.17
- Запустите воспроизведение dvd диска p.17
- Поток видеосигналов p.18
- Avr 1906 осуществляет преобразование композитного видеосигнала поступающего на вход video в сигнал формата s video и наоборот сигнала поступающего на вход s video в композитный видеосигнал p.18
- Сигнал нет сигнала сигналы экранного дисплея подаются на выход сигналы экранного дисплея на выход не подаются p.18
- Предостережения в отношении действия функции преобразования видеосигналов если к компонентным разъемам ресивера подключен телевизор монитор проектор и т п а к композитным разъемам и разъемам s video подключен видеомагнитофон то при воспроизведении видеокассет в зависимости от характеристик телевизора и видеомагнитофона на экране могут появиться мерцание искажения срыв синхронизации или изображение может полностью отсутствовать в этом случае между ресивером и видеомагнитофоном необходимо подключить имеющийся в продаже стабилизатор изображения или аналогичное устройство с функцией твс коррекции синхронизации либо если сам видеомагнитофон имеет такую функцию активировать ее p.18
- Функция преобразования видеосигналов p.18
- Сигналы экранного дисплея p.18
- Подключение телевизора или тюнера цифрового спутникового вещания dbs p.19
- Подключение видеокамеры или игровой приставки p.19
- Подключение разъемов внешнего входа ext in p.19
- Подключение cd плеера p.20
- Подключение видеомагнитофона p.20
- Подключение кассетной деки p.21
- Подключение антенн к разъемам ресивера p.21
- Заземление p.21
- Если вы хотите выполнить аналоговое копирование с цифрового источника такого как устройство записи на диски cd компакт диски или md магнитооптические мини диски на аналоговое устройство записи такое как кассетная дека то помимо цифровых аудиосоединений необходимо соединить аналоговые входы и выходы как показано ниже p.21
- Примечание соединяйте выход компонента подключенного к разъему optical 2 out оптический выход 2 на задней панели avr 1906 только с разъемом optical 2 in оптический вход 2 страница 50 p.21
- При появлении шума или фонового гудения переместите кассетную деку подальше от источника этих помех p.21
- Подключение cd рекордера или md рекордера p.21
- Кабель антенны fm диапазона можно подключить непосредственно к разъему ресивера p.21
- Подключение разъемов multi zone p.22
- Подключение акустических выходов зоны zone2 p.23
- Если в настройке power amp assignment назначение усилителя мощности усилитель мощности назначен выходному каналу зоны zone2 то разъемы для подключения тыловых ас можно использовать в качестве выходов для подключения ас зоны zone2 ниже приведена примерная схема подключений когда второму стереоканалу зоны zone2 назначена тыловая ас в этом случае тыловая ас не может использоваться в основной зоне main zone p.23
- Подключение к выходным разъемам предусилителя p.24
- Подключение шнура питания p.24
- Воспроизведение p.25
- Основные операции p.25
- Пространственное звучание p.28
- Оригинальные режимы пространственного звучания denon p.34
- Прослушивание радиопередач p.37
- Пульт дистанционного управления p.39
- Дополнительные операции p.39
- Многозональная система музыкальных развлечений p.44
- Прочие функции p.47
- Навигация в меню system setup p.48
- Дополнительные настройки часть 1 p.48
- Аппарат avr 1906 оборудован интуитивно понятным экранным меню и алфавитно цифровым дисплеем передней панели который также можно использовать для проверки и регулирования настроек при выполнении системных настроек рекомендуется использовать экранный дисплей ниже приводится ряд примеров дисплея передней панели и экранного дисплея p.49
- Нажмите кнопку чтобы выполнить p.49
- Экранный дисплей и дисплей передней панели p.49
- Для того чтобы выбрать меню нажимайте кнопку или p.49
- Меню input setup настройка входа p.50
- Меню advanced playback дополнительные настройки воспроизведения p.53
- Меню option setup дополнительные настройки p.54
- Меню speaker setup настройка акустических систем p.56
- Дополнительные настройки часть 2 p.56
- Меню speaker setup настройка акустических систем p.61
- Функция auto setup автоматическая настройка p.61
- Параметры настройки системы и их стандартные значения установленные при отгрузке с завода изготовителя p.61
- Меню input setup настройка входа p.61
- Если аппарат не работает как следует проверьте вопросы указанные в приведенной ниже таблице если и после этого проблема продолжает существовать то возможно имеет место неисправность немедленно отключите питание и обратитесь по месту приобретения аппарата p.62
- В случае возникновения какой либо проблемы в первую очередь проверьте следующее 1 все ли соединения в порядке 2 эксплуатировали ли вы ресивер в соответствии с данной инструкцией по эксплуатации 3 надлежащим ли образом работают акустические системы проигрыватель грампластинок и другие компоненты p.62
- Меню advanced playback улучшенное воспроизведение p.62
- Диагностика и устранение неисправностей p.62
- Меню option setup настройка дополнительных возможностей p.62
- При утилизации батареек просим принимать во внимание аспекты охраны ок ружающей среды p.63
- Предостережения p.63
- Не следует ухудшать условия вентиляции закрывая вентиляционные отверстия такими предметами как газеты скатерти занавеси и т п p.63
- Не следует ставить на аппарат сосуды наполненные жидкостями например вазы p.63
- Не следует ставить на аппарат источники открытого огня например свечи p.63
- Замечания относительно эксплуатации p.63
- В процессе эксплуатации на аппарат не должна попадать жидкость p.63
- Дополнительная информация p.64
- Режимы и параметры пространственного звучания p.72
- Технические характеристики p.73
Похожие устройства
-
Denon DRA-800H SilverРуководство по эксплуатации -
Denon DRA-800H BlackИнструкция по эксплуатации -
Denon AVR-2809 BlackИнструкция по эксплуатации -
Denon AVR-S950H BlackРуководство по эксплуатации -
Denon AVR-S750H BlackРуководство по эксплуатации -
Denon AVR-S650H BlackРуководство по эксплуатации -
Denon Premium 9.2 AVR-X4500H SilverИнструкция по эксплуатации -
Denon Premium 9.2 AVR-X4500H BlackИнструкция по эксплуатации -
Denon AVR-X2500H BlackРуководство по эксплуатации -
Denon AVRX3500H 7.2 ChannelИнструкция по эксплуатации -
Denon AVR-X1500H BlackИнструкция по эксплуатации -
Denon AVR-X550BT BlackИнструкция по эксплуатации
Узнайте, как правильно подключить акустические выходы зоны ZONE2 и использовать тыловые АС. Подробные инструкции и схемы подключения.