ITPIZZA MD1 [28/30] Электросхемы
Содержание
- Серия itpizza ml md ms il p.1
- Электрические печи для пиццы p.1
- Указатель p.2
- Следующие данные p.4
- Маркировка се состоит из таблички серого цвета которая крепится сзади печи p.4
- На табличке указаны нанесенные методом шелкографии легко читаемые и несмываемые p.4
- Техническое описание p.5
- Технические характеристики печей itpizza il itpizza ms p.5
- Модель p.5
- Гарантия фирма изготовитель гарантирует что данные печи прошли испытания на собственном заводе гарантийный срок печи составляет 12 двенадцать месяцев p.5
- Техническое описание p.6
- Технические характеристики печей itpizza ml p.6
- Технические характеристики печей itpizza md p.6
- Модель p.6
- Рис 1 2 3 p.9
- Эквипонтенциаль оборудование должно быть подключено к эквипотенциальной системе соединительные клеммы расположены около клеммной коробки соединительные провода должны иметь сечение 10 м p.9
- Запасные части p.13
- Таблицы и перечень запасных частей itpizza il ms p.13
- Таблицы и перечень запасных частей itpizza md p.14
- Таблицы и перечень запасных частей itpizza md p.15
- Таблицы и перечень запасных частей itpizza ml p.16
- Электросхемы p.22
- Электросхема модель itpizza il 2 40 230 в p.22
- Обозначение p.22
- Перечень компонентов p.22
- Наименование p.22
- Электросхемы p.23
- Электросхема модель p.23
- Itpizza il 2 50 230 в p.23
- Itpizza il 2 50 400 в p.24
- Электросхема модель p.24
- Электросхемы p.24
- Itpizza ms 4 44 md 4 44 p.25
- Электросхемы p.25
- Электросхема модель p.25
- Электросхема p.26
- Электросхемы p.26
- Модель itpizza ms 6 66 md 6 66 6 66l 9 99 p.26
- Электросхема p.27
- Электросхемы p.27
- Модель itpizza ms 6 66 md 6 66 6 66l 9 99 p.27
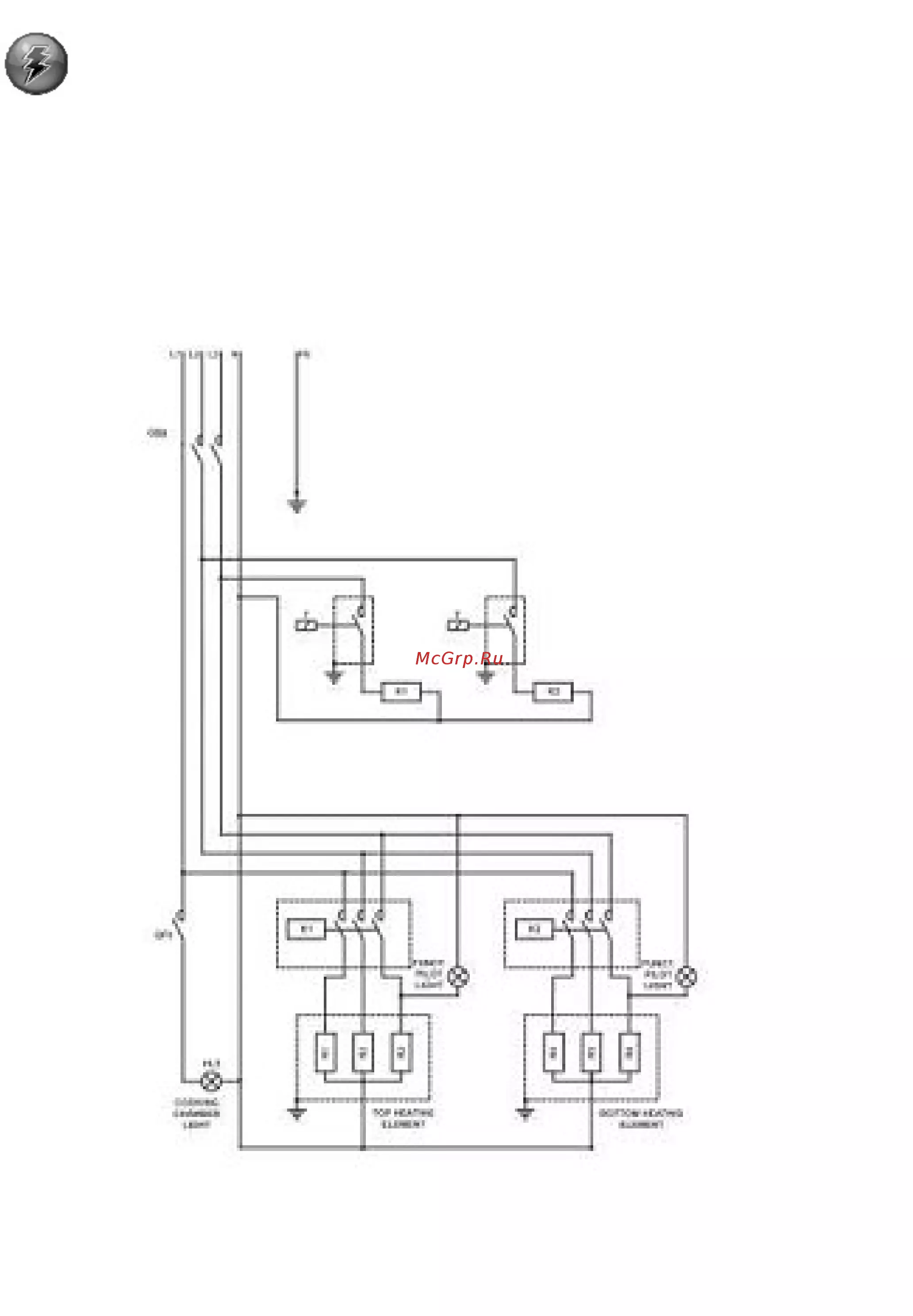
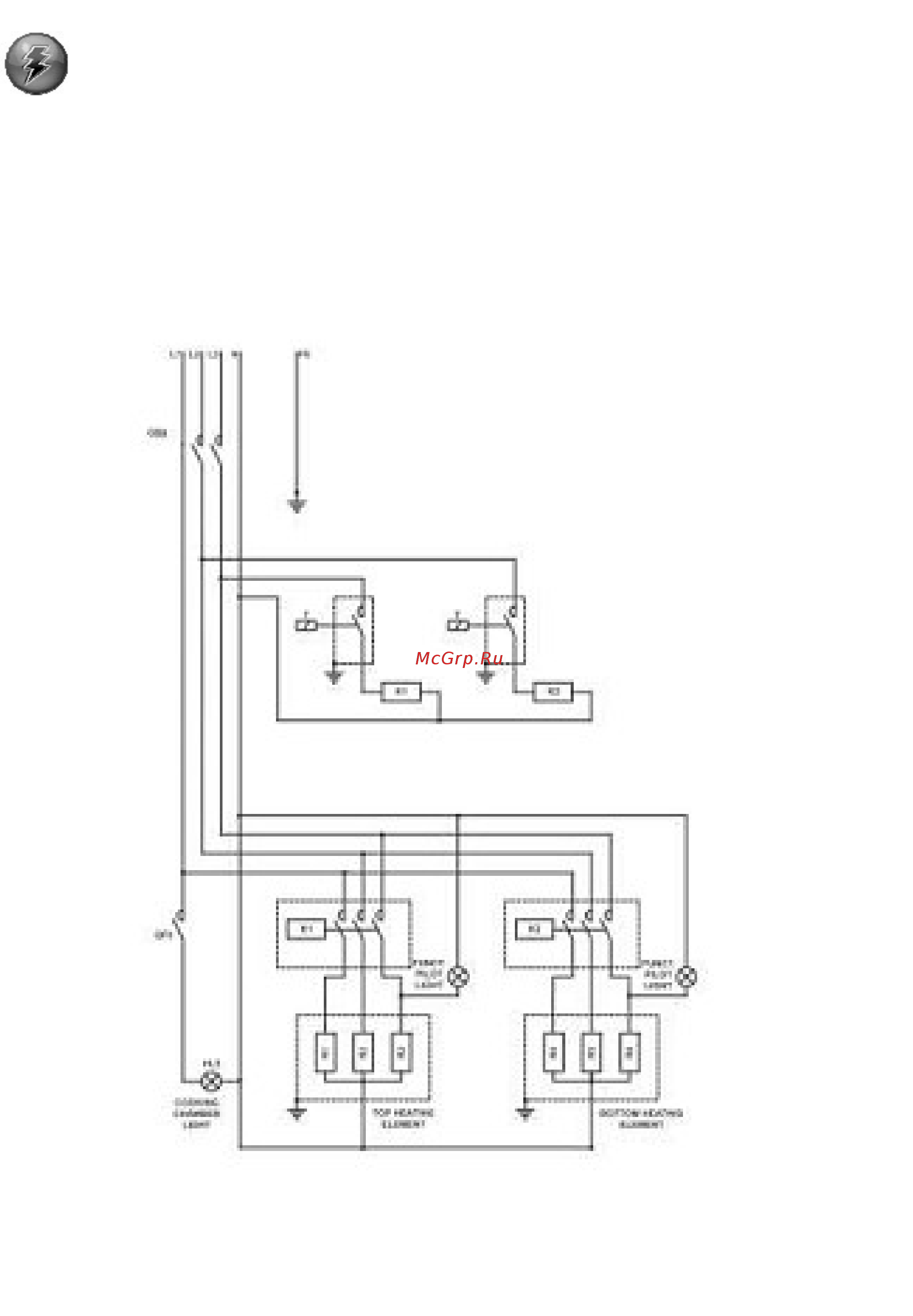
- Электросхемы p.28
- Электросхема p.28
- Модель itpizza ms 6 66 md 6 66 6 66l 9 99 p.28
- Электросхема p.29
- В на каждую камеру три фазы p.29
- Электросхемы p.29
- Модель itpizza ms 6 66 md 6 66 6 66l 9 99 p.29
- Электросхемы p.30
- Электросхема p.30
- Модель itpizza ms 6 66 md 6 66 6l 66l 9 99 p.30
Похожие устройства
-
ITPIZZA MS1Инструкция по эксплуатации -
ITPIZZA MS1+1Инструкция по эксплуатации -
ITPIZZA MS4Инструкция по эксплуатации -
ITPIZZA MS44Инструкция по эксплуатации -
ITPIZZA MD1+1Инструкция по эксплуатации -
ITPIZZA ML6Инструкция по эксплуатации -
ITPIZZA ML44Инструкция по эксплуатации -
ITPIZZA ML4Инструкция по эксплуатации -
Foodatlas PZ-01Сертификат -
Foodatlas PZ-01Инструкция по эксплуатации -
Foodatlas HEP-2STСертификат -
Foodatlas HEP-2STИнструкция по эксплуатации
![ITPIZZA MD1 [28/30] Электросхемы](/views2/1319052/page28/bg1c.png)