Foodatlas PZ-01 — технические характеристики и преимущества оборудования для пиццы [6/33]
![Foodatlas PZ-02 [6/33] Технические характеристики](/views2/1789964/page6/bg6.png)
6
Технические характеристики
Технические характеристики оборудования приведены в таблице 1.
Таблица 1
Модель
PZ-2
PZ-1
Мощность (кВт)
8,4
4,5
Габаритные размеры
890х850х750мм
890х800х430мм
Внутренние размеры
камеры
615х615х202мм
615х615х202мм
Количество камер
2
1
Внимание! Подключение оборудования осуществляется только через
Устройства автоматического отключения.
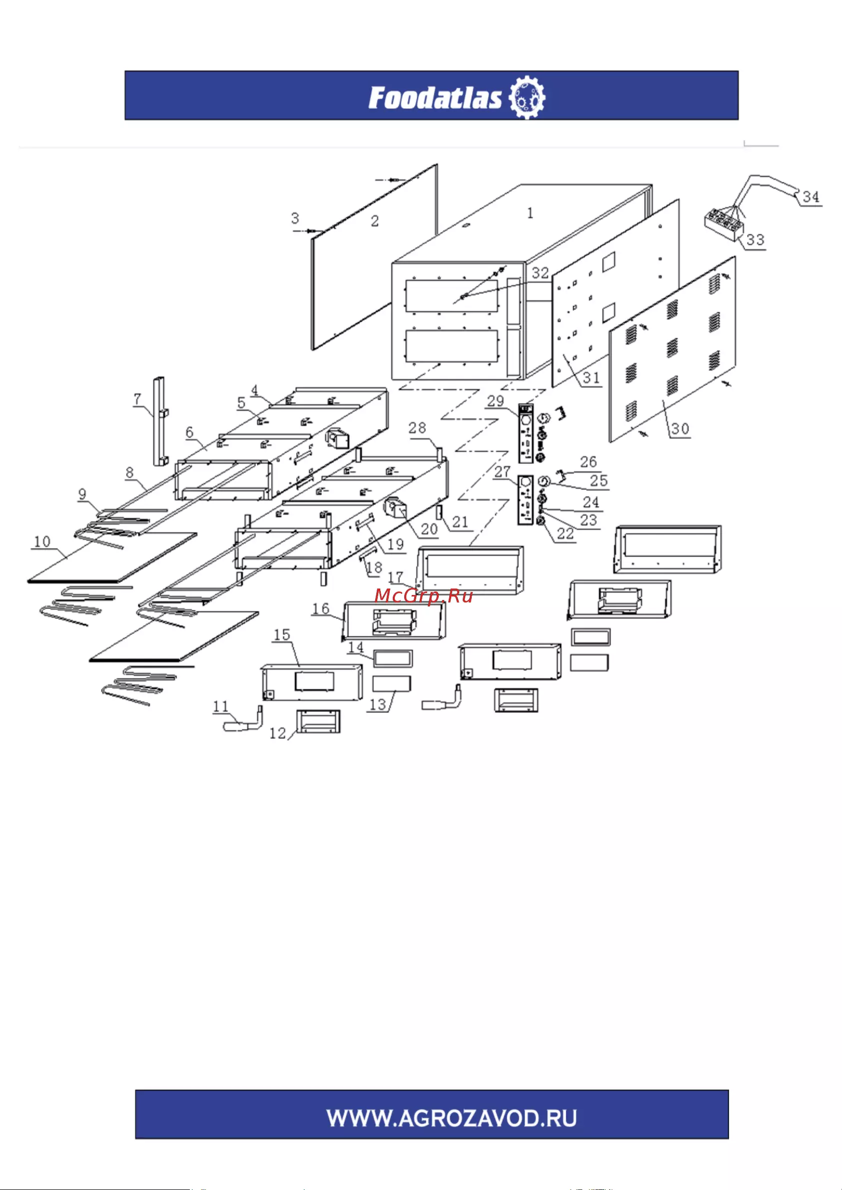
Конструкция. Принцип действия. Деталировка
Для создания данного оборудования был подобран специальный материал и
использованы лучшие технологии. Нержавеющая сталь, техника хромирования и
окрашивания. Детали, которые контактируют с пищевыми продуктами,
изготовлены из нержавеющей стали или покрыты антикоррозийными материалами,
которые соответствуют санитарным требованиям.
Данная серия оборудования совмещает в себе внешние и внутренние
преимущества по сравнению с другими приборами подобной конструкции, такие
как современный дизайн, яркие цвета, практичная структура, удобная
эксплуатация, быстрый нагрев, хорошая теплоизоляция и энергосбережение.
Данная серия печь предназначена для приготовления пиццы с равномерным цветом
и свежими, отличными вкусовыми качествами.
1. Встроенный каменный под, нагревание которого придает пицце более
изысканный вкус.
2. Раздельный терморегулятор нагревательных элементов.
3. Практичная структура, простота эксплуатации.
Содержание
- Печь электрическая p.1
- Серии pz p.1
- Для пиццы p.1
- Торговой марки foodatlas p.2
- Выражаем благодарность за приобретение оборудования p.2
- Содержание p.3
- Общие правила безопасности p.4
- Ухл 4 гост 15150 69 продукция изготовлена в соответствии с директивами p.5
- Назначение область применения оборудования p.5
- Климатическое исполнение p.5
- Технические характеристики p.6
- Конструкция принцип действия деталировка p.6
- Сведения о квалификации обслуживающего персонала p.8
- Меры безопасности p.10
- Монтаж и подготовка к работе порядок установки p.12
- Правильное использование p.12
- Правильное использование p.13
- Примечание p.15
- Требования к помещению и электропитанию p.16
- Порядок работы p.16
- Схема электрическая p.17
- Техническое обслуживание p.18
- Критерии предельных состояний p.21
- Критические отказы действия персонала при появлении p.22
- Инцидента p.22
- Транспортировка и хранение p.23
- Параметры шума и вибрации p.23
- Консервация p.23
- Срок службы p.24
- Ремонт p.24
- Назначенный срок хранения назначенный установленный p.24
- Маркировка p.25
- Гарантии поставщика p.25
- Утилизация p.27
- Собой право изменять конструкцию и паспорт в соответствии p.27
- С вышеописанными изменениями p.27
- Приносим свои извинения наша компания оставляет за p.27
- Потребителю p.27
- Новые комплектующие технологии и материалы при этом p.27
- Наша компания будет стремиться своевременно применять p.27
- Мы не будем отдельно извещать потребителей об этом за что p.27
- Комплект поставки p.27
- Для повышения качества и совершенствования оборудования p.27
Похожие устройства
-
Foodatlas PZ-01Сертификат -
Foodatlas HEP-2STСертификат -
Foodatlas HEP-2STИнструкция по эксплуатации -
Foodatlas HEP-1STСертификат -
Foodatlas HEP-1STИнструкция по эксплуатации -
Foodatlas PZ-02Сертификат -
Foodatlas PZ-02Инструкция по эксплуатации -
Kocateq EP 8.35 SMARTИнструкция по эксплуатации -
Kocateq EP 12.35 SMARTИнструкция по эксплуатации -
Kocateq EP 4.35 SMARTИнструкция по эксплуатации -
Kocateq EPC01PИнструкция по эксплуатации -
Kocateq EP 6.35 SMARTИнструкция по эксплуатации
Изучите технические характеристики и преимущества современного оборудования для приготовления пиццы. Узнайте о материалах, дизайне и функциональности.