Yamaha MGP32X [14/56] Стереоканал
![Yamaha MGP32X [14/56] Стереоканал](/views2/1829433/page14/bge.png)
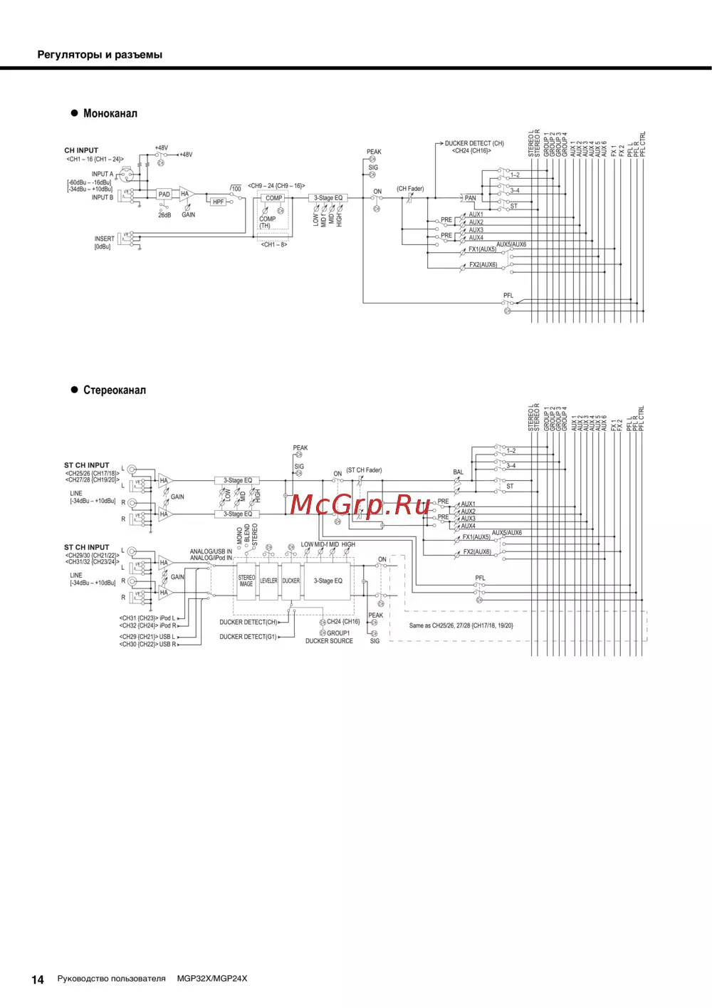
Регуляторы и разъемы
Руководство пользователя MGP32X/MGP24X
14
AUX1
AUX2
ST
1–2
3–4
AUX3
AUX4
Моноканал
Стереоканал
Содержание
- Настройка стр 7 9 p.1
- Руководство пользователя p.1
- Owner s manual p.1
- Précautions concer nant la sécurité p.2
- Explanation of graphical symbols explication des symboles p.2
- The above warning is located on the rear of the unit l avertissement ci dessus est situé sur le arrière de l appareil p.2
- Important safety instructions p.2
- Основные операции и дисплей 24 p.3
- Запись воспроизведение 33 p.3
- Использование графического эквалайзера 28 p.3
- Настройка p.3
- Использование эффектов fx 26 p.3
- Использование других функций 37 p.3
- Введение p.3
- Регуляторы и разъемы 10 p.3
- Правила техники безопасности p.3
- Использование компрессора 31 p.3
- Содержание p.3
- Приложение 42 p.3
- Поиск и устранение неисправностей 40 p.3
- Сохраните это руководство чтобы можно было обращаться к нему в дальнейшем p.4
- Предупреждение p.4
- Правила техники безопасности p.4
- Внимательно прочтите прежде чем приступать к эксплуатации p.4
- Внимание p.4
- Информация об авторских правах p.5
- Во избежание возможной неисправности повреждения этого устройства данных или другого имущества соб людайте приведенные ниже правила p.5
- Эксплуатация и обслуживание p.5
- Уведомление p.5
- Сохранение данных p.5
- Разъемы p.5
- Правила безопасности при эксплуатации p.5
- Об этом руководстве p.5
- Не пользуйтесь устройством в непосредственной близости от телевизора радиоприемника стереофо нического оборудования мобильного телефона и других электроприборов в противном случае в уст ройстве телевизоре или радиоприемнике могут воз никнуть шумы p.5
- Цифровые эффекты rev x и spx p.6
- Порт usb для воспроизведения и зарядки устройства ipod iphone p.6
- Основные возможности p.6
- Информация о моделях p.6
- Главный фейдер стереосигнала comp и geq p.6
- Входящие в комплект принадлежности p.6
- Введение p.6
- Благодарим вас за приобретение микшерного пульта mgp32x mgp24x компании yamaha p.6
- Mgp editor p.6
- D pre дискретный предварительный усилитель микрофона класса a p.6
- Эквалайзер x pressive p.6
- Устройство записи на накопитель usb p.6
- Условные обозначения используемые в данном руководстве p.6
- Удобные практичные функции для проведения мероприятий ducker leveler и stereo image p.6
- Вывод звука на динамики p.7
- Подключение p.7
- Подготовка источника питания p.7
- Настройка p.7
- Включите переключатели on и st стерео для каждого используемого канала p.7
- Включение питания системы p.7
- Пример настройки p.8
- Фойе и т д сцена p.8
- Настройка p.8
- Внимание p.9
- Верхняя панель p.9
- При использовании конденсаторного микрофона установите фантомный выключатель 48v в положение on стр 11 p.9
- Настройка p.9
- Задняя панель p.9
- Регуляторы и разъемы p.10
- Задняя панель p.10
- Верхняя панель p.10
- Блок управления каналами вход блок мастер контроллера выход p.10
- Секция моновходов секция стереовходов p.11
- Секция моновходов p.11
- Продолжение на следующей странице p.11
- Выключатель фильтр высоких частот p.11
- Блок управления каналами p.11
- W выключатель 48v и индикатор p.11
- T регуляторы comp и индикатор канал 9 24 9 16 p.11
- Q выключатель 26db pad p.11
- E регулятор gain p.11
- Секция стереовходов p.11
- Регуляторы и разъемы p.12
- Примечание p.12
- Y индикатор ducker source p.12
- U выключатель ducker p.12
- Stereo p.12
- O переключатель выбора входа p.12
- I переключатель leveler и индикатор p.12
- 1 регуляторы эквалайзера high mid и low p.12
- 0 переключатель stereo image p.12
- 4 регуляторы fx эффект 1 2 p.13
- 7 переключатели on p.13
- 3 выключатель pre p.13
- 2 фейдер канала p.13
- 2 регуляторы aux 1 4 p.13
- 1 переключатель pfl предфейдерное прослушивание и индикатор p.13
- 0 выключатели назначения шин p.13
- Регуляторы и разъемы p.13
- Примечание p.13
- Выключатель st p.13
- Выключатели 1 2 3 4 p.13
- 9 индикатор sig сигнал p.13
- 8 индикатор peak p.13
- 6 регулятор pan моноканалы регулятор bal стереоканалы p.13
- 5 переключатель aux5 aux6 p.13
- Стереоканал p.14
- Руководство пользователя mgp32x mgp24x p.14
- Регуляторы и разъемы p.14
- Моноканал p.14
- Секция ipod iphone p.15
- Емкость и формат носителя usb p.15
- Блок мастер контроллера p.15
- Секция устройства записи на накопитель usb p.15
- Секция управления записью и воспроизведением p.15
- Секция дисплея p.16
- Регуляторы и разъемы p.16
- Примечание p.16
- Y кнопка comp p.16
- W регулятор 1 регулятор 2 p.16
- W индикатор уровня stereo p.16
- U кнопка usb p.16
- T кнопка geq p.16
- R кнопки fx1 и fx2 p.16
- Q кнопка meter select и индикатор p.16
- Q дисплей p.16
- I кнопка setup p.16
- E кнопка home p.16
- E индикатор уровня pfl afl p.16
- Секция индикаторов p.16
- Секция fx rtn повтор эффекта p.17
- Регуляторы и разъемы p.17
- Примечание p.17
- Выключатель st p.17
- Выключатели 1 2 3 4 p.17
- Y выключатели назначения шин p.17
- W регулятор fx to fx blend p.17
- U переключатель pfl предфейдерное прослушивание и индикатор p.17
- T индикатор sig сигнал p.17
- R выключатель on p.17
- Q регуляторы aux pre 1 4 p.17
- I фейдеры fx rtn повтор эффекта 1 2 p.17
- E кнопка tap и индикатор p.17
- Q регуляторы aux 1 6 p.18
- E главные регуляторы matrix 1 2 p.18
- Секция send master p.18
- Секция matrix p.18
- Регуляторы и разъемы p.18
- Примечание p.18
- W регуляторы stereo l r p.18
- W переключатель afl постфейдерное прослушивание и индикатор p.18
- R выключатель afl и индикатор p.18
- Q регуляторы group 1 4 p.18
- To monitor p.19
- E регулятор monitor p.19
- Секция phones monitor p.19
- W переключатель to stereo to monitor p.19
- To stereo p.19
- R переключатель to stereo to monitor p.19
- Q регулятор usb in p.19
- Q гнездо phones p.19
- E регулятор ipod in p.19
- Секция usb in ipod in p.19
- Регуляторы и разъемы p.19
- Примечание p.19
- W регулятор phones p.19
- Секция talkback p.20
- Секция group p.20
- Примечание p.20
- W переключатель on p.20
- W переключатель aux1 4 и индикатор p.20
- T фейдеры group 1 4 p.20
- R переключатель afl постфейдерное прослушивание и индикатор p.20
- Q регулятор talkback p.20
- Q регулятор pan p.20
- E переключатель stereo и индикатор p.20
- E переключатель st стерео p.20
- Секция основных разъемов stereo p.21
- Секция основных разъемов mono p.21
- W индикатор lpf p.21
- W индикатор comp компрессор p.21
- T главный фейдер stereo p.21
- R главный фейдер mono p.21
- R выключатель afl и индикатор p.21
- Q переключатель on p.21
- E индикатор geq p.21
- E выключатель afl и индикатор p.21
- Секция разъемов ввода вывода каналов p.22
- Секция основных разъемов ввода вывода p.22
- Сбалансированные по сопротивлению p.22
- Блок входов выходов на задней панели p.22
- 1 mono out p.23
- 0 stereo out l r p.23
- Секция питания p.23
- Примечание p.23
- Внимание p.23
- Y stereo insert l r p.23
- U talkback mic in p.23
- T отверстия под винты p.23
- O group out 1 4 p.23
- I lamp p.23
- 4 выключатель питания p.23
- 3 разъем ac in p.23
- 2 send aux1 aux6 p.23
- Экран home p.24
- Просмотр дисплея p.24
- Основные операции и дисплей p.24
- Диалоговое окно p.24
- Выбор экрана p.24
- Экраны сообщений p.24
- Экран подтверждения p.24
- Установка или изменение значения p.25
- Регулировка яркости подсветки дисплея 1 p.25
- Регулировка четкости дисплея 1 p.25
- Примечание p.25
- При необходимости нажмите кнопку setup несколько раз пока на дисплее не отобразится страница 1 4 lcd p.25
- Поверните регулятор 1 чтобы выбрать элемент contrast а затем поверните регулятор 2 чтобы отрегулировать четкость дисплея p.25
- Поверните регулятор 1 чтобы выбрать элемент backlight а затем поверните регулятор 2 чтобы отрегулировать яркость p.25
- Переключение страниц p.25
- Отображение или выбор списка p.25
- Операции с экраном p.25
- Закрытие экрана p.25
- Использование эффектов fx p.26
- Применение эффектов p.26
- Дополнительные настройки эффектов p.26
- Одновременное применение двух эффектов p.27
- Одновременное отображение fx1 и fx2 p.27
- Закрытие экрана p.27
- Выбор программы p.27
- Выбор параметра p.27
- Сброс усиления всех частот p.28
- Сброс выбранного усиления частоты p.28
- Настройка частоты и усиления 1 p.28
- Настройка графического эквалайзера geq p.28
- Использование графического эквалайзера p.28
- Графический эквалайзер geq p.28
- Поверните регулятор 2 чтобы установить ориентировочное значение смещения p.29
- Нажмите регулятор 2 пока значение параметра продолжает мигать p.29
- Нажмите регулятор 2 еще раз чтобы выбрать ok или регулятор 1 чтобы отменить операцию p.29
- Медленно поверните регулятор 1 чтобы найти точку заводки сигнала p.29
- В шаге 2 см выше измените значение параметра on на значение off p.29
- Чтобы отрегулировать настройки графического эквалайзера повторите шаги 2 5 p.29
- Удаление настройки связывания p.29
- Связывание правого и левого стереосигналов p.29
- При необходимости несколько раз нажмите кнопку geq расположенную под дисплеем чтобы перейти на страницу sweep p.29
- При необходимости несколько раз нажмите кнопку geq расположенную под дисплеем чтобы перейти на страницу geq mode p.29
- После выполнения окончательной регулировки нажмите регулятор 2 p.29
- Поиск и удаление заводки сигнала p.29
- Перезапись другой пользовательской программы p.30
- Сохранение программы p.30
- Вызов сохранение программы графического эквалайзера p.30
- Вызов программы 1 p.30
- Установка порогового значения 1 p.31
- Установка настроек компрессора p.31
- Регулировка настроек компрессора 1 p.31
- Использование компрессора p.31
- Информация о главном компрессоре p.31
- Сохранение пользовательской программы p.32
- Поверните регулятор 1 чтобы выбрать необходимую программу а затем нажмите регулятор 1 еще раз чтобы активировать ее p.32
- Вызов сохранение программы компрессора p.32
- Воспроизведение p.33
- Уведомление p.33
- Информация о записи воспроизведении данных на накопителе usb p.33
- Запись на накопитель usb p.33
- Запись воспроизведение p.33
- Запись p.33
- Wav mp3 aac p.33
- Wav mp3 p.33
- Mp3 при 128 кбит с прибл 35 часов mp3 при 192 кбит с прибл 23 часа mp3 при 256 кбит с прибл 17 часов mp3 при 320 кбит с прибл 14 часов wav прибл 3 часа p.33
- W поверните или нажмите регулятор 1 для просмотра списка имен композиций p.34
- Q при необходимости несколько раз нажмите кнопку usb расположенную под дисплеем чтобы перейти на страницу 2 3 rec level p.34
- Чтобы прослушать записанный файл выполните следующие действия p.34
- Q при необходимости несколько раз нажмите кнопку usb расположенную под дисплеем чтобы перейти на страницу 1 3 player p.34
- Чтобы отрегулировать уровень записи выполните следующие действия p.34
- E поверните регулятор 1 чтобы выбрать записанную композицию затем нажмите регулятор 1 чтобы подтвердить выбор p.34
- Чтобы остановить запись снова нажмите кнопку rec p.34
- Примечание p.34
- При необходимости несколько раз нажмите кнопку usb расположенную под дисплеем чтобы перейти на страницу 1 3 player p.34
- Подсоедините накопитель usb на котором сохранены аудиофайлы к разъему usb in p.34
- Назначьте выходной канал для воспроизведения p.34
- Нажмите регулятор 2 чтобы выбрать ok или регулятор 1 чтобы отменить операцию p.34
- Нажмите кнопку rec p.34
- Вывод на шину stereo p.34
- Вывод на каналы 29 30 21 22 p.34
- Вывод на monitor out p.34
- Воспроизведение композиций с накопителя usb p.34
- W при воспроизведении источника звука который необходимо записать поверните регулятор 1 чтобы отрегулировать уровень записи отслеживая показания индикатора уровня p.34
- Запись воспроизведение p.35
- Воспроизведение композиции из списка заголовков p.35
- Приостановка перемотка вперед или перемотка назад во время воспроизведения p.35
- Приостановка p.35
- При нажатии кнопки rew во время воспроизведения будет выполнен переход к началу текущей композиции или к началу предшествующей композиции в зависимости от текущего положения воспроизведения и начнется воспроизведение при нажатии кнопки fwd во время воспроизведения будет выполнен переход к началу следующей композиции затем начнется воспроизведение при нажатии кнопки rew или fwd когда композиция остановлена или приостановлена будет выполнен переход к предшествующей или следующей композиции p.35
- При выборе строки содержащей папку и нажатии регулятора 1 на экране отобразится содержимое папки при выборе строки и нажатии регулятора 1 можно перейти в папку на уровень выше p.35
- Перемотка вперед назад p.35
- Навигация по композиции p.35
- Вывод на шину stereo p.36
- Воспроизведение композиций с устройства ipod iphone p.36
- Подключите ipod или iphone к разъему ipod iphone in с помощью кабеля usb p.36
- Поверните регулятор 1 чтобы выбрать нужный параметр а затем поверните регулятор 2 чтобы установить значение параметра p.36
- Отрегулируйте громкость звука p.36
- Настройка записи воспроизведения p.36
- Назначьте выходной канал для воспроизведения p.36
- Вывод на шину stereo или monitor out p.36
- Вывод на каналы 31 32 23 24 p.36
- Вывод на monitor out p.36
- С помощью элементов управления ipod или iphone остановите воспроизведение композиции p.36
- С помощью элементов управления ipod или iphone включите воспроизведение нужной композиции p.36
- При необходимости несколько раз нажмите кнопку usb расположенную под дисплеем чтобы перейти на страницу 3 3 parameter p.36
- Схема передачи сигнала ducker p.37
- Применение фильтра низких частот lpf p.37
- Использование функции ducker p.37
- Использование других функций p.37
- Регулировка настроек функции leveler 1 p.38
- При подключении накопителя usb включите переключатель leveler канала ch29 30 ch21 22 при подключении ipod iphone включите переключатель leveler канала ch31 32 ch23 24 p.38
- При подключении аудиоплеера отличного от ipod iphone отрегулируйте уровень входного сигнала на наиболее приглушенном отрезке самый низкий уровень композиции p.38
- При необходимости несколько раз нажмите кнопку setup расположенную под дисплеем чтобы перейти на страницу 4 4 leveler p.38
- При необходимости несколько раз нажмите кнопку setup расположенную под дисплеем чтобы перейти на страницу 3 4 ducker p.38
- Подключите накопитель usb или аудиоплеер например ipod iphone к устройству p.38
- Поверните регулятор 1 чтобы выбрать нужный параметр а затем поверните регулятор 2 чтобы установить значение параметра p.38
- Использование функции leveler p.38
- Воспроизведите фоновую музыку а затем слушая убедитесь в том что громкость звука автоматически уменьшается когда вы говорите в микрофон p.38
- Установка дополнительных настроек функции ducker 1 p.38
- Убедитесь в том что питание устройства выключено p.39
- Нажмите регулятор 2 чтобы закрыть экран или дождитесь пока экран message закроется автоматически p.39
- Восстановление заводских настроек устройства восстановление пользовательской памяти p.39
- Включите питание удерживая нажатыми кнопки fx1 и setup p.39
- Установлен ли переключатель выбора источника входного сигнала в положение usb in ipod in убедитесь в том что переключатель установлен в положение analog p.40
- Убедитесь что переключатель on и переключатель st используемых каналов включены p.40
- Убедитесь в том что регулятор 2 и фейдеры fx1 rtn и или fx2 rtn настроены правильно p.40
- Правильно ли подключены кабели исправны ли кабели нет ли в них короткого замыкания p.40
- Поиск и устранение неисправностей p.40
- Поиск и устранение неисправностей p.41
- Список сообщений p.42
- Приложение p.42
- Warning p.42
- Message p.42
- Fx1 rev x алгоритм rev x p.43
- Список программ эффектов p.43
- Приложение p.43
- Fx2 spx алгоритм spx p.43
- Список параметров эффектов p.44
- Список параметров p.44
- Fx2 spx 13 flanger p.44
- Fx2 spx 12 phaser p.44
- Fx2 spx 11 chorus p.44
- Fx2 spx 10 early ref p.44
- Fx2 spx 09 single delay p.44
- Fx2 spx 06 vocal echo 07 karaoke echo 08 delay p.44
- Fx2 spx 01 hall 02 room 03 plate 04 large stage 05 small stage p.44
- Fx1 rev x все программы 01 hall 08 slap room p.44
- Fx2 spx 14 symphonic p.45
- Ducker p.45
- Compressor p.45
- Список параметров функции comp ducker leveler p.45
- Type mulitiband p.45
- Type comp p.45
- Leveler p.45
- Fx2 spx 16 radio voice p.45
- Fx2 spx 15 doubler p.45
- Штекер для наушников trs p.46
- Штекер для наушников p.46
- Список разъемов p.46
- Разъем xlr 4 31 p.46
- Разъем xlr 3 31 xlr 3 32 p.46
- Разъем xlr 3 31 p.46
- Приложение p.46
- Входные и выходные гнезда полярность разъемов конфигурация p.46
- Mgp32x p.47
- Mgp24x p.47
- Размеры p.47
- Электрические характеристики p.48
- Технические характеристики p.48
- Приложение p.48
- Характеристики аналоговых выходов p.49
- Характеристики аналоговых входов p.49
- Фактическое сопротивление источника p.49
- Разъем номинал макс перед перегрузкой p.49
- Приложение p.49
- Номинал макс перед перегрузкой p.49
- Для использования с p.49
- Для исполь зования с p.49
- Выходной уровень p.49
- Выход p.49
- Входные разъемы pad gain trim p.49
- Входной уровень p.49
- Чувствитель ност p.49
- Приложение p.50
- Общие характеристики p.50
- Символы p.51
- Приложение p.51
- Предметный указатель p.51
- Блок схема и диаграмма уровней p.52
- Приложение p.53
- Номер модели p.55
- Cерийный номер p.55
- Russia p.56
- Oceania p.56
- Brazil p.56
- Turkey p.56
- Norway p.56
- Austria bulgaria czech republic hungary romania slovakia slovenia p.56
- The united kingdom ireland p.56
- North america p.56
- Australia p.56
- The people s republic of china p.56
- Netherlands belgium luxembourg p.56
- Argentina p.56
- Thailand p.56
- Middle east p.56
- Africa p.56
- Taiwan p.56
- Address list p.56
- Switzerland liechtenstein p.56
- Mexico p.56
- Sweden finland iceland p.56
- Malaysia p.56
- Spain portugal p.56
- Indonesia p.56
- Singapore p.56
- Greece p.56
- Germany p.56
- Regions and trust territories in pacific ocean p.56
- France p.56
- Poland p.56
- Europe p.56
- Panama and other latin american caribbean regions p.56
- Denmark p.56
- Other regions p.56
- Cyprus p.56
- Vietnam p.56
- Other european regions p.56
- Central south america p.56
- Other asian regions p.56
- Canada p.56
- Vfh2260 p.56
Похожие устройства
-
Yamaha EMX7Инструкция по эксплуатации -
Yamaha EMX5Инструкция по эксплуатации -
Yamaha MG06Инструкция по эксплуатации -
Yamaha MG10Инструкция по эксплуатации -
Yamaha MG12Инструкция по эксплуатации -
Yamaha MG16Инструкция по эксплуатации -
Yamaha MG20Инструкция по эксплуатации -
Yamaha MG06XИнструкция по эксплуатации -
Yamaha MG10XUИнструкция по эксплуатации -
Yamaha MG12XUИнструкция по эксплуатации -
Yamaha MG16XUИнструкция по эксплуатации -
Yamaha MG20XUИнструкция по эксплуатации